2019 Physics paper 2
SECTION A (25 marks)
Answer all the questions in this section in the splices provided.
1. Figure 1 shows two plane mirrors inclined at an angle of 120° to cach other.
A ray of light makes an angle or 40° with the first mirror.

2. State the reason why an increase in leaf divergence is the only sure way of determining whether an object is negatively charged using a negatively charged electroscope. (l mark)
3. State two properties of magnetic field lines around a bar magnet. (2 marks)
4. Figure 2 shows an incomplete circuit for an electromagnet.

(b) State two ways in which the strength of the electromagnet in (a) can be increased. (2 marks)
5. In a siren, sound is produced when a jet of air is directed perpendicular to a ring of holes on a rotating wheel.
Explain the effect on the pitch of sound produced when the speed of rotation of the wheel is increased. (2 marks)
6. State the reason why the current produced by a simple cell falls rapidly when the cell is being used. (1 mark)
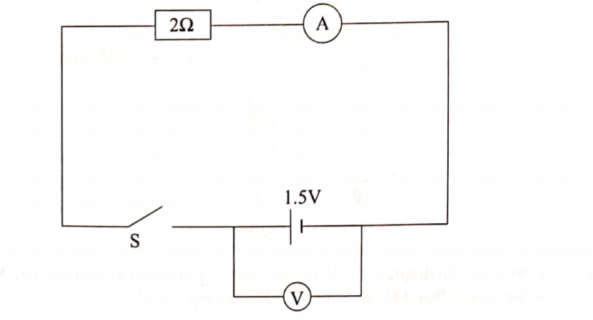
7. Figure 3 shows a cell connected in series with an ammeter, a 2 resistor and a switch.
A volumeter is connected across the cell

8. State two uses of gamma rays in medicine. (2 marks)
9. Figure 4 shows the input and output signals on a CRO screen when two diodes are used during a full wave rectification.

10. State how the intensity of X-rays in an X-ray tube can be increased. (3 marks)
11. Figure 5 shows part of the lighting circuit in a house.

12. Uranium decays as shown below.

13. State the disadvantage of rising a convex mirror as a driving mirror. (1 mark)
14. Figure 6 shows radiation from thc sun passing through glass in a grecnhouse onto the floor. The floor then emits radiation.

SECTION b (55 marks)
Answwr all the questions in this section
15. (a) On the axes provided, sketch a graph of Capacitance against the area of overlap of the plates of a parallel -plate capacitor.(1 mark)
(b) (i) Draw a circuit diagram that may be used to investigate the discharging proccss of a capacitor. (2 marks)
(ii) On the axes provided sketch the graph of potential difference between the plates against time for the discharging process. (1 mark)


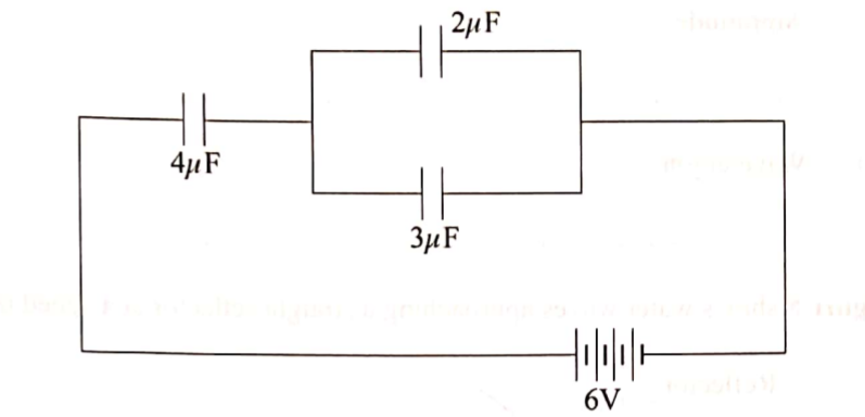
(i) effective capacitance (3 marks)
(ii) total charge stored (2 marks)
(iii) potential difference across the 4uF capacitor (2 marks)
16. (o) Define the following terms as used in waves (i) Amplitude (1 mark)
(ii) Waves length (1 mark)
(b) Figure 8 shows water waves approaching a straight reflector at a speed of 40cm'.

(ii) Given that the distance benveen the source and the reflector is 15 cm determine: (i). The wavelength of the waves (2 marks)
(ii). The frequency of the waves (2 marks)
(c) Figure 9 sows light rays from two coherent sources S1 and S2 falling on a screen.
Dark and brighi fringe s are observed between A and B.

I. bright fringes are formed (1 mark)
II. dark fringes are formed (1 mark)
(ii) State what is observed when light of a higher frequency is used. (1 mark)
17. (a) Figure 10 shows a ray of light travelling from glass to air.

(i) Critical angle of the glass — air interface ( 1 mark)
(ii) Refractive index of glass (1 mark)
(b) A piece of metal is embedded at the centre of an ice block 15 cm from the surface of the ice.
Given that the refractive index of ice is 1.32, determine how far from the surface of the ice block the metal appears to be. (3 marks)

(d) (i) State two differences between the human eye and a camera lens. (2 marks)
(ii) State the name of the part of the eye that enable the lens to focus images of objects at different distances. (I mark)
18. (a) Describe how a magnet can be demagnetised using the electrical method. (2 marks)
(b) You are provided with two iron bars P and Q .One of the bars is magnetised while the other is not.
Explain how the magnetised bar can be identified without using a magnet or magnetic material. (2 marks)
(c) Figure 12 shows two identical copper coils X and Y placed close to each other.
Coil X is connected to a DC power supply while coil Y is connected to a galvanometer.

(ii) State what is observed on the galvanometer when the switch is opened. (1 mark)
(iii) State what Would be observed if the number of turns in coil Y is doubled. (1 mark)
l9. (a) Define half life as used in radioactivity. (1 mark)
(b) Figure 13 Shows a device used to detect radioactivity by forming tracks when air is ionised.

(ii) State how air in the device gets ionised. (1 mark) (c) (i) State two Factors that determine the speed of the photoelectrons emitted from a metal surface. (2 marks)
The energy of a photon of light is 2.21 eV .(electronic charge is 1.6 x 10-19C and planks constant h is 6.63 x 10-34Js).
I. Express this energy in joules. (l mark)
II. Determine the frequency of the light that produces the photon. (2 marks)
Questions and Answers
2019 Physics paper 2
1. Figure 1 shows two plane mirrors inclined at an angle of 120° to each other.
A ray of light makes an angle or 40° with the first mirror.


2. State the reason why an increase in leaf divergence is the only sure way of determining whether an object is negatively charged using a negatively charged electroscope. (l mark)
3. State two properties of magnetic field lines around a bar magnet. (2 marks)
4. Figure 2 shows an incomplete circuit for an electromagnet.


(b) State two ways in which the strength of the electromagnet in (a) can be increased. (2 marks)
5. In a siren, sound is produced when a jet of air is directed perpendicular to a ring of holes on a rotating wheel.
Explain the effect on the pitch of sound produced when the speed of rotation of the wheel is increased. (2 marks)
6. State the reason why the current produced by a simple cell falls rapidly when the cell is being used. (1 mark)
7. Figure 3 shows a cell connected in series with an ammeter, a 2 resistor and a switch.
A volumeter is connected across the cell

I=V/R
= 1.5 /2 + 0.5
= — 0.6A
8. State two uses of gamma rays in medicine. (2 marks)
9. Figure 4 shows the input and output signals on a CRO screen when two diodes are used during a full wave rectification.

10. State how the intensity of X-rays in an X-ray tube can be increased. (3 marks)
11. Figure 5 shows part of the lighting circuit in a house.

12. Uranium decays as shown below.

13. State the disadvantage of rising a convex mirror as a driving mirror. (1 mark)
14. Figure 6 shows radiation from the sun passing through glass in a greenhouse onto the floor. The floor then emits radiation.

SECTION b (55 marks)
Answwr all the questions in this section
15. (a) On the axes provided, sketch a graph of Capacitance against the area of overlap of the plates of a parallel -plate capacitor.(1 mark)
(b) (i) Draw a circuit diagram that may be used to investigate the discharging process of a capacitor. (2 marks)



(i) effective capacitance (3 marks)

Q = CV
=2.22 x 10-6 x 6
= 1.332 x 10-5 C
(iii) potential difference across the 4uF capacitor(2 marks)
V=Q/C
=1.33 x 10-5/ 4 x 10-6
=3.33V
16. (a) Define the following terms as used in waves (i) Amplitude (1 mark)
(ii) Waves length (1 mark)
(b) Figure 8 shows water waves approaching a straight reflector at a speed of 40cm'.


i). The wavelength of the waves (2 marks)
Wavelength = distance/number of waves
= 15/4
= 3.75cm
(ii). The frequency of the waves (2 marks)
=40 /3.75
— 10.67Hz
(c) Figure 9 sows light rays from two coherent sources S1 and S2 falling on a screen.
Dark and bright fringe s are observed between A and B.

I. bright fringes are formed (1 mark)
II. dark fringes are formed (1 mark)
(ii) State what is observed when light of a higher frequency is used. (1 mark)

(i) Critical angle of the glass — air interface ( 1 mark)
(ii) Refractive index of glass (1 mark)
Sin c = 1/n
n = 1/sin42°
=1.495
(b) A piece of metal is embedded at the centre of an ice block 15 cm from the surface of the ice.
Given that the refractive index of ice is 1.32, determine how far from the surface of the ice block the metal appears to be. (3 marks)
Refractive index = Real Depth/apparent Depth
∴ apparent Depth =15/1.32
=11.36cm


(ii) State the name of the part of the eye that enable the lens to focus images of objects at different distances. (I mark)
18. (a) Describe how a magnet can be demagnetised using the electrical method. (2 marks)
(b) You are provided with two iron bars P and Q .One of the bars is magnetised while the other is not.
Explain how the magnetised bar can be identified without using a magnet or magnetic material. (2 marks)
(c) Figure 12 shows two identical copper coils X and Y placed close to each other.
Coil X is connected to a DC power supply while coil Y is connected to a galvanometer.

When current through coil X is steady no induced current flows through the galvanometer since there is no change in flux linkage. Therefore pointer deflects back.
(ii) State what is observed on the galvanometer when the switch is opened. (1 mark)
(iii) State what Would be observed if the number of turns in coil Y is doubled. (1 mark)
l9. (a) Define half life as used in radioactivity. (1 mark)
(b) Figure 13 Shows a device used to detect radioactivity by forming tracks when air is ionised.

(ii) State how air in the device gets ionised. (1 mark)
(c) (i) State two Factors that determine the speed of the photoelectrons emitted from a metal surface. (2 marks)
The energy of a photon of light is 2.21 eV .(electronic charge is 1.6 x 10-19C and planks constant h is 6.63 x 10-34Js).
I. Express this energy in joules. (l mark)
1 Energy = eve = 1.6 x 10-19 x 2.21
=3.54 x 10-19J
II. Determine the frequency of the light that produces the photon. (2 marks)
E = hf
f = e/h
= 3.54 x 10-19/6.63 x 10-34
= 5.33 x 10-14Hz
Secondary School Scholarships in Kenya » Kenya Postgraduate Scholarships » Undergraduate Scholarships for Kenyan Students » Kenya Scholarships for Kenyan Students Studying in Kenya » Kenya Undergraduate Scholarships » The Kenya Youth Education Scholarship Fund - Scholarships Kenya - Scholarships KCSE Results » KCSE Results Top 100 Schools - Kenya Certificate of Secondary Education – KCSE » KCSE Top 100 Candidates » Kenya Certificate of Secondary Education – KCSE » KNEC - Kenya National Examinations Council » Secondary Schools in Kenya » KNEC - Kenya National Examinations Council » Free KNEC KCSE Past Papers
Kenya Scholarships for Undergraduate Students » Kenya Scholarships for Postgraduate Students » Undergraduate Scholarships for Kenyan Students » Kenya Undergraduate Scholarships » Full Undergraduate Scholarships for Kenyans » Kenya Postgraduate Scholarships » Scholarships & Grants » Undergraduate Scholarships » Universities in Kenya » Kenya Universities and Colleges Central Placement Service (KUCCPS) » Colleges in Kenya » KASNEB Registration & Results » Secondary Schools Scholarships in Kenya » Undergraduate & Graduate Scholarships for Kenyans
Powerful Motivational Quotes for Students » Success Quotes for Students » KCSE Motivational Quotes for KCSE Candidates » KCSE Success Quotes for KCSE Candidates
1 a a kcse past papers 2014 kcse marking schemes 2016 kcse papers 2016 kcse prediction questions 2018 kcse exam 2018 kcse questions a a kcse past papers advance-africa.com kcse rev quiz agriculture mock papers agriculture paper 2 questions and answers pdf alliance mocks 2017 ap biology essay questions and answers arabic exam 2016 arabic oral exam questions betrayal in the city essay questions and answers pdf betrayal in the city essay questions with answers betrayal in the city, ,,revision questions biology book 3 klb biology essay questions and answers form 4 biology essay questions and answers form 4 pdf biology essays pdf biology exam questions and answers pdf biology form 2 questions and answers pdf biology form 3 notes pdf biology form 3 questions and answers pdf biology form 3 syllabus biology form three reproduction biology form three-questions and answers biology kcse - kcse biology questions and answers - kcse biology essay questions and answers - kcse biology paper 1 2015 - kcse biology notes - kcse 2015 biology paper 2 - kcse biology practical 2015 - kcse biology practicals - kcse biology 2011
biology kcse 2017 biology kcse questions biology paper 1 questions and answers biology paper 2 questions and answers biology paper 3 questions and answers biology questions and answers for high schools biology questions and answers for high schools pdf biology questions and answers form 2 biology questions and answers multiple choice biology questions and answers on cells biology questions and answers online biology questions and answers pdf biology revision notes form 3 business past kcse past papers c.r.e form one notes pdf cambridge igcse computer science cambridge igcse computer science answers cambridge igcse computer science coursebook pdf download cambridge igcse computer science revision guide pdf cambridge igcse computer science study and revision guide pdf cambridge igcse computer science workbook - free download cambridge igcse computer science workbook pdf caucasian chalk circle essay questions chemistry paper 1 questions and answers chemistry paper 2 questions and answers chemistry paper 3 question and answer chemistry past papers form 1 chemistry past papers form 2 cie past papers computer science 0478 computer science igcse past papers xtremepapers computer science paper 2 2017 computer science past papers a level computer science past papers o level computer studies form 1 questions computer studies form 3 past papers computer studies past papers computer studies questions and answers pdf county mocks 2017 cre form 2 notes pdf cre form 3 notes cre form 3 notes pdf cre form 4 notes cre form 4 notes pdf cre form one notes cre kcse 2016 cre notes cre notes form 2 cre notes pdf cre paper 1 with answers cre paper 2 cre paper 2 topics cre preparation notes cre questions form one cre revision notes cre revision questions and answers download kcse past papers with answers dvance kcse past papers edexcel igcse computer science past papers english paper 3 question paper - 2014 kcse english paper 3 question paper - 2015 kcse english paper 3 question paper - 2016 kcse english paper 3 question paper - 2017 kcse english paper 3 question paper - 2018 kcse essay questions and answers on betrayal in the city essay questions based on betrayal in the city find download kcse past papers with answers - kcse past papers pdf download - kcse 2013 marking scheme - kcse mathematics past papers pdf - free kcse past papers and marking schemes - kcse mock papers pdf - kcse past papers 2014 pdf - kcse past papers 2015 - kcse past papers 2010 find kcse biology essay questions and answers - kcse biology practicals - kcse biology paper 1 2015 - biology essay questions and answers form 4 - kcse biology questions and answers - ap biology essay questions and answers - kcse biology notes - kcse biology paper 2 2012 - kcse biology paper 2 2015
form 2 biology questions and answers free kcse mocks 2015 free kcse past papers - kcse past papers - knec kcse online past papers - knec kcse results past papers free kcse past papers 2014 free kcse past papers kenya, free marking schemes, download ... free kcse past papers with answers free kcse questions and answers on chemistry free revision papers general biology test questions and answers general science questions and answers pdf history and government paper one topics history form one questions and answers pdf history paper 1 questions and answers history paper 2 questions and answers home science past papers igcse computer science book igcse computer science book pdf download igcse computer science notes igcse computer science paper 2 notes igcse computer science past papers igcse computer science past papers 2014 igcse computer science past papers 2017 igcse computer science pdf igcse computer science pre release material 2018 igcse computer science resources igcse computer science revision notes pdf igcse computer science workbook pdf igcse computer studies past papers interesting biology questions ire kcse past papers k.c.s.e cre paper 1 2017 k.c.s.e geography 2017 k.c.s.e mathematics paper 1 2017 k.c.s.e mocks 2018 k.c.s.e past papers 2014 kcpe 2018 predictions kcpe prediction questions kcse 2010 marking scheme kcse 2010 past papers kcse 2011 cre paper 1 kcse 2011 marking scheme kcse 2012 history paper 2 marking scheme kcse 2012 marking schemes kcse 2013 cre paper 1 kcse 2013 marking scheme kcse 2013 marking scheme pdf kcse 2014 kcse 2015 biology paper 2 kcse 2015 biology paper 3 kcse 2015 marking scheme kcse 2015 past papers kcse 2016 agriculture paper 2 kcse 2016 biology paper 1 kcse 2016 biology paper 2 kcse 2016 computer paper 1 kcse 2017 marking scheme kcse 2017 maths paper 1 kcse 2017 papers kcse 2017 papers and marking scheme kcse 2017 past papers kcse 2017 prediction pdf kcse 2018 cre prediction kcse 2018 leakage kcse 2018 marking scheme kcse 2018 papers kcse 2018 predictions kcse 2019 marking scheme kcse agriculture past papers kcse answers kcse arabic paper 1 kcse arabic paper 2 kcse arabic paper 3 kcse arabic paper 3 2016 kcse arabic past papers kcse biology 2011 kcse biology essay questions and answers kcse biology essay questions and answers - kcse revision questions and answers - kcse chemistry questions and answers - kcse revision papers with answers - kcse past papers with answers - download kcse past papers with answers - kcse questions on the river and the source - kcse revision notes
kcse biology essay questions and answers - kcse revision questions and answers - kcse chemistry questions and answers - kcse revision papers with answers - kcse past papers with answers - download kcse past papers with answers - kcse questions on the river and the source - kcse revision notes
kcse biology essay questions and answers pdf kcse biology essays kcse biology essays pdf kcse biology notes kcse biology paper 1 kcse biology paper 1 2017 kcse biology paper 1 2017 pdf kcse biology paper 2 2012 kcse biology paper 2 2015 kcse biology paper 2 2017 kcse biology paper 3 2016 kcse biology paper 3 past papers kcse biology past papers kcse biology past papers and answers kcse biology practical 2016 kcse biology practical past papers kcse biology practicals kcse biology questions and answers kcse biology questions and answers - kcse past papers biology - kcse biology essay questions and answers - kcse chemistry past papers - download kcse past papers with answers - k.c.s.e papers 2015 - k.c.s.e papers 2016 - kcse biology paper 1 2015 - kcse past papers 2015 - kcse past papers 2011 - kcse past papers 2016 - kcse past papers 2017 - 2017 kcse prediction questions - 2018 kcse prediction questions
kcse business paper 1 2016 kcse business past papers kcse business studies past papers kcse chemistry paper 1 2016 kcse chemistry paper 1 2017 kcse chemistry paper 3 2012 kcse chemistry past papers kcse chemistry past papers and answers kcse chemistry practical kcse computer studies paper 1 kcse computer studies paper 2 kcse computer studies paper 2 pdf kcse cre 2016 kcse cre paper 1 2013 kcse cre paper 1 2015 kcse cre paper 1 2016 kcse cre paper 1 2017 kcse cre paper 2 kcse cre paper 2 2016 kcse cre past papers kcse cre past papers and answers kcse english paper 3 2016 kcse english paper 3 2017 kcse essay questions in betrayal in the city kcse exam papers 2018 kcse exam papers answers kcse french paper 1 kcse french paper 2 kcse french past papers kcse general science syllabus kcse geography paper 2 2016 kcse history paper 1 2012 kcse history paper 2 2016 kcse history paper 2 2017 kcse kiswahili paper 1 2017 kcse marking scheme 2016 kcse marking schemes kcse marking schemes 2017 kcse marking schemes pdf kcse mathematics marking schemes kcse mathematics paper 1 2015 kcse mathematics paper 1 2016 kcse mathematics paper 2 2016 kcse mathematics past papers kcse mathematics past papers pdf kcse mock exams kcse mock papers 2015 kcse mock papers 2017 kcse mock papers 2018 kcse mock papers pdf kcse mock papers pdf 2018 kcse mocks 2017 kcse mocks 2018 kcse music past papers kcse online past papers kcse papers 2015 kcse past papers kcse past papers - kcpe and answers - free mocks online - kcse answers past exams question papers - downloads | kcse papers and marking schemes | exams - kcse mathematics paper 1 questions and answers - kcse cre paper 1 questions and answers - knec past papers free downloads - kcse online registration - kcpe - kcse past papers - knec - knec portal - knec past papers for colleges - kasneb - past papers - kasneb past papers for colleges - cpa past papers - https://www.knec.ac.ke/ - www.knec-portal.ac.ke/ - knec portal: kcse results, online registration, kcse result slip. knec portal confirmation - knec portal kcse results - knec examiners portal - knec website kcse past papers - kcpe and answers - free mocks online - kcse answers past exams question papers - downloads | kcse papers and marking schemes | exams - kcse mathematics paper 1 questions and answers - kcse cre paper 1 questions and answers
kcse past papers 2007 kcse past papers 2009 kcse past papers 2010 kcse past papers 2011 kcse past papers 2011 pdf kcse past papers 2012 kcse past papers 2013 kcse past papers 2013 -knec kcse past papers 2014 kcse past papers 2014 pdf kcse past papers 2015 kcse past papers 2015 marking schemes kcse past papers 2015 pdf kcse past papers 2016 kcse past papers 2016 pdf kcse past papers 2017 kcse past papers 2017 pdf kcse past papers agriculture and answers kcse past papers arabic and answers kcse past papers art and design and answers kcse past papers biology kcse past papers building and construction and answers kcse past papers business studies and answers kcse past papers chemistry kcse past papers chemistry and answers kcse past papers chemistry pdf kcse past papers computer studies and answers kcse past papers cre and answers kcse past papers electricity and answers kcse past papers english and answers kcse past papers french and answers kcse past papers general science and answers kcse past papers geography and answers kcse past papers german and answers kcse past papers history and government and answers kcse past papers home science and answers kcse past papers hre and answers kcse past papers ire and answers kcse past papers kenya sign language and answers kcse past papers kiswahili and answers kcse past papers marking scheme kcse past papers maths kcse past papers metal work and answers kcse past papers music and answers kcse past papers pdf download kcse past papers physics and answers kcse past papers physics with answers kcse past papers power mechanics and answers kcse past papers with answers kcse past papers woodwork and answers kcse physics past papers kcse prediction 2017 kcse prediction 2018 kcse prediction 2018 pdf kcse prediction papers 2018 kcse prediction questions 2018 kcse prediction questions and answers kcse questions and answers kcse questions and answers. download free kcse past papers from knec. all marking schemes - questions and answers are sourced from knec. kcse revision kcse revision papers 2014 kcse revision | secondary school | text books | text book centre kcse trial 2017 kcse trial exams 2017 kenyaplex kcse past papers kenyaplex past papers for secondary kiswahili paper 3 questions and answers klb biology form 3 pdf klb cre form 1 klb cre form 3 knec ict past papers knec past papers for colleges knec past papers free download knec past papers pdf knec revision papers knec technical exams past papers kusoma.com past papers maths kcse 2017 mock past papers 2017 mock past papers with answers mokasa mock 2017 page navigation papacambridge computer science igcse past kcse papers past papers in kenya pre mocks 2018 pte knec past papers revision sample essays on betrayal in the city school biology notes school geography notes school physics notes school river and the source themes used in betrayal in the city xtremepapers igcse computer science z notes computer science igcse
Scholarship 2026/27
Current Scholarships 2026/2027 - Fully Funded
Full Undergraduate Scholarships 2026 - 2027
Fully Funded Masters Scholarships 2026 - 27
PhD Scholarships for International Students - Fully Funded!
Funding Opportunities for Journalists 2026/2027
Funding for Entrepreneurs 2026/2027
***