KCSE Past Papers 2019 Building and Construction Paper 1 

Click Here - Free KCSE Past Papers » KNEC Past Exams » Free Downloads » KCSE Papers & Marking Schemes

KCSE Past Papers 2019 Building and Construction Paper 1

Section A (40 marks)

Answer all the questions in this section.

1. Define the term "building". (2 marks)

(b) Give four main components of a business plan. (2 marks)

2. (a) Outline the first three steps in setting out a building before the profile boards are erected. (3 marks)

(b) State four factors that determine the type of finish to use in a building. (2 marks)

3. State two reasons for using each of the following safety wear: (a) Workshop attire that cover the legs.

(b) Goggles when cutting bricks with a wet machine saw.

4. Explain the function of each of the following materials in concreting: (a) Cement.

(b) Water.

(c) Coarse aggregate. 5. (a) State three functions of foundations in buildings.

(b) Outline three circumstances under which pile foundations are used in buildings. (3 marks)

6. (a) Explain the difference between a flat roof and a pitched roof. (2 marks)

(b) Outline three functional requirement of a roof on a building. (3 marks)

7. Explain three purposes of damp proofing in buildings. (3 marks)

8. Define the following terms as used in scaffolding: (3 marks)

(a) Ledger.

(b) Transom.

(c) Brace.

9. Define the following terms as used in arches: (4 marks)

(a) Abutment.

(b) Springer.

(c) Voussoir.

(c) Crown.

10. Figure 1 shows a circle of diameter 80mm.

Construct a pentagon circumscribed by the circle. (5 marks)

SECTION B (60 marks)

Answer question 11 on the A3 paper and any other three questions from this section in the spaces provided. Candidates are advised to spend not more than 25 minutes on question 11.

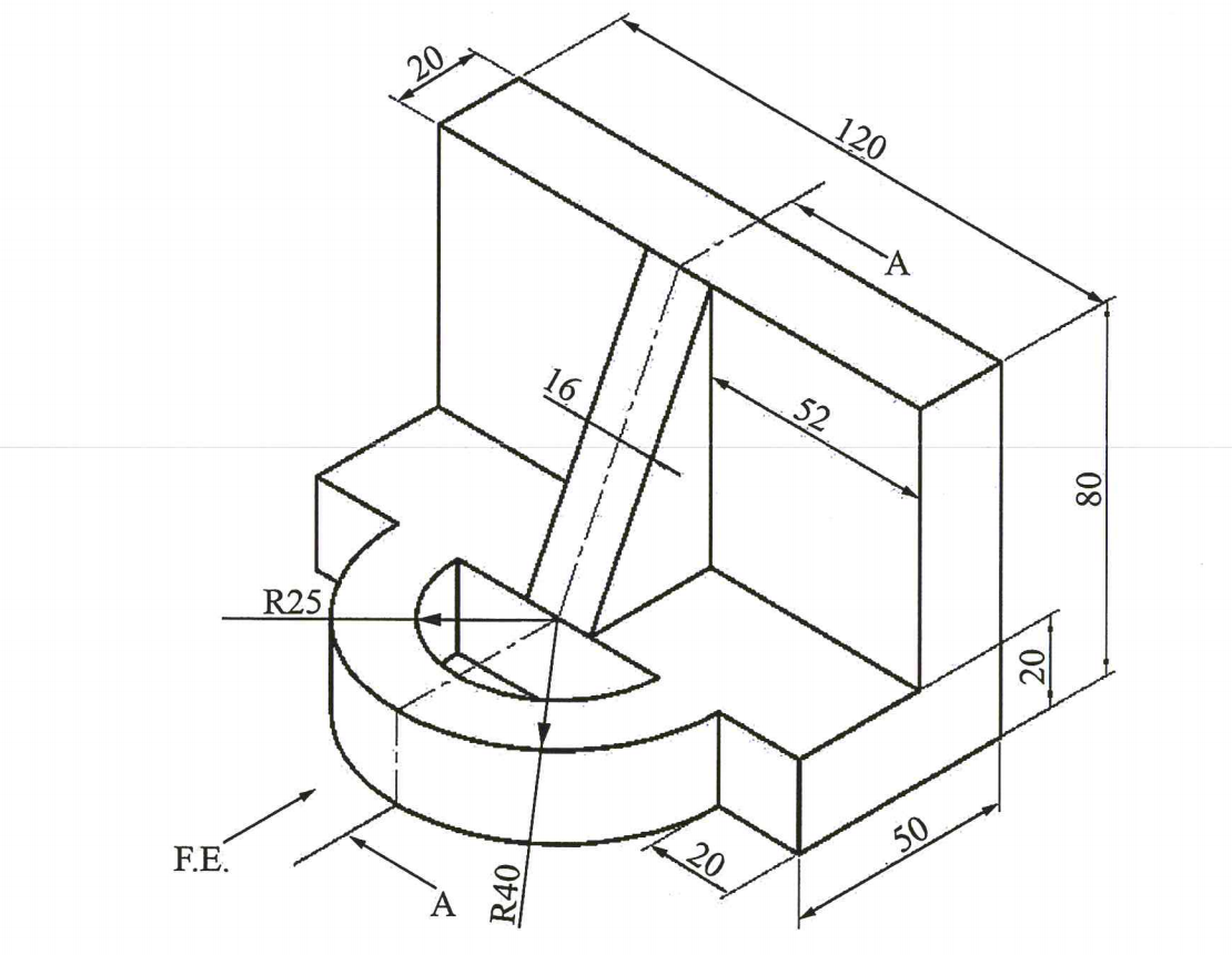
11. Figure 2 shows a machine bracket drawn in isometric projection.

Draw the following views Full Size in first angle projection: (15 marks)

(a) Front elevation viewed in direction of arrow F.E. (b) Sectional end elevation along A-A. (c) Plan. 12. (a) Name four types of second fixings. (2 marks)

(b) Describe three classes of paints. (3 marks)

13. (a) Sketch and label the detail of a timber flat roof at the eave. (6 marks)

(b) Outline the procedure of setting out a rectangular building using a builder's square. (9 marks)

14. (a) Explain each of the following methods of compacting concrete: (4 marks)

(i) Rodding.

(ii) Vibrating.

(b) Outline the procedure of preparing a floor slab surface to receive a floor screed. (5 marks)

(c) Sketch and label a cross section of a cold water storage. (6 marks)

15. (a) State four building code requirements for scaffolds. (4 marks)

(b) With the aid of labelled sketches, distinguish between a putlog scaffold and an independent scaffold.(11 marks)

KCSE Past Papers 2019 Building and Construction Paper 1

Questions and Answers

1. (a) Definition of building.

A relatively permanent enclosed construction over a plot of land having a roof, doors and windows. It is used for human habitation and other human activities. (2 marks)

(b) Components of a business plan.

- Executive summary.

- Business description.

- Financial information.

- Product and services.

- Sales and marketing. Any 4 x 1/2= (2 marks)

2. (a) The first three steps in setting out the site.

- Establish a baseline.

- Set out the main lines, marked with start pegs.

- Check for right angles. 3 x 1 = (3 marks)

(b) Factors that determine the type of finish to use in a building.

- Cost of the finish.

- Availability of materials to use for finishing.

- Intended use of the building.

- Degree of protection required.

- The desired appearance (aesthetics). Any 4 x 1/2 = (2 marks)

3. (a) Reasons for using safety wear. Attire that cover the legs.

- Protection from protruding objects.

- Protection from welding sparks and pieces of masonry.

- Keeping off dirt from the legs

- Protection from spills from paint or slurry.(1 mark)

(b) Eye googles when cutting bricks using a wet machine saw.

  • Protection from stone particles that fly off.
  • Protection from water sprays.
  • Protection from dirt and grit that may enter the eye. Protection from broken saw particles.

    4. (a) Functions of materials in concrete.

    Cement:

  • It binds the different particles of material together.

    (b) Water:

  • It makes the mixture easy to place and spread.
  • It also starts off the chemical action referred to as setting which enables concrete and/or mortar to harden.

    (c) Coarse aggregate:

  • Provides strength and volume.
  • The stronger the aggregate used, the stronger the concrete produced.

    5. (a) Functions of foundations

  • To support the building.
  • To transfer the weight of the building to a firm base in the ground.
  • To provide a level on which the walls are built.
  • To cover soft or weak areas in the firm base.

    (b) Circumstances under which pile foundations are preferred.

  • When the natural bearing capacity of the soil is low.
  • In areas where the water table is high.
  • In places where there is presence of layers of highly compressible subsoils such as peat.
  • In subsoils which may be subject to moisture movement or plastic failure.

    6. (a) A flat roof is a roof with a pitch less than 10° while a pitched roof is a roof with a pitch between 10° and 75°.

    (b) Functional requirements of a roof:

  • It should safely resist all imposed loads such as snow and wind.
  • It should be capable of accommodating thermal and moisture movements.
  • It should be durable to give satisfactory performance and keep the costs of maintenance to minimum.

    7. Purpose of damp proofing:

  • To prevent the penetration of moisture from below (rising dampness).
  • To prevent the penetration of moisture from above.
  • To prevent the penetration of moisture from horizontal entry.

    8.Terms used in scaffolding:-

  • Ledger is a horizontal member onto which the transom is fixed.
  • Transom is the transverse horizontal member onto which the platform rests.
  • Brace is the cross member fixed unto the standards to strengthen them.

    9. Terms used in arches

  • Abutment is the part of the wall on which the arch is supported. Springer is first unit adjacent to the screw-back of the arch.
  • Voussoir is the wedge-shaped units that are bounded to form the arch. Crown is the

    voussoir/unit at the highest point of the arch.

    10.

    - Division of diameter into 5 parts — 1

    - Arcs whose radius = diameter 2 x 1/2 = 1

    Joining intersection of arcs to point 2 and beyond — 1

    - Marking the pentagon along the circumference — 1

    - Completing the pentagon — 1

    12. (a) Types of second fixings: Wall skirting

  • Dado rails
  • Picture rails
  • Cornice

    (b) Classes of paints

  • Oil based paints: Provides a good hard gloss finish which is resistant to water and easy to clean.
  • Water based paints:
  • They make use of water as the thinning agent.
  • They are detained by adding water to medium additives.
  • Emulsion paints:
  • They are easily applied and are dry faster.
  • They can be obtained with a marshal finish.

    (c) Marking out a semi-circular bay window. (10 marks)

  • Begin by establishing the radius of the bay window. Mark the centre of the semi-circle and fix a trammel longer than the radius at the marked centre. On the trammel, fix a metal spur at the distance equal to the radius of the semi-circle.

    By rotating the trammel with the spur on the ground the outline of the bay window will be marked on the ground.

    13. (a) Detail of a timber flat roof at the eave.

    (b) square. Procedure of setting out a rectangular building using a builder's (9 marks)

  • Establish a baseline and fix a corner peg.
  • Place the builders' square with the 4m side on the base line and establish a perpendicular line along the 3m side.
  • Measure the length of the building along the base line and fix the second corner peg.
  • Establish the width of the building on the 3m side length and fix the third corner peg.
  • Place the builder's square on the second peg and establish a perpendicular line along the 3m side.
  • Measure the width of the building along the perpendicular line and place the fourth corner peg.
  • Extend all lines beyond the four corner pegs and fix them in place using other pegs.
  • Check the accuracy of the rectangle and confirm using diagonals.
  • Fix the profile boards.

    14.(a) Methods of compacting concrete.

  • (i) Rodding:

    This is the method used to compact wet concrete in narrow and difficult places. It uses a rod.

  • ( ii) Vibrating:

    This method is used to compact wet concrete placed in thick layers and over large surfaces. It uses a poker vibrator, which should be completely inserted into the concrete.

    (b) Procedure of preparing a smooth floor slab surface to receive a floor screed.

  • Hack the entire floor area.
  • Sweep off the surface with a broom.
  • Sprinkle water on the surface.
  • Sweep a second time after the surface has dried out.
  • Apply floor screed.

    (c) Cross-section of a cold water storage tank. Dirt cover (6 marks)

    15. Building code requirements for scaffolds.

  • All putlogs and independent scaffolds should be tied securely to the building or structure at alternate heights vertically not more than 6m apart horizontally.
  • All working platforms above the ground level must be fitted with a toe board and guard rail.
  • Assembly of scaffolds with fittings should be carried out by trained and experienced personnel.
  • Store the components as close as practicable to the work area in order to minimize the distance over which loads are moved manually.
  • Use appropriate tools for the work preferred and avoid overtightening couplers.
  • All scaffolds should be tested for stability after adverse weather effects.

    KCSE Results » KCSE Results Top 100 Schools - Kenya Certificate of Secondary Education – KCSE » KCSE Top 100 Candidates » Kenya Certificate of Secondary Education – KCSE » KNEC - Kenya National Examinations Council » Secondary Schools in Kenya » KNEC - Kenya National Examinations Council » Free KNEC KCSE Past Papers

    Kenya Scholarships for Undergraduate Students » Kenya Scholarships for Postgraduate Students » Undergraduate Scholarships for Kenyan Students » Kenya Undergraduate Scholarships » Full Undergraduate Scholarships for Kenyans » Kenya Postgraduate Scholarships » Scholarships & Grants » Undergraduate Scholarships » Universities in Kenya » Kenya Universities and Colleges Central Placement Service (KUCCPS) » Colleges in Kenya » KASNEB Registration & Results » Secondary Schools Scholarships in Kenya » Undergraduate & Graduate Scholarships for Kenyans

    Scholarships for African Students » Undergraduate Scholarships » African Women Scholarships & Grants » Developing Countries Scholarships » Erasmus Mundus Scholarships for Developing Countries » Fellowship Programs » Funding Grants for NGOs » Government Scholarships » LLM Scholarships » MBA Scholarships » PhD and Masters by Research Scholarships » Public Health Scholarships - MPH Scholarships » Refugees Scholarships » Research Grants » Scholarships and Grants

    Scholarships in Australia » Scholarships in Belgium » Scholarships in Canada » Scholarships in Germany » Scholarships in Italy » Scholarships in Japan » Scholarships in Korea » Scholarships in Netherlands » Scholarships in UK » Scholarships in USA

    KCSE Past Papers 2017 Building and Construction Paper 1 

    "Pdf" Revision Questions Building and Construction Form 2 "Pdf" Revision Questions Building and Construction Form 3 "Pdf" Revision Questions Building and Construction Form 4 "Pdf" Revision Questions Building and Construction Form Four "Pdf" Revision Questions Building and Construction Form One "Pdf" Revision Questions Building and Construction Form Three "Pdf" Revision Questions Building and Construction Form Two 1 a a KCSE Past Papers 10th Grade Building and Construction Questions and Answers 10th Grade Building and Construction Test 11th Ncert Building and Construction 12th Class Building and Construction Book Free Download 2014 KCSE Marking Schemes 2014 Pdf KCSE Past Papers 2015 2015 Building and Construction Essay Questions and Answers Form 4 2016 KCSE Papers 2016 KCSE Prediction Questions 2017 Building and Construction Hsc Answers 2017 KCSE Prediction Questions 2018 Building and Construction KCSE Leakage 2018 Building and Construction KCSE Questions 2018 KCSE Busineness Studies 2018 KCSE Exam 2018 KCSE Leakage 2018 KCSE Prediction Questions 2018 KCSE Questions 2019 Building and Construction KCSE Leakage 2019 Building and Construction KCSE Questions 2019 KCSE Leakage 2019 KCSE Questions 9th Grade Building and Construction Study Guide A a a Building and Construction Notes a a a Building and Construction Notes! a a a Building and ConstructionNotes! A a KCSE Past Papers A Biblical View of Social Justice A Level Building and Construction Biological Molecules Questions A Level Building and Construction Exam Questions by Topic A Level Building and Construction Notes Edexcel A Level Building and Construction Notes Xtremepapers A Level Building and Construction Past Papers A Level Building and Construction Questions and Answers a Level Building and Construction Questions and Answers A Level Building and Construction Questions and Answers (Pdf) A Level Building and Construction Questions and Answers Pdf A Level Building and Construction Questions by Topic Kidney Questions With Markschemes A Level Building and Construction Revision A Level Building and Construction Revision Edexcel A Level Building and Construction Revision Guide A Level Building and Construction Revision Notes A Level Building and Construction Revision Notes Pdf A Level Building and Construction Textbook Pdf A Level Building and Construction Year 1 / as Aqa Exam Questions by Topic A Level Edexcel Notes a* Building and Construction aa Building and Construction Form 3 Questions and Answers Advance KCSE Past Papers Advance-africa.com KCSE Rev Quiz Advantages and Disadvantages. All Building and Construction Essays All Building and Construction Notes for Senior Two All KCSE Past Papers Building and Construction With Making Schemes All Marking Schemes Questions and Answers All Past K.c.s.e Questions With Answers Alliance Mocks 2017 Ap Bio Quizzes Ap Building and Construction 1 Textbook Pdf Ap Building and Construction Essay Questions and Answers Are Sourced From KNEC. As Level Building and Construction Notes Atika Building and Construction Notes Atika School Building and Construction Notes B/s Book 2 Notes Basic Building and Construction Books Pdf basic Building and Construction Interview Questions and Answers Pdf Basic Building and Construction Interview Questions and Answers Pdf Basic Building and Construction Pdf Basic Building and Construction Questions and Answers Basic Building and Construction Questions and Answers Pdf Bbc Bitesize Building and Construction Ks3 Bihar Board Building and Construction Objective Answer 2017 Bihar Board Building and Construction Objective Answer 2018 Bio Answers Bio Quesions Building and Construction 0478 Building and Construction 101 Building and Construction 12th Building and Construction 12th Class Notes Pdf Building and Construction 2019 Syllabus Building and Construction All KCSE Short Notes Building and Construction Answers Building and Construction Answers Online Free Building and Construction Answers Quizlet Building and Construction Bk 2 Notes Building and Construction Book 1 Building and Construction Book 1 Notes Building and Construction Book 2 Building and Construction Book 2 Notes Building and Construction Book 3 Building and Construction Book 3 KLB Building and Construction Book 3 Notes Building and Construction Book 4 Building and Construction Book 4 Notes Building and Construction Book 4 Pdf Building and Construction Book for Class 11 Building and Construction Book Four Building and Construction Book Four Notes Building and Construction Book One Building and Construction Book One Notes Building and Construction Book Pdf Free Download Building and Construction Book Three Building and Construction Book Three Notes Building and Construction Book Three Pdf Building and Construction Book Two Building and Construction Book Two Notes Building and Construction Books Form Three Building and Construction Bowl Building and Construction Study Guide Building and Construction Bowl Questions Building and Construction Building and Construction Bowl Questions Earth Building and Construction Building and Construction Bowl Questions Math Building and Construction Bowl Questions Middle School Building and Construction Brekthrough Form Two Notes Building and Construction Class 12 Ncert Solutions Building and Construction Class 12 Pdf Building and Construction Communication Syllabus Building and Construction Diagram Software Building and Construction Diagrams for Class 11 Building and Construction Diagrams for Class 12 Building and Construction Diagrams for Class 9 Building and Construction Diagrams for Class-10 Building and Construction Diagrams in Form 1 Building and Construction Diagrams in Form 2 Building and Construction Diagrams in Form 3 Building and Construction Diagrams in Form 4 Building and Construction Diagrams Pdf Building and Construction Diagrams to Label Building and Construction Essay Questions and Answers Building and Construction Essay Questions and Answers 2018 Building and Construction Essay Questions and Answers Form 1 Building and Construction Essay Questions and Answers Form 2 Building and Construction Essay Questions and Answers Form 3 Building and Construction Essay Questions and Answers Form 4 Building and Construction Essay Questions and Answers Form 4 Pdf Building and Construction Essay Questions and Answers Pdf Building and Construction Essay Revision Q Building and Construction Essays and Answers Building and Construction Essays Form One to Form Four Building and Construction Essays Form One to Form Three Building and Construction Essays KCSE Building and Construction Essays Pdf Building and Construction Exam 1 Multiple Choice Building and Construction Exam 2 Advance Building and Construction Exam 2 Test Building and Construction Exam 2016 Building and Construction Exam Form Four Building and Construction Exam Form One Building and Construction Exam Form Three Building and Construction Exam Form Two Building and Construction Exam Practice Test Building and Construction Exam Questions Building and Construction Exam Questions and Answers Building and Construction Exam Questions and Answers Pdf Building and Construction Exam Study Guide Building and Construction Exams Building and Construction Excretion Notes Building and Construction Exercise Form 4 With Answers Building and Construction Final Exam Answer Key Building and Construction Final Exam Answer Key 2016 Building and Construction Final Exam Answer Key 2017 Building and Construction Final Exam Answers 2018 Building and Construction Final Exam Answers 2019 Building and Construction Final Exam Questions and Answers Building and Construction Fom 1 Notes Building and Construction Fom 2 Notes Building and Construction Fom 3 Notes Building and Construction Fom 4 Notes Building and Construction Form 1 Building and Construction Form 1 & 2 and Answers Building and Construction Form 1 and 2 Essays Building and Construction Form 1 and 2 Essays Questions and Answers Building and Construction Form 1 Chapter 1 Building and Construction Form 1 Diagrams Building and Construction Form 1 Exams Building and Construction Form 1 Mid Year Exam Building and Construction Form 1 Notes Building and Construction Form 1 Notes and Questions Building and Construction Form 1 Notes Download Building and Construction Form 1 Notes Free Download Building and Construction Form 1 Notes GCSE Building and Construction Form 1 Notes KCSE-kcse Building and Construction Form 1 Notes Pdf Building and Construction Form 1 Notes Pdf Download Building and Construction Form 1 Past Papers Building and Construction Form 1 Pdf Building and Construction Form 1 Pressure Building and Construction Form 1 Question Papers Building and Construction Form 1 Questions Building and Construction Form 1 Questions and Answers Building and Construction Form 1 Questions and Answers Pdf Building and Construction Form 1 Quiz Building and Construction Form 1 Revision Questions Building and Construction Form 1 Summary Notes Building and Construction Form 1 Syllabus Building and Construction Form 1 Work Building and Construction Form 1-4 Notes Building and Construction Form 2 Building and Construction Form 2 Chapter 1 Building and Construction Form 2 Chapter 2 Building and Construction Form 2 Diagrams Building and Construction Form 2 Exam Paper 2014 Building and Construction Form 2 Exams Building and Construction Form 2 Notes Building and Construction Form 2 Notes and Questions Building and Construction Form 2 Notes GCSE Building and Construction Form 2 Notes KCSE-kcse Building and Construction Form 2 Notes Pdf Building and Construction Form 2 Notes Pdf Download Building and Construction Form 2 Past Papers Building and Construction Form 2 Pdf Building and Construction Form 2 Question Papers Building and Construction Form 2 Questions Building and Construction Form 2 Questions and Answers Building and Construction Form 2 Questions and Answers Pdf Building and Construction Form 2 Quiz Building and Construction Form 2 Revision Notes Building and Construction Form 2 Salts Building and Construction Form 2 Structure and Bonding Building and Construction Form 2 Summary Notes Building and Construction Form 2 Syllabus Building and Construction Form 2 Work Building and Construction Form 3 Building and Construction Form 3 and 4 Essays Building and Construction Form 3 and 4 Essays Questions and Answers Building and Construction Form 3 Chapter 3 Building and Construction Form 3 Classification Building and Construction Form 3 Diagrams Building and Construction Form 3 Ecology Building and Construction Form 3 Exams Building and Construction Form 3 Notes Building and Construction Form 3 Notes and Questions Building and Construction Form 3 Notes GCSE Building and Construction Form 3 Notes KCSE-kcse Building and Construction Form 3 Notes Pdf Building and Construction Form 3 Notes Pdf Download Building and Construction Form 3 Notes Topic 1 Building and Construction Form 3 Past Papers Building and Construction Form 3 Pdf Building and Construction Form 3 Question Papers Building and Construction Form 3 Questions Building and Construction Form 3 Questions and Answers Building and Construction Form 3 Questions and Answers Pdf Building and Construction Form 3 Questions and Answers Term 3 Building and Construction Form 3 Questions and Answers+pdf Building and Construction Form 3 Quiz Building and Construction Form 3 Revision Notes Building and Construction Form 3 Revision Questions Building and Construction Form 3 Summary Notes Building and Construction Form 3 Syllabus Building and Construction Form 3 Syllabus Pdf Building and Construction Form 3 Topics Building and Construction Form 3 Work Building and Construction Form 4 Building and Construction Form 4 All Chapter Building and Construction Form 4 Chapter 1 Conversion of Units Building and Construction Form 4 Chapter 1 Exercise Building and Construction Form 4 Chapter 1 Exercise and Answers Building and Construction Form 4 Chapter 1 Exercise Pdf Building and Construction Form 4 Chapter 1 Mind Map Building and Construction Form 4 Chapter 2 Building and Construction Form 4 Chapter 2 Exercise and Answers Building and Construction Form 4 Chapter 2 Exercise Pdf Building and Construction Form 4 Chapter 2 Experiment Building and Construction Form 4 Chapter 2 Formula Building and Construction Form 4 Chapter 2 Mind Map Building and Construction Form 4 Chapter 2 Momentum Building and Construction Form 4 Chapter 2 Notes Pdf Building and Construction Form 4 Chapter 2 Objective Questions and Answers Building and Construction Form 4 Chapter 2 Paper 2 Building and Construction Form 4 Chapter 2 Slideshare Building and Construction Form 4 Chapter 3 Building and Construction Form 4 Chapter 3 Questions and Answers Building and Construction Form 4 Chapter 4 Building and Construction Form 4 Chapter 4 Notes Pdf Building and Construction Form 4 Chapter 5 Light Questions and Answers Building and Construction Form 4 Chapter 5 Notes Pdf Building and Construction Form 4 Diagrams Building and Construction Form 4 Exam Paper 1 Building and Construction Form 4 Exams Building and Construction Form 4 Exercise Building and Construction Form 4 Exercise Pdf Building and Construction Form 4 Module With Answer Building and Construction Form 4 Note Building and Construction Form 4 Notes Building and Construction Form 4 Notes (Pdf) Building and Construction Form 4 Notes All Chapter Pdf Building and Construction Form 4 Notes and Questions Building and Construction Form 4 Notes Chapter 1 Building and Construction Form 4 Notes Chapter 2 Building and Construction Form 4 Notes Chapter 3 Building and Construction Form 4 Notes Download Building and Construction Form 4 Notes Free Download Building and Construction Form 4 Notes GCSE Building and Construction Form 4 Notes KCSE-kcse Building and Construction Form 4 Notes Pdf Building and Construction Form 4 Notes Pdf Download Building and Construction Form 4 Paper 2 Questions and Answers Building and Construction Form 4 Past Papers Building and Construction Form 4 Question Papers Building and Construction Form 4 Questions Building and Construction Form 4 Questions and Answers Building and Construction Form 4 Questions and Answers Pdf Building and Construction Form 4 Quiz Building and Construction Form 4 Revision Notes Building and Construction Form 4 Schemes of Work Building and Construction Form 4 Summary Notes Building and Construction Form 4 Syllabus Building and Construction Form 4 Textbook Pdf Building and Construction Form 4 Work Building and Construction Form 5 Chapter 1 Exercise and Answers Building and Construction Form 5 Chapter 1 Notes Pdf Building and Construction Form 5 Chapter 2 Notes Pdf Building and Construction Form 5 Chapter 2 Slideshare Building and Construction Form 5 Chapter 3 Notes Pdf Building and Construction Form 5 Notes Pdf Building and Construction Form Four Book Building and Construction Form Four Notes Building and Construction Form Four Notes and Questions Building and Construction Form Four Notes GCSE Building and Construction Form Four Notes Pdf Building and Construction Form Four Past Papers Building and Construction Form Four Questions Building and Construction Form Four Questions and Answers Building and Construction Form Four Questions and Answers Pdf Building and Construction Form Four Quiz Building and Construction Form Four Study Notes Building and Construction Form Four Syllabus Building and Construction Form Four Topic 2 Building and Construction Form Four Topic 4 Building and Construction Form Four Topics Building and Construction Form Four Work Building and Construction Form One Building and Construction Form One Book Building and Construction Form One Book Pdf Building and Construction Form One Download Topic 1 Upto 3 Building and Construction Form One Exam Building and Construction Form One Notes Building and Construction Form One Notes and Questions Building and Construction Form One Notes GCSE Building and Construction Form One Notes Pdf Building and Construction Form One Pdf Building and Construction Form One Questions Building and Construction Form One Questions and Answers Building and Construction Form One Questions and Answers Pdf Building and Construction Form One Questions and Their Answers Building and Construction Form One Quiz Building and Construction Form One Revision Question Building and Construction Form One Schemes of Work Building and Construction Form One Study Notes Building and Construction Form One Syllabus Building and Construction Form One Term Three Test Building and Construction Form One to Three Notes Building and Construction Form One Work Building and Construction Form Three Building and Construction Form Three Book Building and Construction Form Three Notes Building and Construction Form Three Notes and Questions Building and Construction Form Three Notes GCSE Building and Construction Form Three Questions and Answers Building and Construction Form Three Questions and Answers Pdf Building and Construction Form Three Quiz Building and Construction Form Three Reproduction Building and Construction Form Three Reproduction. Building and Construction Form Three Study Notes Building and Construction Form Three Work Building and Construction Form Three-questions and Answers Building and Construction Form Two Building and Construction Form Two Book Building and Construction Form Two Diagrams Building and Construction Form Two Notes Building and Construction Form Two Notes and Questions Building and Construction Form Two Notes GCSE Building and Construction Form Two Notes Pdf Building and Construction Form Two Notes-pdf Building and Construction Form Two Pdf Building and Construction Form Two Questions Building and Construction Form Two Questions and Answers Building and Construction Form Two Questions and Answers Pdf Building and Construction Form Two Quiz Building and Construction Form Two Study Notes Building and Construction Form Two Topics Building and Construction Form Two Work Building and Construction Form Two,schemes of Work Building and Construction Form2 Building and Construction Form2 Textbook Building and Construction Game Form Four Question End Answers Building and Construction Grade 10 Exam Papers Building and Construction Hsc Pdf Building and Construction Human Reproduction Video Building and Construction IGCSE Past Papers Xtremepapers Building and Construction K.c.s.e 2017 Building and Construction KCSE Building and Construction KCSE 2016 Building and Construction KCSE 2017 Building and Construction KCSE 2017 Paper 1 Building and Construction KCSE Past Papers Building and Construction KCSE Questions Building and Construction KCSE Questions and Answer Building and Construction KCSE Quizzes & Answers Building and Construction KCSE Revision Building and Construction KCSE Revision Notes Building and Construction KCSE Setting Questions Form One and Two Building and Construction Ksce 2015 Building and Construction Last Year K.c.s.e Questions Building and Construction Lesson Plan Form Two Building and Construction Made Familiar Building and Construction Mcq for Class 11 Building and Construction Mcq for Class 12 Building and Construction Mcq for Competitive Exams Building and Construction Mcq for Competitive Exams Pdf Building and Construction Mcq for Neet Pdf Building and Construction Mcq for Ssc Building and Construction Mcq Questions With Answers Building and Construction Mcq With Answers Pdf Building and Construction Mcqs for Class 12 Pdf Building and Construction Mcqs With Answers Pdf Building and Construction Mid Familia Form One Building and Construction Mock Papers Building and Construction Module Form 5 Building and Construction Multiple Choice Questions and Answers Cxc Building and Construction Multiple Choice Questions and Answers Pdf Building and Construction Multiple Choice Questions With Answers Pdf Building and Construction Note Building and Construction Note Form Two All Chapters Building and Construction Notes Building and Construction Notes and Guestion and Answear Building and Construction Notes and Syllabus Building and Construction Notes Class 10 Building and Construction Notes for Class 11 Pdf Building and Construction Notes for Class 12 Pdf Building and Construction Notes for High School Students Building and Construction Notes for IGCSE 2014 Building and Construction Notes Form 1 Building and Construction Notes Form 1 4 Building and Construction Notes Form 1 Free Download Building and Construction Notes Form 1 KLB Building and Construction Notes Form 1 Pdf Building and Construction Notes Form 1-4 Building and Construction Notes Form 1-4(1) Building and Construction Building and Construction Notes Form 14 Building and Construction Notes Form 2 Building and Construction Notes Form 2 KLB Building and Construction Notes Form 2 Pdf Building and Construction Notes Form 2; Building and Construction Notes Building and Construction Notes Form 3 Building and Construction Notes Form 3 KLB Building and Construction Notes Form 3 Pdf Building and Construction Notes Form 4 Building and Construction Notes Form 4 Chapter 2 Building and Construction Notes Form 4 KLB Building and Construction Notes Form 4 Pdf Building and Construction Notes Form 4-pdf Building and Construction Notes Form Four Building and Construction Notes Form Four KLB Building and Construction Notes Form Four Pdf Building and Construction Notes Form One Building and Construction Notes Form One KLB Building and Construction Notes Form One Pdf Building and Construction Notes Form One to Form Four Building and Construction Notes Form Three Building and Construction Notes Form Three KLB Building and Construction Notes Form Three Pdf Building and Construction Notes Form Two Building and Construction Notes Form Two KLB Building and Construction Notes Form Two Pdf Building and Construction Notes Form2 Building and Construction Notes IGCSE Building and Construction Notes Kenya Building and Construction Notes on Agroforestry Building and Construction Notes Pdf Building and Construction Notes: Building and Construction Objective Answer Building and Construction Objective Answer 2018 Building and Construction Objective Questions for Competitive Exams Building and Construction Objective Questions for Competitive Exams Pdf Building and Construction Oral Exam Questions Building and Construction Paper 1 Building and Construction Paper 1 2018 Marking Rules Building and Construction Paper 1 Notes Building and Construction Paper 1 Questions Building and Construction Paper 1 Questions and Answers Building and Construction Paper 1 Topics Building and Construction Paper 1 With Answers Building and Construction Paper 2 Building and Construction Paper 2 2017 Building and Construction Paper 2 2018 Marking Rules Building and Construction Paper 2 Questions and Answers Building and Construction Paper 2 Questions and Answers Pdf Building and Construction Paper 2 Revision Building and Construction Paper 2 Topics Building and Construction Paper 2018 Building and Construction Paper 3 2018 Marking Rules Building and Construction Paper 3 Question and Answer Building and Construction Paper 3 Question Paper 2014 KCSE Building and Construction Paper 3 Question Paper 2015 KCSE Building and Construction Paper 3 Question Paper 2016 KCSE Building and Construction Paper 3 Question Paper 2017 KCSE Building and Construction Paper 3 Question Paper 2018 KCSE Building and Construction Paper 3 Questions and Answers Building and Construction Paper One Questions and Answers Building and Construction Paper One Topics Building and Construction Paper Two Qestions With Answers Building and Construction Paper1 Building and Construction Paper2 Building and Construction Paper3 Building and Construction Paper4 Building and Construction Past Papers Building and Construction Past Papers 2017 Building and Construction Past Papers a Level Building and Construction Past Papers Form 1 Building and Construction Past Papers Form 2 Building and Construction Past Papers Form 3 Building and Construction Past Papers O Level Building and Construction Pdf Download Building and Construction Pp1 KCSE 2016 Building and Construction Practical Book Class 12 Pdf Building and Construction Practical Exam Building and Construction Practicals Form One Building and Construction Practicals Questions and Answers Building and Construction Practice Test 9th Grade Building and Construction Practice Test Answers Building and Construction Practice Test Questions and Answers Building and Construction Practice Test Quizlet Building and Construction Predicted Questions This Year KCSE Building and Construction Preparation Notes Building and Construction Pretest High School Pdf Building and Construction Question and Answer With Explanation Building and Construction Question and Answers 2019 Building and Construction Question and Answers 2020 Building and Construction Question and Answers 2021 Building and Construction Question and Answers 2022 Building and Construction Question and Answers Note Building and Construction Questions Building and Construction Questions and Answers Building and Construction Questions and Answers for High School Building and Construction Questions and Answers for High Schools Building and Construction Questions and Answers for High Schools Pdf Building and Construction Questions and Answers for Secondary Schools Building and Construction Questions and Answers Form 1 Building and Construction Questions and Answers Form 2 Building and Construction Questions and Answers Form 3 Building and Construction Questions and Answers Form 4 Building and Construction Questions and Answers Multiple Choice Building and Construction Questions and Answers Notes Building and Construction Questions and Answers O Building and Construction Questions and Answers Online Building and Construction Questions and Answers Pdf Building and Construction Questions and Answers Pdf for Class 12 Building and Construction Questions and Answers Pdf for Competitive Exams Building and Construction Questions and Answers-form 2 Building and Construction Questions for High School Building and Construction Questions for High School Students With Answers Building and Construction Questions for Senior 1 Building and Construction Questions for Senior 2 Building and Construction Questions for Senior 3 Building and Construction Questions for Senior 4 Building and Construction Questions for Senior 5 Building and Construction Questions for Senior 6 Building and Construction Questions for Senior Five Building and Construction Questions for Senior Four Building and Construction Questions for Senior One Building and Construction Questions for Senior Six Building and Construction Questions for Senior Three Building and Construction Questions for Senior Two Building and Construction Questions Form One Building and Construction Questions Multiple Choice Building and Construction Questions Quizlet Building and Construction Questions to Ask Your Teacher Building and Construction Quetion and Answer Form Four Building and Construction Quetion and Answer Form One Building and Construction Quetion and Answer Form Three Building and Construction Quetion and Answer Form Two Building and Construction Quiz for Class 9 Building and Construction Quiz for Class 9 Building and Construction Building and Construction Quiz Questions and Answers for Class 10 Building and Construction Quiz Questions and Answers for Class 10 Pdf Building and Construction Quiz Questions and Answers for Class 12 Building and Construction Quiz Questions and Answers for Class 9 Building and Construction Quiz Questions and Answers for Class 9 Pdf Building and Construction Quiz Questions and Answers for High School Building and Construction Quiz Questions and Answers Multiple Choice Building and Construction Quiz Questions and Answers Pdf Building and Construction Quiz Questions for Class 12 Building and Construction Quiz Questions for College Students Building and Construction Quiz With Answers Building and Construction Quiz With Answers Pdf Building and Construction Quizlet Building and Construction Revision Building and Construction Revision a Level Building and Construction Revision Building and Construction Notes Building and Construction Building and Construction Revision Exam Building and Construction Revision Examination Building and Construction Revision Form One Building and Construction Revision Notes Building and Construction Revision Notes Building and Construction Building and Construction Revision Notes Form 1 Building and Construction Revision Notes Form 2 Building and Construction Revision Notes Form 3 Building and Construction Revision Notes Form 4 Building and Construction Revision Notes IGCSE Building and Construction Revision Paper One Building and Construction Revision Questions Building and Construction Revision Questions and Answers Building and Construction Revision Questions and Answers Form 1 Building and Construction Revision Questions and Answers Form 2 Building and Construction Revision Questions and Answers Form 3 Building and Construction Revision Questions and Answers Form 4 Building and Construction Revision Questions and Answers Form Four Building and Construction Revision Questions and Answers Form One Building and Construction Revision Questions and Answers Form Three Building and Construction Revision Questions and Answers Form Two Building and Construction Revision Questions Form 1 Building and Construction Revision Questions Form 2 Building and Construction Revision Questions Form 3 Building and Construction Revision Questions Form 4 Building and Construction Revision Questions Form Four Building and Construction Revision Questions Form One Building and Construction Revision Questions Form Three Building and Construction Revision Questions Form Two Building and Construction Revision Quiz Building and Construction Revision Test Building and Construction Secondary School Revision Building and Construction Simple Notes Building and Construction Spm Notes Download Building and Construction Spm Notes Pdf Building and Construction Spm Questions Building and Construction Study Form 2 Building and Construction Study Guide Building and Construction Study Guide Answer Key Building and Construction Study Guide Answers Building and Construction Study Guide Building and Construction Questions and Answers Building and Construction Study Guide Ib Building and Construction Study Guide Pdf Building and Construction Study Guides Building and Construction Study Notes Building and Construction Study Notes Materials Form 1 Pdf Building and Construction Study Notes Materials Form 2 3 Pdf Building and Construction Study Notes Materials Form 2 Pdf Building and Construction Study Notes Materials Form 3 Pdf Building and Construction Study Notes Materials Form 4 Pdf Building and Construction Syllabus in Kenya Building and Construction Syllabus Pdf Building and Construction Test 1 Quizlet Building and Construction Test Questions Building and Construction Test Questions and Answers Building and Construction Test Questions and Answers Pdf Building and Construction Topic One Form Four Building and Construction Topics Form One Building and Construction Unit 1 Quiz Building and Construction Vol 3 Building and Construction | Revision Building and Construction Building and Construction,form 4 Building and Construction.form Four.topic Three Building and ConstructionExam Form Three Building and ConstructionModule Form 5 Building and ConstructionNotes Building and ConstructionNotes for Class 11 Pdf Building and ConstructionNotes for Class 12 Pdf Building and ConstructionNotes Form 1 Building and ConstructionNotes Form 1 Free Download Building and ConstructionNotes Form 2 Building and ConstructionNotes Form 3 Building and ConstructionNotes Form 3 Pdf Building and ConstructionNotes IGCSE Building and ConstructionNotes Pdf Building and ConstructionPast Papers Building and ConstructionQuestions and Answers Pdf Building and ConstructionSimple Notes Building and ConstructionSpm Notes Download Building and ConstructionSpm Notes Pdf Building and ConstructionSpm Questions Building and ConstructionStudy Guide Answers Building and ConstructionStudy Guide Pdf Building and ConstructionStudy Guides Blologytextpapers Bridge Building and Construction Business Past KCSE Past Papers Business Studies Form 3 Notes Pdf Business Studies Form 4 Notes Pdf C R E Form One KLB C R E Form One Oli Topic C.r.e Form 1 Notes Kenya C.r.e Form 2 Notes Kenya C.r.e Form 3 Notes C.r.e Form 3 Notes Kenya C.r.e Form 3 Pdf C.r.e Form 4 Notes Kenya C.r.e Form One Notes Pdf C.r.e Notes Form 1 C.r.e Revision Notes C.r.e Short Notes Cambridge IGCSE Building and Construction Cambridge IGCSE Building and Construction 3rd Edition Cambridge IGCSE Building and Construction 3rd Edition Plus Cd South Asia Edition Cambridge IGCSE Building and Construction Answers Cambridge IGCSE Building and Construction Coursebook Pdf Download Cambridge IGCSE Building and Construction Practical Workbook Cambridge IGCSE Building and Construction Revision Guide Pdf Cambridge IGCSE Building and Construction Study and Revision Guide 2nd Edition Pdf Cambridge IGCSE Building and Construction Study and Revision Guide Pdf Cambridge IGCSE Building and Construction Workbook Free Download Cambridge IGCSE Building and Construction Workbook Pdf Cambridge IGCSE® Building and Construction Coursebook Caucasian Chalk Circle Essay Questions Chapter 1 Introduction to Building and Construction Chapter 1 Introduction to Building and Construction Studies Cie a Level Building and Construction Notes 2016 Cie a Level Building and Construction Notes Pdf Cie Past Papers Class 10 Building and Construction Chapter 1 Mcqs Class 8 Building and Construction Notes KCSE-kcse College Building and Construction Notes College Building and Construction Practice Test College Building and Construction Quiz College Building and Construction Quiz Chapter 1 College Building and Construction Quizlet College Building and Construction Study Guide College Building and Construction Study Guide Pdf College Building and Construction Test Questions and Answers College Building and Construction Volume 3 Pdf College Building and ConstructionNotes Complete Building and Construction for Cambridge IGCSE Complete Building and Construction for Cambridge IGCSE Revision Guide Pdf County Mocks 2017 Cse Past Papers Building and Construction 2017 Dl Building and Construction Form 3 Pdf Kusoma Download Building and Construction Form 1 Download Building and Construction Form 2 Download Building and Construction Form 2 Notes Download Building and Construction Form 3 Download Building and Construction Form 3 Notes Download Building and Construction Form 4 Download Building and Construction Form Four Download Building and Construction Form One Download Building and Construction Form Three Download Building and Construction Form Two Download Building and Construction Notes Form 3 Download Building and Construction Notes Form One Download Building and ConstructionNotes Form 3 Download Form Three Building and Construction Notes Download Free KCSE Past Papers Building and Construction Download Free KCSE Past Papers From KNEC. Download KCSE Past Papers With Answers Download KCSE Revision Notes Download KLB Building and Construction Book 2 Download KLB Building and Construction Book 3 Download KLB Building and Construction Book 4 Download Notes of Building and Construction Downloads | Building and Construction | Form Four Exams | Exams Downloads | Building and Construction | Form One Exams | Exams Downloads | Building and Construction | Form Three Exams | Exams Downloads | Building and Construction | Form Two Exams | Exams Downloads | KCSE Papers and Marking Schemes | Dvance KCSE Past Papers Easy Building and Construction Questions Edexcel a Level Building and Construction B Edexcel a Level Building and Construction Notes Pdf Edexcel a Level Building and Construction Salters Nuffield Edexcel A2 Building and Construction Notes Edexcel as Building and Construction Revision Guide Pdf Edexcel Building and Construction A2 Revision Notes Pdf Edexcel Building and Construction Unit 2 Revision Notes Edexcel GCSE Building and Construction Revision Guide Pdf Edexcel IGCSE Building and Construction Past Papers Edexcel IGCSE Building and Construction Revision Guide Free Pdf Download Edexcel IGCSE Building and Construction Revision Guide Pdf Edexcel IGCSE Building and Construction Revision Guide Pdf Download Electronics Form Four Notes Energy Questions Building and Construction Bowl Essay Questions and Answers KCSE Building and Construction Notes Essay Questions and Answers on Betrayal in the City Essay Questions Based on Betrayal in the City Evolving World Building and Construction Book 1 Pdf Evolving World Building and Construction Book 4 Notes Evolving World Building and Construction Book Form 1 Evolving World-history Book 3 Exam Notes for Building and Construction 101 Exams KCSE Building and Construction Paper 1 Questions and Answers F3 Building and Construction Test Paper Find Download KCSE Past Papers With Answers Find KCSE Building and Construction Essay Questions and Answers Form 1 Building and Construction Exam Form 1 Building and Construction Notes Form 1 Building and Construction Questions and Answers Form 1 Building and Construction Questions and Answers Pdf Form 1 Building and Construction Revision Notes Form 1 Building and Construction Summurized Revision Pdf Form 1 Building and Construction Syllabus Form 1 Building and Construction Test Paper Pdf Form 1 Building and Construction Topics Form 1 Building and ConstructionNotes Form 1 Building and ConstructionQuestions and Answers Form 1 Building and ConstructionRevision Notes Form 1 Building and ConstructionSyllabus Form 1 Building and ConstructionTest Paper Pdf Form 1 Past Papers Form 1 Past Papers With Answers Form 1 Revision Papers Form 1 Subjects in Kenya Form 2 Building and Construction Exam Form 2 Building and Construction Exam Paper Form 2 Building and Construction Exam Paper 2016 Form 2 Building and Construction Exam Paper Free Download Form 2 Building and Construction Exam Paper With Answer Form 2 Building and Construction Final Year Exam Paper 2 Form 2 Building and Construction Notes Form 2 Building and Construction Notes and Revision Questions Form 2 Building and Construction Notes Pdf Form 2 Building and Construction Past Papers Form 2 Building and Construction Questions Form 2 Building and Construction Questions and Answers Form 2 Building and Construction Questions and Answers > Form 2 Building and Construction Questions and Answers Pdf Form 2 Building and Construction Revision Notes Form 2 Building and Construction Short Notes Form 2 Building and Construction Syllabus Form 2 Building and ConstructionExam Paper Form 2 Building and ConstructionExam Paper Free Download Form 2 Building and ConstructionExam Paper With Answer Form 2 Building and ConstructionFinal Year Exam Paper 2 Form 2 Building and ConstructionPast Papers Form 2 Building and ConstructionRevision Notes Form 2 Building and ConstructionShort Notes Form 2 Building and ConstructionSyllabus Form 2 Revision Papers Form 2 Subjects in Kenya Form 3 Building and Construction Book Form 3 Building and Construction Exam Form 3 Building and Construction Exam Paper Form 3 Building and Construction Notes Form 3 Building and Construction Past Papers Form 3 Building and Construction Questions Form 3 Building and Construction Questions and Answers Form 3 Building and Construction Questions and Answers Pdf Form 3 Building and Construction Revision Notes Form 3 Building and Construction Syllabus Form 3 Building and ConstructionExam Paper Form 3 Building and ConstructionNotes Form 3 Building and ConstructionPast Papers Form 3 Building and ConstructionQuestions Form 3 Building and ConstructionQuestions and Answers Pdf Form 3 Building and ConstructionRevision Notes Form 3 Building and ConstructionSyllabus Form 3 C.r.e Form 3 Notes of Building and Construction Topic on Fish Form 3 Past Papers Form 3 Revision Papers Form 3 Subjects in Kenya Form 4 Building and Construction Exam Form 4 Building and Construction Notes Form 4 Building and Construction Notes Pdf Form 4 Building and Construction Questions and Answers Form 4 Building and Construction Questions and Answers Pdf Form 4 Building and Construction Revision Notes Form 4 Building and Construction Syllabus Form 4 Building and Construction Topics Form 4 Building and ConstructionNotes Form 4 Building and ConstructionRevision Notes Form 4 Building and ConstructionSyllabus Form 4 Building and ConstructionTopics Form 4 Exam Papers Form 4 Revision Papers Form 4 Subjects in Kenya Form 5 Building and Construction Topics Form 5 Building and ConstructionTopics Form Five Building and Construction Notes Form Five Building and ConstructionNotes Form Four Building and Construction Book Form Four Building and Construction Notes Form Four Building and Construction Notes Pdf Form Four Building and Construction Questions and Answers Form Four Building and Construction Questions and Answers Pdf Form Four Building and Construction Revision Questions Form Four Building and Construction Syllabus Form Four Building and Construction Topics Form Four Building and ConstructionNotes Form Four Building and ConstructionQuestions and Answers Form Four Building and ConstructionQuestions and Answers Pdf Form Four Building and ConstructionTopics Form Four Notes Form Four Revision Papers Form Four Subjects in Kenya Form One Building and Construction Book Form One Building and Construction Examination Form One Building and Construction First Topic Form One Building and Construction Lesson Plan Form One Building and Construction Notes Pdf Form One Building and Construction Past Papers Pdf Form One Building and Construction Questions Form One Building and Construction Questions and Answers Form One Building and Construction Questions and Answers Pdf Form One Building and Construction Revision Questions Form One Building and Construction Short Notes Form One Building and Construction Syllabus Form One Building and Construction Topics Form One Building and ConstructionExamination Form One Building and ConstructionPast Papers Pdf Form One Building and ConstructionQuestions and Answers Form One Building and ConstructionQuestions and Answers Pdf Form One Building and ConstructionTopics Form One Exams Form One Notes of Building and Construction Form One Past Papers Form One Subjects in Kenya Form One Term One Building and Construction Exam Form One Term One Building and ConstructionExam Form Three Building and Construction Book Form Three Building and Construction Book Pdf Form Three Building and Construction Notes Form Three Building and Construction Notes Pdf Form Three Building and Construction Questions and Answers Form Three Building and Construction Questions and Answers Pdf Form Three Building and Construction Revision Questions Form Three Building and Construction Syllabus Form Three Building and Construction Topics Form Three Building and ConstructionNotes Form Three Building and ConstructionNotes Pdf Form Three Building and ConstructionQuestions and Answers Form Three Building and ConstructionQuestions and Answers Pdf Form Three Building and ConstructionTopics Form Three Subjects in Kenya Form Two Building and Construction Book Form Two Building and Construction Cat Form Two Building and Construction Examination Form Two Building and Construction Notes Form Two Building and Construction Notes Pdf Form Two Building and Construction Past Papers Form Two Building and Construction Questions and Answers Form Two Building and Construction Questions and Answers Pdf Form Two Building and Construction Revision Questions Form Two Building and Construction Syllabus Form Two Building and Construction Topics Form Two Building and ConstructionNotes Form Two Building and ConstructionNotes Pdf Form Two Building and ConstructionQuestions and Answers Form Two Building and ConstructionQuestions and Answers Pdf Form Two Building and ConstructionSyllabus Form Two Building and ConstructionTopics Form Two Notes Form Two Subjects in Kenya Free a-level Building and Construction Revision App | Pass Your Building and Construction Exams Free Building and Construction Form 1 Notes Free Building and Construction Notes Form 1 Free Building and Construction Notes Pdf Free Building and ConstructionNotes Pdf Free College Building and Construction Practice Test Free Form1,form2,form3 Past Papers Free KCSE Past Papers Free KCSE Mocks 2015 Free KCSE Past Papers 2014 Free KCSE Past Papers KCSE Past Free KCSE Past Papers Kenya, Free KCSE Past Papers With Answers Free KCSE Questions and Answers on Building and Construction Free KCSE Revision Notes Free Marking Schemes Free Mocks Online KCSE Answers Past Exams Question Papers Free Revision Papers From Three Notes Topic One KLB Fun Building and Construction Questions Funny Building and Construction Questions Funny Building and Construction Questions and Answers Funny Building and Construction Questions to Ask Funny Building and Construction Quotes GCSE Building and Construction Exam Questions and Answers GCSE Building and Construction Past Papers GCSE Building and Construction Revision GCSE Building and Construction Revision Notes GCSE Building and Construction Revision Notes Pdf GCSE Building and Construction Revision Notes Pdf 9-1 GCSE Building and Construction Revision Questions and Answers GCSE Building and Construction Textbook Pdf GCSE Building and Construction Topics Pass My Exams: Easy Exam Revision Notes General Building and Construction Notes Pdf General Building and Construction Practice Test With Answers General Building and Construction Quiz General Building and Construction Quiz Pdf General Building and Construction Test Questions and Answers General Building and Construction Test Questions and Answers Pdf General Knowledge in Building and Construction Human Body Good Building and Construction Questions to Ask GRE Building and Construction Practice Test GRE Building and Construction Subject Test Pdf Handbook of Building and Construction Pdf Free Download Hard Building and Construction Questions Hard Building and Construction Questions and Answers Hard Building and Construction Questions to Ask Your Teacher Hard Building and Construction Quiz Questions Hard Form 3 Building and Construction Question High School Building and Construction Final Exam Doc High School Building and Construction Final Exam Pdf High School Building and Construction Final Exam Questions High School Building and Construction Final Exam Questions and Answers High School Building and Construction Notes High School Building and Construction Practice Test High School Building and Construction Pretest With Answers High School Building and Construction Questions and Answers Pdf High School Building and Construction Study Guide High School Building and Construction Test Questions and Answers Pdf High School Building and ConstructionNotes High School Building and ConstructionStudy Guide How to Answer KCSE Building and Construction Question How to Motivate a Form 4 Student How to Motivate a KCSE Candidate How to Motivate a KCSE Student How to Pass Building and Construction Questions & Answers Form 1&2 | Text Book How to Revise Building and Construction How to Revise Effectively for KCSE How to Study Building and Construction: 5 Study Techniques to Master Building and Construction Hsc Building and Construction 2018 Hsc Building and Construction 2019 Https://www.knec.ac.ke/ Www.knec-portal.ac.ke/ KNEC Portal: Ial Building and Construction Notes Ib Building and Construction Cold War Notes Ib Building and Construction Notes Ib Building and Construction Notes Pdf Ib Building and Construction of the Americas Notes Ib Building and Construction of the Americas Study Guide Ib Building and Construction Paper 2 Study Guide Ib Building and Construction Question Bank by Topic Ib Building and Construction Study Guide Pdf Ict Notes Form 1 IGCSE Building and Construction Alternative to Practical Revision IGCSE Building and Construction Alternative to Practical Revision Notes IGCSE Building and Construction Book IGCSE Building and Construction Book Pdf Download IGCSE Building and Construction Notes IGCSE Building and Construction Notes 2017 Pdf IGCSE Building and Construction Notes Edexcel IGCSE Building and Construction Paper 2 Notes IGCSE Building and Construction Paper 6 Notes IGCSE Building and Construction Past Papers IGCSE Building and Construction Past Papers 2014 IGCSE Building and Construction Past Papers 2017 IGCSE Building and Construction Pdf IGCSE Building and Construction Pre Release Material 2018 IGCSE Building and Construction Resources IGCSE Building and Construction Revision Guide IGCSE Building and Construction Revision Guide Free Download IGCSE Building and Construction Revision Guide Pdf Download IGCSE Building and Construction Revision Notes Pdf IGCSE Building and Construction Revision Worksheets IGCSE Building and Construction Workbook Pdf IGCSE Building and Construction Znotes IGCSE Building and ConstructionPast Papers IGCSE Notes Building and Construction Importance of Agroforestry Inorganic Building and Construction Multiple Choice Questions With Answers Pdf Inorganic Building and Construction Questions and Answers Pdf Interesting Building and Construction Questions Interesting Building and Construction Questions and Answers Interesting Questions to Ask About Building and Construction Intro to Building and Construction Quiz Introduction of Building and Construction Form One Introduction to Building and Construction Introduction to Building and Construction Notes Introduction to Building and Construction Pdf Introduction to Building and ConstructionNotes Is Agroforestry Sustainable? K.c.s.e Answers Building and Construction Paper One 2018 K.c.s.e Building and Construction 2017 K.c.s.e Building and Construction 2018 K.c.s.e Building and Construction Paper 1 2017 K.c.s.e Mocks 2018 K.c.s.e Papers 2015 K.c.s.e Papers 2016 K.c.s.e Past Papers 2014 K.c.s.e.Building and Construction Paper 2 Year 2018 K.c.s.e.results 2018 for Busia County K.l.b Building and Construction Form 3 K.l.b Building and Construction Notes K.l.b Building and ConstructionNotes Kasneb Past Papers for Colleges Building and Construction Past Papers KCSE 2010 Marking Scheme KCSE 2010 Past Papers KCSE 2011 Building and Construction Paper 1 KCSE 2011 Marking Scheme KCSE 2012 Building and Construction Paper 2 Marking Scheme KCSE 2012 Marking Schemes KCSE 2013 Building and Construction Paper 1 KCSE 2013 Marking Scheme KCSE 2013 Marking Scheme Pdf KCSE 2014 KCSE 2015 Building and Construction Paper 2 KCSE 2015 Building and Construction Paper 3 KCSE 2015 Marking Scheme KCSE 2015 Past Papers KCSE 2016 Building and Construction Paper 1 KCSE 2016 Building and Construction Paper 2 KCSE 2017 Building and Construction Paper 1 KCSE 2017 Building and Construction Paper 2 KCSE 2017 Hostory Papers With Answers.com KCSE 2017 Marking Scheme KCSE 2017 Papers KCSE 2017 Papers and Marking Scheme KCSE 2017 Papers Pdf KCSE 2017 Past Papers KCSE 2017 Prediction Pdf KCSE 2018 Building and Construction and Answers KCSE 2018 Building and Construction Prediction KCSE 2018 Leakage KCSE 2018 Marking Scheme KCSE 2018 Papers KCSE 2018 Prediction Pdf KCSE 2018 Predictions KCSE 2018 Questions KCSE 2018 Questions and Answers KCSE 2019 Leakage Building and Construction KCSE 2019 Marking Scheme KCSE 2019 Questions KCSE 2019 Questions and Answers KCSE 2020 Questions KCSE 2020 Questions and Answers KCSE Answers KCSE Answers Past Exams Question Papers Downloads | KCSE Building and Construction 2011 KCSE Building and Construction 2016 KCSE Building and Construction Diagramsbiology Revision Tips KCSE Building and Construction Essay Questions and Answers KCSE Building and Construction Essay Questions and Answers Pdf KCSE Building and Construction Essays KCSE Building and Construction Essays Pdf KCSE Building and Construction Marking Schemes KCSE Building and Construction Notes KCSE Building and Construction Notes Pdf KCSE Building and Construction Notes, Syllabus, Questions, Answers KCSE Building and Construction Paper 1 KCSE Building and Construction Paper 1 2011 KCSE Building and Construction Paper 1 2012 KCSE Building and Construction Paper 1 2013 KCSE Building and Construction Paper 1 2015 KCSE Building and Construction Paper 1 2016 KCSE Building and Construction Paper 1 2017 KCSE Building and Construction Paper 1 2017 Pdf KCSE Building and Construction Paper 1 Questions and Answers KCSE Building and Construction Paper 2 KCSE Building and Construction Paper 2 2012 KCSE Building and Construction Paper 2 2012 KCSE Building and Construction Paper 2 2015 KCSE Building and Construction Paper 2 2013 KCSE Building and Construction Paper 2 2014 KCSE Building and Construction Paper 2 2015 KCSE Building and Construction Paper 2 2016 KCSE Building and Construction Paper 2 2017 KCSE Building and Construction Paper 3 KCSE Building and Construction Paper 3 2012 KCSE Building and Construction Paper 3 2016 KCSE Building and Construction Paper 3 2017 KCSE Building and Construction Paper 3 Past Papers KCSE Building and Construction Past Papers KCSE Building and Construction Past Papers and Answers KCSE Building and Construction Past Papers Pdf KCSE Building and Construction Practical KCSE Building and Construction Practical 2015 KCSE Building and Construction Practical 2016 KCSE Building and Construction Practical Past Papers KCSE Building and Construction Practicals KCSE Building and Construction Practicals KCSE Building and Construction Paper 1 KCSE Building and Construction Question and Answer KCSE Building and Construction Questions and Answers KCSE Building and Construction Questions and Answers Ap Building and Construction KCSE Building and Construction Revision KCSE Building and Construction Revision Notes KCSE Building and Construction Revision Papers KCSE Building and Construction Revision Questions KCSE Building and Construction Revision Questions and Answers KCSE Building and Construction Syllabus KCSE Building and ConstructionNotes KCSE Building and ConstructionPaper 1 KCSE Building and ConstructionPaper 2 KCSE Building and ConstructionPaper 2 Pdf KCSE Building and ConstructionSyllabus KCSE Business Paper 1 2016 KCSE Business Past Papers KCSE Business Studies Past Papers KCSE Essay Questions in Betrayal in the City KCSE Essays KCSE Exam Papers 2018 KCSE Exam Papers Answers KCSE Form 1 Building and Construction Revision KCSE Form 2 Building and Construction Revision KCSE Form 3 Building and Construction Revision KCSE Form 4 Building and Construction Revision KCSE Form Four Building and Construction Revision KCSE Form One Building and Construction Revision KCSE Form Three Building and Construction Revision KCSE Form Two Building and Construction Revision KCSE KCSE Past Papers KNEC KCSE Leakage KCSE Leakage Building and Construction KCSE Made Familiar Building and Construction KCSE Made Familiar Building and Construction Pdf KCSE Marking Scheme 2016 KCSE Marking Schemes KCSE Marking Schemes 2017 KCSE Marking Schemes Pdf KCSE Mock Exams KCSE Mock Papers 2015 KCSE Mock Papers 2017 KCSE Mock Papers 2018 KCSE Mock Papers Pdf KCSE Mock Papers Pdf 2018 KCSE Mock Papers Pdf KCSE Past Papers KCSE Mocks 2017 KCSE Mocks 2018 KCSE Notes KCSE Online Notes KCSE Online Past Papers KCSE Online Registration KCSE Papers 2015 KCSE Papers and Marking Schemes | Exams KCSE Past Papers KCSE Past Papers 2007 KCSE Past Papers 2009 KCSE Past Papers 2010 KCSE Past Papers 2011 KCSE Past Papers 2011 Pdf KCSE Past Papers 2012 KCSE Past Papers 2013 KCSE Past Papers 2013knec KCSE Past Papers 2014 KCSE Past Papers 2014 Pdf KCSE Past Papers 2015 KCSE Past Papers 2015 Marking Schemes KCSE Past Papers 2015 Pdf KCSE Past Papers 2016 KCSE Past Papers 2016 Pdf KCSE Past Papers 2017 KCSE Past Papers 2017 Pdf KCSE Past Papers 2018 KCSE Past Papers Building and Construction KCSE Past Papers Building and Construction and Answers KCSE Past Papers Building and Construction Pdf KCSE Past Papers Building and Construction With Answers KCSE Past Papers Building and Constructionand Answers KCSE Past Papers Business Studies and Answers KCSE Past Papers KCSE and Answers KCSE Past Papers KCSE and Answers Free Mocks Online KCSE Past Papers Marking Scheme KCSE Past Papers Pdf Download KCSE Past Papers Pdf Download KCSE 2013 KCSE Past Papers With Answers KCSE Past Papers Woodwork and Answers KCSE Prediction 2017 KCSE Prediction 2018 KCSE Prediction 2018 Pdf KCSE Prediction Papers 2018 KCSE Prediction Questions KCSE Prediction Questions 2018 KCSE Prediction Questions and Answers KCSE Questions KCSE Questions and Answers KCSE Questions and Answers. KCSE Questions on Building and Construction KCSE Results, Online Registration, KCSE Result Slip. KCSE Revision KCSE Revision Notes KCSE Revision Notes Building and Construction KCSE Revision Notes Pdf KCSE Revision Papers KCSE Revision Papers 2014 KCSE Revision Papers With Answers KCSE Revision Question for Building and Construction KCSE Revision Questions KCSE Revision Questions and Answers KCSE Revision | Secondary School | Text Books | Text Book Centre KCSE Syllabus Pdf KCSE Trial 2017 KCSE Trial Exams 2017 Kenya Secondary School Building and Construction Syllabus Kenya Secondary School Building and Construction Syllabus Pdf Kenya Secondary School Building and ConstructionSyllabus Pdf Kenya Secondary School Syllabus Pdf Kenya-kcse-christian Religious Education Syllabus Kenyaplex KCSE Past Papers Kenyaplex Past Papers for Secondary KLB Building and Construction Book 1 Download KLB Building and Construction Book 1 Notes KLB Building and Construction Book 1 Pdf KLB Building and Construction Book 2 KLB Building and Construction Book 2 Notes KLB Building and Construction Book 2 Notes Pdf KLB Building and Construction Book 2 Pdf KLB Building and Construction Book 3 Notes KLB Building and Construction Book 3 Pdf KLB Building and Construction Book 3 Pdf Download KLB Building and Construction Book 4 Notes KLB Building and Construction Book 4 Pdf KLB Building and Construction Book 4 Pdf Download KLB Building and Construction Book 4 Topics KLB Building and Construction Book One KLB Building and Construction Form 1 KLB Building and Construction Form 1 Notes KLB Building and Construction Form 1 Pdf KLB Building and Construction Form 2 KLB Building and Construction Form 2 Book KLB Building and Construction Form 2 Notes KLB Building and Construction Form 2 Pdf KLB Building and Construction Form 2 Pdf Download KLB Building and Construction Form 2 Schemes of Work KLB Building and Construction Form 3 KLB Building and Construction Form 3 Notes KLB Building and Construction Form 3 Notes Pdf KLB Building and Construction Form 3 Pdf KLB Building and Construction Form 3 Pdf Download KLB Building and Construction Form 4 KLB Building and Construction Form 4 Notes KLB Building and Construction Form 4 Pdf KLB Building and Construction Form Four KLB Building and Construction Form Four Notes KLB Building and Construction Form One KLB Building and Construction Form One Notes KLB Building and Construction Form Three KLB Building and Construction Form Three Notes KLB Building and Construction Form Two KLB Building and Construction Form Two Notes KLB Building and Construction Notes KLB Building and Construction Notes Form 4 KLB Building and Construction Pdf KLB Building and ConstructionNotes KLB Building and ConstructionNotes Form 4 KLB Building and ConstructionPdf KNEC Building and Construction Syllabus KNEC Examiners Portal KNEC Website KNEC Ict Past Papers KNEC Past Papers for Colleges KNEC Past Papers Free Download KNEC Past Papers Free Downloads KNEC Past Papers Pdf KNEC Portal Confirmation KNEC Portal KCSE Results KNEC Portal KNEC Past Papers for Colleges Kasneb Past Papers KNEC Revision Papers KNEC Technical Exams Past Papers Kusoma Building and Construction Notes Kusoma Building and Construction Notes Pdf Kusoma Notes Building and Construction Kusoma.co.ke Kusoma.com Past Papers Learner Guide for Cambridge IGCSE Building and Construction Longhorn Building and Construction Book 3 Pdf Made Familiar Building and Construction Made Familiar Building and Construction Pdf Made Familiar Building and Construction Questions Maktaba Tetea Notes Marking Scheme KCSE Building and Construction Past Papers Math Form2 Note Mcqs About Gaseous Exchange Middle School Building and Construction Bowl Building and Construction Questions Mock Past Papers 2017 Mock Past Papers With Answers Mokasa Mock 2017 More Than 1800 Building and Construction Questions and Answers to Help You Study Multiple Choice Questions on Building and Construction Necta Building and Construction Past Papers Necta Building and Construction Practicals Necta Building and ConstructionPast Papers Necta Building and ConstructionPracticals Necta Form Four Past Papers Necta Past Papers Form 4 Necta Past Papers Form 4 2016 Necta Past Papers Form Six Necta Past Papers Form Two Necta Questions and Answers Necta Review Questions Notes Building and Construction Form 1 Notes Building and Construction Form 2 Notes Building and Construction Form 3 Notes Building and Construction Form 3 Notes Pdf Notes Building and Construction Form 3 Syllabus Notes Building and Construction Form 4 Syllabus Notes on Building and Construction Studies Notes Za Building and Construction 4m 2 Notes Za Building and Construction Form One Notes Za Building and Construction Form Three O Level Building and Construction Practical Experiments O Level Building and Construction Questions and Answers Pdf Orm Three Building and Construction Notes Page Navigation Papacambridge Building and Construction IGCSE Papers KNEC KCSE Online Past Papers KNEC KCSE Results Past Papers Past KCSE Papers Past Paper Questions by Topic Building and Construction Past Papers 2014 Past Papers in Kenya Pdf Building and Construction Form 3 Pdf Building and Construction Notes Pdf Building and Construction Notes Form 1 Pdf Building and Construction Notes Form 2 Pdf Building and Construction Notes Form 3 Pdf Building and Construction Notes Form 4 Pdf Building and Construction Notes Form Four Pdf Building and Construction Notes Form One Pdf Building and Construction Notes Form Three Pdf Building and Construction Notes Form Two Pdf Form 1 Building and Construction Questions and Answers Pdf Form 2 Building and Construction Questions and Answers Pdf Form 3 Building and Construction Questions and Answers Pdf Form 4 Building and Construction Questions and Answers Pdf Form Four Building and Construction Questions and Answers Pdf Form One Building and Construction Questions and Answers Pdf Form Three Building and Construction Questions and Answers Pdf Form Two Building and Construction Questions and Answers Pdf Free KCSE Past Papers and Marking Schemes Pdf" Revision Questions Building and Construction Form 1 Practical Building and Construction Experiments Pdf Practical Building and Construction Question and Answer Pdf Pre Mocks 2018 Preliminary Building and Construction Primary and Secondary Tillage Implements Ppt Pte KNEC Past Papers Questions and Answers Pdf Building and Construction Form 1 Questions and Answers Pdf Building and Construction Form 2 Questions and Answers Pdf Building and Construction Form 3 Questions and Answers Pdf Building and Construction Form 4 Questions and Answers Pdf Building and Construction Form Four Questions and Answers Pdf Building and Construction Form One Questions and Answers Pdf Building and Construction Form Three Questions and Answers Pdf Building and Construction Form Two Questions Based to Introduction to Building and Construction Questions on Gaseous Exchange in Humans Questions on Introduction to Building and Construction Questions to Ask in Building and Construction Class Questions to Confuse Your Building and Construction Teacher Quizlet Building and Construction Test Quizlet Test Questions Qustions in Building and Construction and Answers Revision Revision Building and Construction Notes and Questions? Revision Quiz for Building and Construction for Form Three S.1 Building and Construction Questions S.2 Building and Construction Questions S.3 Building and Construction Questions S.4 Building and Construction Questions Sample Essays on Betrayal in the City School Building and Construction Notes Secondary Building and Construction Notes Secondary Building and Construction Notes Pdf Secondary Building and ConstructionNotes Pdf Senior 1 Building and Construction Notes Senior 2 Building and Construction Notes Senior 3 Building and Construction Notes Senior 4 Building and Construction Notes Senior 5 Building and Construction Notes Senior 6 Building and Construction Notes Senior Five Building and Construction Notes Senior Four Building and Construction Notes Senior One Building and Construction Notes Senior Six Building and Construction Notes Senior Three Building and Construction Notes Senior Two Building and Construction Notes Simple Scientific Questions Smart Questions to Ask a Building and Construction Teacher Snab Building and Construction Revision Notes Southwest Mock Paper 2 2016 Building and Construction Only Spm Building and Construction Revision Notes Spm Notes Success Building and Construction Spm Pdf Success Building and ConstructionSpm Pdf Summary of Building and Construction Form 3 Tahossa Past Papers To Motivate a Form 4 KCSE Student To Motivate a Form 4 Student Topical Revision Material Tricky Building and Construction Questions and Answers Tricky Building and Construction Questions for Adults Tricky Building and Construction Questions With Answers Tricky Building and Construction Quiz Questions Two Building and Construction Revision Questions University Building and Construction Volume 3 Openstax University Building and Construction Volume 3 Pdf University Building and Construction Volume 4 Pdf Ur Revision Guide IGCSE Building and Construction What Are the Types of Gametes Working of Excretory System Www.Building and Construction Form One Notes.com Www.Building and Construction From One KLB.com Www.form 1 Building and Construction.com Www.form 2 Building and Construction.com Www.form 3 Building and Construction.com Www.form 4 Building and Construction.com Www.form Four Building and Construction.com Www.form One Building and Construction.com Www.form Three Building and Construction.com Www.form Two Building and Construction.com Www.kusoma Notes Www.kusoma Revision Materials Www.kusoma.co.ke Building and Construction Notes Xtremepapers IGCSE Building and Construction Year 11 Building and Construction Z Notes Building and Construction IGCSE Znotes as Building and Construction 15 Common Building and Construction Questions From Form 1 15 Common Building and Construction Questions From Form 2 15 Common Building and Construction Questions From Form 3 15 Common Building and Construction Questions From Form 4 15 Common Building and Construction Questions From Form Four 15 Common Building and Construction Questions From Form One 15 Common Building and Construction Questions From Form Three 15 Common Building and Construction Questions From Form Two 150 Common Building and Construction Questions From Form 1 150 Common Building and Construction Questions From Form 2 150 Common Building and Construction Questions From Form 3 150 Common Building and Construction Questions From Form 4 150 Common Building and Construction Questions From Form Four 150 Common Building and Construction Questions From Form One 150 Common Building and Construction Questions From Form Three 150 Common Building and Construction Questions From Form Two 2019 KCSE Exams Building and Construction Papers 2019 KCSE Exams Papers 2020 KCSE Exams Building and Construction Papers 2021 KCSE Exams Building and Construction Papers Best Building and Construction Books for KCSE Knec Building and Construction Building and Construction 2 Topic Form Two Building and Construction Diagrams Building and Construction Form 1 and 2 Notes Building and Construction Form 1 Download Building and Construction Form 1 Notes Online Building and Construction Form 1 Notes Revision Building and Construction Form 1 Pastpapers and Marking Scheme Building and Construction Form 1 Questions and Answers Pdf Building and Construction Form 1 Revision Notes Building and Construction Form 1 Text Book Building and Construction Form 1 Text Book Notes Building and Construction Form 2 Download Building and Construction Form 2 Notes Building and Construction Form 2 Notes Online Building and Construction Form 2 Notes Revision Building and Construction Form 2 Pastpapers and Marking Scheme Building and Construction Form 2 Pdf Building and Construction Form 2 Questions and Answers Pdf Building and Construction Form 2 Revision Notes Building and Construction Form 2 Text Book Building and Construction Form 2 Text Book Notes Building and Construction Form 3 Download Building and Construction Form 3 Notes Online Building and Construction Form 3 Notes Revision Building and Construction Form 3 Pastpapers and Marking Scheme Building and Construction Form 3 Questions and Answers Pdf Building and Construction Form 3 Revision Notes Building and Construction Form 3 Text Book Building and Construction Form 3 Text Book Notes Building and Construction Form 4 Download Building and Construction Form 4 Notes Online Building and Construction Form 4 Notes Revision Building and Construction Form 4 Pastpapers and Marking Scheme Building and Construction Form 4 Questions and Answers Pdf Building and Construction Form 4 Revision Notes Building and Construction Form 4 Text Book Building and Construction Form 4 Text Book Notes Building and Construction Form Four Download Building and Construction Form Four Notes Online Building and Construction Form Four Notes Revision Building and Construction Form Four Pastpapers and Marking Scheme Building and Construction Form Four Questions and Answers Pdf Building and Construction Form Four Revision Notes Building and Construction Form Four Text Book Building and Construction Form Four Text Book Notes Building and Construction Form One Download Building and Construction Form One Notes Online Building and Construction Form One Notes Revision Building and Construction Form One Pastpapers and Marking Scheme Building and Construction Form One Questions and Answers Building and Construction Form One Questions and Answers Pdf Building and Construction Form One Revision Notes Building and Construction Form One Text Book Building and Construction Form One Text Book Notes Building and Construction Form Three Download Building and Construction Form Three Notes Online Building and Construction Form Three Notes Revision Building and Construction Form Three Pastpapers and Marking Scheme Building and Construction Form Three Questions and Answers Pdf Building and Construction Form Three Revision Notes Building and Construction Form Three Text Book Building and Construction Form Three Text Book Notes Building and Construction Form Two Download Building and Construction Form Two Notes Online Building and Construction Form Two Notes Revision Building and Construction Form Two Pastpapers and Marking Scheme Building and Construction Form Two Questions and Answers Pdf Building and Construction Form Two Revision Notes Building and Construction Form Two Text Book Building and Construction Form Two Text Book Notes Building and Construction Full Exam Papers Building and Construction K.C.S.E Revision Papers Building and Construction KCSE Revision Building and Construction Notes Book Four Building and Construction Notes Book One Building and Construction Notes Book Three Building and Construction Notes Book Two Building and Construction Notes Form 2 Building and Construction Questions and Answers for High Schools Pdf Building and Construction Questions and Answers Form 1 Building and Construction Questions and Answers Form 2 Building and Construction Questions and Answers Form 3 Building and Construction Short Note for Revising Form 1 Building and Construction Short Note for Revising Form 2 Building and Construction Short Note for Revising Form 3 Building and Construction Short Note for Revising Form 4 Building and Construction Short Note for Revising Form Four Building and Construction Short Note for Revising Form One Building and Construction Short Note for Revising Form Three Building and Construction Short Note for Revising Form Two Building and Construction Short Notes Form 1 Building and Construction Short Notes Form 2 Building and Construction Short Notes Form 3 Building and Construction Short Notes Form 4 Building and Construction Short Notes Form Four Building and Construction Short Notes Form One Building and Construction Short Notes Form Three Building and Construction Short Notes Form Two Building and Construction Form 2 Questions and Answers Pdf Brief Notes Building and Construction Form 1 Brief Notes Building and Construction Form 2 Brief Notes Building and Construction Form 3 Brief Notes Building and Construction Form 4 Brief Notes Building and Construction Form Four Brief Notes Building and Construction Form One Brief Notes Building and Construction Form Three Brief Notes Building and Construction Form Two Brief Notes Building and Construction Form3 Chapter1 Download Book 1 Building and Construction Notes Download Book 2 Building and Construction Notes Download Book 3 Building and Construction Notes Download Book 4 Building and Construction Notes Download Book Four Building and Construction Notes Download Book One Building and Construction Notes Download Book Three Building and Construction Notes Download Book Two Building and Construction Notes Download Book1 Building and Construction Notes Download Book2 Building and Construction Notes Download Book3 Building and Construction Notes Download Book4 Building and Construction Notes Download KCSE Building and Construction Study Notes Download Secondary Subjects Download Secondary Subjects in Kenya Download Secondary Subjects KCSE Exams Revision Kenya Exams Revision Kenya KCSE Expected Questions and Answers in Building and Construction Form One Form 2 Building and Construction Notes Form 2 Building and Construction Notes Pdf Form 2 Building and Construction Topics Form 3 Building and Construction Book Pdf Form Iii Topics of Building and Construction Revisios How to Answer Building and Construction Paper 1 Questions? How to Answer Building and Construction Paper 2 Questions? How to Answer Building and Construction Paper 3 Questions? How to Answer KCSE Building and Construction Paper 1 Questions? How to Answer KCSE Building and Construction Paper 2 Questions? How to Answer KCSE Building and Construction Paper 3 Questions? How to Answer Paper 1 Building and Construction Questions? How to Answer Paper 2 Building and Construction Questions? How to Answer Paper 3 Building and Construction Questions? K.C.S.E Revision Papers K.C.S.E Revision Papers Building and Construction KCSE Building and Construction Essay Questions and Answers Pdf KCSE Building and Construction Revisions KCSE Building and Construction Study Notes KCSE Free Building and Construction Qussions KCSE Free Qussions KCSE Revision Kenya KCSE Revisions Building and Construction Form Two Questions Revision Kenya Revision Kenya Kcsse Sammary Note for Building and Construction Form 1 Sammary Note for Building and Construction Form 2 Sammary Note for Building and Construction Form 3 Sammary Note for Building and Construction Form 4 Sammary Note for Building and Construction Form Four Sammary Note for Building and Construction Form One Sammary Note for Building and Construction Form Three Sammary Note for Building and Construction Form Two Www.last Year KCSE Exams.com