2017 Power Mechanics - Paper 2
Station 2
In the space below, sketch in good proportion an exploded view of the piston-connecting rod assembly.
Label any six parts. (10 marks)
Station 2
Instructions
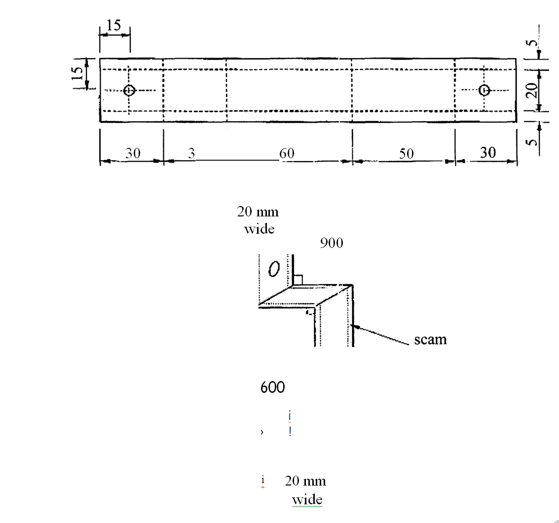
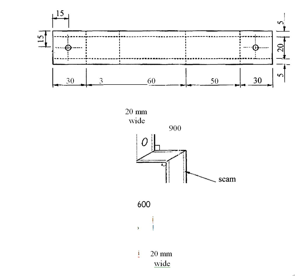
Using the tools, equipment and materials provided, make the handle shown in Figure 1. (10 marks)

Identify the items labelled A, B, C, D and E. For each item, state the material it is made of and one use in a motor vehicle. Complete the table below. (10 marks)

* Using the tools, equipment and the single cylinder engine provided, carry out the dry compression test. Make a comment about the readings obtained to the examiner. (10 marks)
Station 5
Using the materials and components provided, connect the four lamp lighting circuits such that each lamp gives maximum illumination. Let the examiner see your work. (10 marks)
Station 6
Using the tools and materials provided, cut the gasket to fit the surface of the component provided, cut the gasket to fit the surface of the component provided. (10 marks)
Station 7
Name the parts labelled V, W, X, Y and Z. For each part, identify one defect and state its effect on vehicle operation. (10 marks)

Dismantle the oil pump provided. Measure and record the following;
(i) Rotor body clearance
(ii) Rotor tip clearance
Re-assemble the pump and test it for functionality. (10 marks)
Station 9
On the single cylinder engine provided,
(a) Remove the exhaust valve and replace it with the one provided. Let the examiner check your work.
(b) Measure and record exhaust valve clearance
Station 10
On the multi-cylinder engine provided, carry out the following tasks:
(a) Remove spark plug for cylinder number 2;
(b) Check its condition and explain to the examiner;
(c) Service the spark plug;
(d) Replace the spark plug. (10 marks)
KCSE Past Papers 2017 Power Mechanics Paper 2
Station 1



Kenya Scholarships for Undergraduate Students » Kenya Scholarships for Postgraduate Students » Undergraduate Scholarships for Kenyan Students » Kenya Undergraduate Scholarships » Full Undergraduate Scholarships for Kenyans » Kenya Postgraduate Scholarships » Scholarships & Grants » Undergraduate Scholarships » Universities in Kenya » Kenya Universities and Colleges Central Placement Service (KUCCPS) » Colleges in Kenya » KASNEB Registration & Results » Secondary Schools Scholarships in Kenya » Undergraduate & Graduate Scholarships for Kenyans
Scholarships for African Students » Undergraduate Scholarships » African Women Scholarships & Grants » Developing Countries Scholarships » Erasmus Mundus Scholarships for Developing Countries » Fellowship Programs » Funding Grants for NGOs » Government Scholarships » LLM Scholarships » MBA Scholarships » PhD and Masters by Research Scholarships » Public Health Scholarships - MPH Scholarships » Refugees Scholarships » Research Grants » Scholarships and Grants
Scholarships in Australia » Scholarships in Belgium » Scholarships in Canada » Scholarships in Germany » Scholarships in Italy » Scholarships in Japan » Scholarships in Korea » Scholarships in Netherlands » Scholarships in UK » Scholarships in USA
Scholarship 2026/27
Current Scholarships 2026/2027 - Fully Funded
Full Undergraduate Scholarships 2026 - 2027
Fully Funded Masters Scholarships 2026 - 27
PhD Scholarships for International Students - Fully Funded!
Funding Opportunities for Journalists 2026/2027
Funding for Entrepreneurs 2026/2027
***