KCSE Past Papers 2017 Electricity  Paper 2 

Click Here - Free KCSE Past Papers » KCSE Past Papers 2017 Electricity Paper 2 » Free Downloads » KCSE Papers & Marking Schemes

KCSE Past Papers 2017 Electricity Paper 2

2017 Electricity - Paper 2

1 Using materials, components and equipment provided, perform the following tasks.

(a) Connect the circuit shown in Figure 1.

Let the examiner check your work. (3 marks)

Figure 1

(b) Close switch S and adjust the power supply to obtain values of voltage shown in Table 1 for each voltage obtained measure and record in the table the corresponding values of current. (6 marks)

(c) Use the values in Table 1 and draw a graph of current against voltage.

(d) Determine the gradient of the graph.

(e) Name the quantity expressed by the gradient of the graph. (5 marks)

Exercise 2

2. Use the materials, tools and equipment provided to make the battery holder shown in Figure 2.

tools, equipment and materials provided to make the bracket shown in Figure 2. (20 marks)

Exercise 3

3 Use the tools, equipment and materials provided to carry out the following tasks:

(a) Terminate the three-core flexible cable to the top plug and the iron box. (15 marks)

(b) Turn the thermostat switch to ON position, measure and record the values of resistance between;

(i) Live and Neutral at plug .. . H

(ii) Live and earth at plug. f2

(iii) Earth at plug and iron box body n

(iv) Neutral at plug and at iron box...... fl (5 marks)

Exercise 4

4 Using the pre-fabricated circuit provided in Figure 3, perform the following tasks.

Figure 3

(a) With the power supply OFF

(i) Connect the milliameter between A and B. (Observe the polarity) (1 mark)

(ii) Connect the voltmeter between C and D. (Observe the polarity) Let the examiner check your work.

(b) With power supply ON (2 marks)

Adjust the variable resistor to obtain current values in Table 2 and in each case measure and record the corresponding values of voltage. (10 marks)

(c) (i) Plot the graph of current against voltage.

(ii) Use the graph to determine the value of current when the voltage is 5.0 V (7 marks)

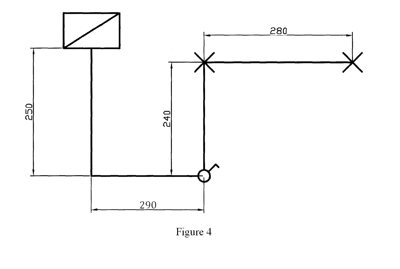
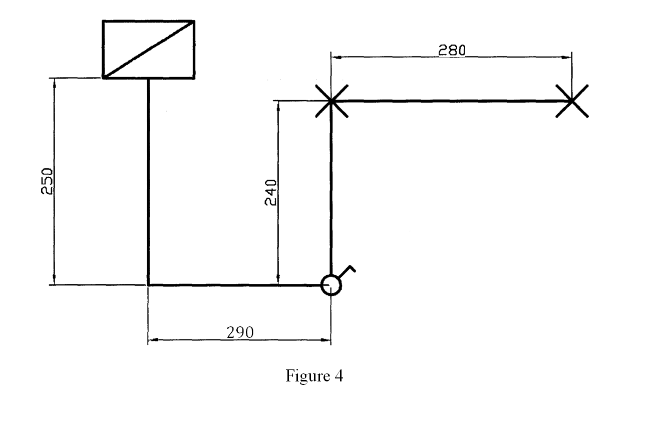
Exercise 5

5 Figure 4 shows the layout of a final circuit. Using PVC sheathed cable wiring system, install the lamps to be controlled by the one way switch. (20 marks)

Marking Scheme

2017 Electricity - Paper 2

KCSE Results » KCSE Results Top 100 Schools - Kenya Certificate of Secondary Education – KCSE » KCSE Top 100 Candidates » Kenya Certificate of Secondary Education – KCSE » KNEC - Kenya National Examinations Council » Secondary Schools in Kenya » KNEC - Kenya National Examinations Council » Free KNEC KCSE Past Papers

Kenya Scholarships for Undergraduate Students » Kenya Scholarships for Postgraduate Students » Undergraduate Scholarships for Kenyan Students » Kenya Undergraduate Scholarships » Full Undergraduate Scholarships for Kenyans » Kenya Postgraduate Scholarships » Scholarships & Grants » Undergraduate Scholarships » Universities in Kenya » Kenya Universities and Colleges Central Placement Service (KUCCPS) » Colleges in Kenya » KASNEB Registration & Results » Secondary Schools Scholarships in Kenya » Undergraduate & Graduate Scholarships for Kenyans

Scholarships for African Students » Undergraduate Scholarships » African Women Scholarships & Grants » Developing Countries Scholarships » Erasmus Mundus Scholarships for Developing Countries » Fellowship Programs » Funding Grants for NGOs » Government Scholarships » LLM Scholarships » MBA Scholarships » PhD and Masters by Research Scholarships » Public Health Scholarships - MPH Scholarships » Refugees Scholarships » Research Grants » Scholarships and Grants

Scholarships in Australia » Scholarships in Belgium » Scholarships in Canada » Scholarships in Germany » Scholarships in Italy » Scholarships in Japan » Scholarships in Korea » Scholarships in Netherlands » Scholarships in UK » Scholarships in USA

KCSE Past Papers 2017 Electricity  Paper 2

"Pdf" Revision Questions Electricity Form 2 "Pdf" Revision Questions Electricity Form 3 "Pdf" Revision Questions Electricity Form 4 "Pdf" Revision Questions Electricity Form Four "Pdf" Revision Questions Electricity Form One "Pdf" Revision Questions Electricity Form Three "Pdf" Revision Questions Electricity Form Two 1 a a KCSE Past Papers 10th Grade Electricity Questions and Answers 10th Grade Electricity Test 11th Ncert Electricity 12th Class Electricity Book Free Download 2014 KCSE Marking Schemes 2014 Pdf KCSE Past Papers 2015 2015 Electricity Essay Questions and Answers Form 4 2016 KCSE Papers 2016 KCSE Prediction Questions 2017 Electricity Hsc Answers 2017 KCSE Prediction Questions 2018 Electricity KCSE Leakage 2018 Electricity KCSE Questions 2018 KCSE Busineness Studies 2018 KCSE Exam 2018 KCSE Leakage 2018 KCSE Prediction Questions 2018 KCSE Questions 2019 Electricity KCSE Leakage 2019 Electricity KCSE Questions 2019 KCSE Leakage 2019 KCSE Questions 9th Grade Electricity Study Guide A a a Electricity Notes a a a Electricity Notes! a a a ElectricityNotes! A a KCSE Past Papers A Biblical View of Social Justice A Level Electricity Biological Molecules Questions A Level Electricity Exam Questions by Topic A Level Electricity Notes Edexcel A Level Electricity Notes Xtremepapers A Level Electricity Past Papers A Level Electricity Questions and Answers a Level Electricity Questions and Answers A Level Electricity Questions and Answers (Pdf) A Level Electricity Questions and Answers Pdf A Level Electricity Questions by Topic Kidney Questions With Markschemes A Level Electricity Revision A Level Electricity Revision Edexcel A Level Electricity Revision Guide A Level Electricity Revision Notes A Level Electricity Revision Notes Pdf A Level Electricity Textbook Pdf A Level Electricity Year 1 / as Aqa Exam Questions by Topic A Level Edexcel Notes a* Electricity aa Electricity Form 3 Questions and Answers Advance KCSE Past Papers Advance-africa.com KCSE Rev Quiz Advantages and Disadvantages. All Electricity Essays All Electricity Notes for Senior Two All KCSE Past Papers Electricity With Making Schemes All Marking Schemes Questions and Answers All Past K.c.s.e Questions With Answers Alliance Mocks 2017 Ap Bio Quizzes Ap Electricity 1 Textbook Pdf Ap Electricity Essay Questions and Answers Are Sourced From KNEC. As Level Electricity Notes Atika Electricity Notes Atika School Electricity Notes B/s Book 2 Notes Basic Electricity Books Pdf basic Electricity Interview Questions and Answers Pdf Basic Electricity Interview Questions and Answers Pdf Basic Electricity Pdf Basic Electricity Questions and Answers Basic Electricity Questions and Answers Pdf Bbc Bitesize Electricity Ks3 Bihar Board Electricity Objective Answer 2017 Bihar Board Electricity Objective Answer 2018 Bio Answers Bio Quesions Electricity 0478 Electricity 101 Electricity 12th Electricity 12th Class Notes Pdf Electricity 2019 Syllabus Electricity All KCSE Short Notes Electricity Answers Electricity Answers Online Free Electricity Answers Quizlet Electricity Bk 2 Notes Electricity Book 1 Electricity Book 1 Notes Electricity Book 2 Electricity Book 2 Notes Electricity Book 3 Electricity Book 3 KLB Electricity Book 3 Notes Electricity Book 4 Electricity Book 4 Notes Electricity Book 4 Pdf Electricity Book for Class 11 Electricity Book Four Electricity Book Four Notes Electricity Book One Electricity Book One Notes Electricity Book Pdf Free Download Electricity Book Three Electricity Book Three Notes Electricity Book Three Pdf Electricity Book Two Electricity Book Two Notes Electricity Books Form Three Electricity Bowl Electricity Study Guide Electricity Bowl Questions Electricity Electricity Bowl Questions Earth Electricity Electricity Bowl Questions Math Electricity Bowl Questions Middle School Electricity Brekthrough Form Two Notes Electricity Class 12 Ncert Solutions Electricity Class 12 Pdf Electricity Communication Syllabus Electricity Diagram Software Electricity Diagrams for Class 11 Electricity Diagrams for Class 12 Electricity Diagrams for Class 9 Electricity Diagrams for Class-10 Electricity Diagrams in Form 1 Electricity Diagrams in Form 2 Electricity Diagrams in Form 3 Electricity Diagrams in Form 4 Electricity Diagrams Pdf Electricity Diagrams to Label Electricity Essay Questions and Answers Electricity Essay Questions and Answers 2018 Electricity Essay Questions and Answers Form 1 Electricity Essay Questions and Answers Form 2 Electricity Essay Questions and Answers Form 3 Electricity Essay Questions and Answers Form 4 Electricity Essay Questions and Answers Form 4 Pdf Electricity Essay Questions and Answers Pdf Electricity Essay Revision Q Electricity Essays and Answers Electricity Essays Form One to Form Four Electricity Essays Form One to Form Three Electricity Essays KCSE Electricity Essays Pdf Electricity Exam 1 Multiple Choice Electricity Exam 2 Advance Electricity Exam 2 Test Electricity Exam 2016 Electricity Exam Form Four Electricity Exam Form One Electricity Exam Form Three Electricity Exam Form Two Electricity Exam Practice Test Electricity Exam Questions Electricity Exam Questions and Answers Electricity Exam Questions and Answers Pdf Electricity Exam Study Guide Electricity Exams Electricity Excretion Notes Electricity Exercise Form 4 With Answers Electricity Final Exam Answer Key Electricity Final Exam Answer Key 2016 Electricity Final Exam Answer Key 2017 Electricity Final Exam Answers 2018 Electricity Final Exam Answers 2019 Electricity Final Exam Questions and Answers Electricity Fom 1 Notes Electricity Fom 2 Notes Electricity Fom 3 Notes Electricity Fom 4 Notes Electricity Form 1 Electricity Form 1 & 2 and Answers Electricity Form 1 and 2 Essays Electricity Form 1 and 2 Essays Questions and Answers Electricity Form 1 Chapter 1 Electricity Form 1 Diagrams Electricity Form 1 Exams Electricity Form 1 Mid Year Exam Electricity Form 1 Notes Electricity Form 1 Notes and Questions Electricity Form 1 Notes Download Electricity Form 1 Notes Free Download Electricity Form 1 Notes GCSE Electricity Form 1 Notes KCSE-kcse Electricity Form 1 Notes Pdf Electricity Form 1 Notes Pdf Download Electricity Form 1 Past Papers Electricity Form 1 Pdf Electricity Form 1 Pressure Electricity Form 1 Question Papers Electricity Form 1 Questions Electricity Form 1 Questions and Answers Electricity Form 1 Questions and Answers Pdf Electricity Form 1 Quiz Electricity Form 1 Revision Questions Electricity Form 1 Summary Notes Electricity Form 1 Syllabus Electricity Form 1 Work Electricity Form 1-4 Notes Electricity Form 2 Electricity Form 2 Chapter 1 Electricity Form 2 Chapter 2 Electricity Form 2 Diagrams Electricity Form 2 Exam Paper 2014 Electricity Form 2 Exams Electricity Form 2 Notes Electricity Form 2 Notes and Questions Electricity Form 2 Notes GCSE Electricity Form 2 Notes KCSE-kcse Electricity Form 2 Notes Pdf Electricity Form 2 Notes Pdf Download Electricity Form 2 Past Papers Electricity Form 2 Pdf Electricity Form 2 Question Papers Electricity Form 2 Questions Electricity Form 2 Questions and Answers Electricity Form 2 Questions and Answers Pdf Electricity Form 2 Quiz Electricity Form 2 Revision Notes Electricity Form 2 Salts Electricity Form 2 Structure and Bonding Electricity Form 2 Summary Notes Electricity Form 2 Syllabus Electricity Form 2 Work Electricity Form 3 Electricity Form 3 and 4 Essays Electricity Form 3 and 4 Essays Questions and Answers Electricity Form 3 Chapter 3 Electricity Form 3 Classification Electricity Form 3 Diagrams Electricity Form 3 Ecology Electricity Form 3 Exams Electricity Form 3 Notes Electricity Form 3 Notes and Questions Electricity Form 3 Notes GCSE Electricity Form 3 Notes KCSE-kcse Electricity Form 3 Notes Pdf Electricity Form 3 Notes Pdf Download Electricity Form 3 Notes Topic 1 Electricity Form 3 Past Papers Electricity Form 3 Pdf Electricity Form 3 Question Papers Electricity Form 3 Questions Electricity Form 3 Questions and Answers Electricity Form 3 Questions and Answers Pdf Electricity Form 3 Questions and Answers Term 3 Electricity Form 3 Questions and Answers+pdf Electricity Form 3 Quiz Electricity Form 3 Revision Notes Electricity Form 3 Revision Questions Electricity Form 3 Summary Notes Electricity Form 3 Syllabus Electricity Form 3 Syllabus Pdf Electricity Form 3 Topics Electricity Form 3 Work Electricity Form 4 Electricity Form 4 All Chapter Electricity Form 4 Chapter 1 Conversion of Units Electricity Form 4 Chapter 1 Exercise Electricity Form 4 Chapter 1 Exercise and Answers Electricity Form 4 Chapter 1 Exercise Pdf Electricity Form 4 Chapter 1 Mind Map Electricity Form 4 Chapter 2 Electricity Form 4 Chapter 2 Exercise and Answers Electricity Form 4 Chapter 2 Exercise Pdf Electricity Form 4 Chapter 2 Experiment Electricity Form 4 Chapter 2 Formula Electricity Form 4 Chapter 2 Mind Map Electricity Form 4 Chapter 2 Momentum Electricity Form 4 Chapter 2 Notes Pdf Electricity Form 4 Chapter 2 Objective Questions and Answers Electricity Form 4 Chapter 2 Paper 2 Electricity Form 4 Chapter 2 Slideshare Electricity Form 4 Chapter 3 Electricity Form 4 Chapter 3 Questions and Answers Electricity Form 4 Chapter 4 Electricity Form 4 Chapter 4 Notes Pdf Electricity Form 4 Chapter 5 Light Questions and Answers Electricity Form 4 Chapter 5 Notes Pdf Electricity Form 4 Diagrams Electricity Form 4 Exam Paper 1 Electricity Form 4 Exams Electricity Form 4 Exercise Electricity Form 4 Exercise Pdf Electricity Form 4 Module With Answer Electricity Form 4 Note Electricity Form 4 Notes Electricity Form 4 Notes (Pdf) Electricity Form 4 Notes All Chapter Pdf Electricity Form 4 Notes and Questions Electricity Form 4 Notes Chapter 1 Electricity Form 4 Notes Chapter 2 Electricity Form 4 Notes Chapter 3 Electricity Form 4 Notes Download Electricity Form 4 Notes Free Download Electricity Form 4 Notes GCSE Electricity Form 4 Notes KCSE-kcse Electricity Form 4 Notes Pdf Electricity Form 4 Notes Pdf Download Electricity Form 4 Paper 2 Questions and Answers Electricity Form 4 Past Papers Electricity Form 4 Question Papers Electricity Form 4 Questions Electricity Form 4 Questions and Answers Electricity Form 4 Questions and Answers Pdf Electricity Form 4 Quiz Electricity Form 4 Revision Notes Electricity Form 4 Schemes of Work Electricity Form 4 Summary Notes Electricity Form 4 Syllabus Electricity Form 4 Textbook Pdf Electricity Form 4 Work Electricity Form 5 Chapter 1 Exercise and Answers Electricity Form 5 Chapter 1 Notes Pdf Electricity Form 5 Chapter 2 Notes Pdf Electricity Form 5 Chapter 2 Slideshare Electricity Form 5 Chapter 3 Notes Pdf Electricity Form 5 Notes Pdf Electricity Form Four Book Electricity Form Four Notes Electricity Form Four Notes and Questions Electricity Form Four Notes GCSE Electricity Form Four Notes Pdf Electricity Form Four Past Papers Electricity Form Four Questions Electricity Form Four Questions and Answers Electricity Form Four Questions and Answers Pdf Electricity Form Four Quiz Electricity Form Four Study Notes Electricity Form Four Syllabus Electricity Form Four Topic 2 Electricity Form Four Topic 4 Electricity Form Four Topics Electricity Form Four Work Electricity Form One Electricity Form One Book Electricity Form One Book Pdf Electricity Form One Download Topic 1 Upto 3 Electricity Form One Exam Electricity Form One Notes Electricity Form One Notes and Questions Electricity Form One Notes GCSE Electricity Form One Notes Pdf Electricity Form One Pdf Electricity Form One Questions Electricity Form One Questions and Answers Electricity Form One Questions and Answers Pdf Electricity Form One Questions and Their Answers Electricity Form One Quiz Electricity Form One Revision Question Electricity Form One Schemes of Work Electricity Form One Study Notes Electricity Form One Syllabus Electricity Form One Term Three Test Electricity Form One to Three Notes Electricity Form One Work Electricity Form Three Electricity Form Three Book Electricity Form Three Notes Electricity Form Three Notes and Questions Electricity Form Three Notes GCSE Electricity Form Three Questions and Answers Electricity Form Three Questions and Answers Pdf Electricity Form Three Quiz Electricity Form Three Reproduction Electricity Form Three Reproduction. Electricity Form Three Study Notes Electricity Form Three Work Electricity Form Three-questions and Answers Electricity Form Two Electricity Form Two Book Electricity Form Two Diagrams Electricity Form Two Notes Electricity Form Two Notes and Questions Electricity Form Two Notes GCSE Electricity Form Two Notes Pdf Electricity Form Two Notes-pdf Electricity Form Two Pdf Electricity Form Two Questions Electricity Form Two Questions and Answers Electricity Form Two Questions and Answers Pdf Electricity Form Two Quiz Electricity Form Two Study Notes Electricity Form Two Topics Electricity Form Two Work Electricity Form Two,schemes of Work Electricity Form2 Electricity Form2 Textbook Electricity Game Form Four Question End Answers Electricity Grade 10 Exam Papers Electricity Hsc Pdf Electricity Human Reproduction Video Electricity IGCSE Past Papers Xtremepapers Electricity K.c.s.e 2017 Electricity KCSE Electricity KCSE 2016 Electricity KCSE 2017 Electricity KCSE 2017 Paper 1 Electricity KCSE Past Papers Electricity KCSE Questions Electricity KCSE Questions and Answer Electricity KCSE Quizzes & Answers Electricity KCSE Revision Electricity KCSE Revision Notes Electricity KCSE Setting Questions Form One and Two Electricity Ksce 2015 Electricity Last Year K.c.s.e Questions Electricity Lesson Plan Form Two Electricity Made Familiar Electricity Mcq for Class 11 Electricity Mcq for Class 12 Electricity Mcq for Competitive Exams Electricity Mcq for Competitive Exams Pdf Electricity Mcq for Neet Pdf Electricity Mcq for Ssc Electricity Mcq Questions With Answers Electricity Mcq With Answers Pdf Electricity Mcqs for Class 12 Pdf Electricity Mcqs With Answers Pdf Electricity Mid Familia Form One Electricity Mock Papers Electricity Module Form 5 Electricity Multiple Choice Questions and Answers Cxc Electricity Multiple Choice Questions and Answers Pdf Electricity Multiple Choice Questions With Answers Pdf Electricity Note Electricity Note Form Two All Chapters Electricity Notes Electricity Notes and Guestion and Answear Electricity Notes and Syllabus Electricity Notes Class 10 Electricity Notes for Class 11 Pdf Electricity Notes for Class 12 Pdf Electricity Notes for High School Students Electricity Notes for IGCSE 2014 Electricity Notes Form 1 Electricity Notes Form 1 4 Electricity Notes Form 1 Free Download Electricity Notes Form 1 KLB Electricity Notes Form 1 Pdf Electricity Notes Form 1-4 Electricity Notes Form 1-4(1) Electricity Electricity Notes Form 14 Electricity Notes Form 2 Electricity Notes Form 2 KLB Electricity Notes Form 2 Pdf Electricity Notes Form 2; Electricity Notes Electricity Notes Form 3 Electricity Notes Form 3 KLB Electricity Notes Form 3 Pdf Electricity Notes Form 4 Electricity Notes Form 4 Chapter 2 Electricity Notes Form 4 KLB Electricity Notes Form 4 Pdf Electricity Notes Form 4-pdf Electricity Notes Form Four Electricity Notes Form Four KLB Electricity Notes Form Four Pdf Electricity Notes Form One Electricity Notes Form One KLB Electricity Notes Form One Pdf Electricity Notes Form One to Form Four Electricity Notes Form Three Electricity Notes Form Three KLB Electricity Notes Form Three Pdf Electricity Notes Form Two Electricity Notes Form Two KLB Electricity Notes Form Two Pdf Electricity Notes Form2 Electricity Notes IGCSE Electricity Notes Kenya Electricity Notes on Agroforestry Electricity Notes Pdf Electricity Notes: Electricity Objective Answer Electricity Objective Answer 2018 Electricity Objective Questions for Competitive Exams Electricity Objective Questions for Competitive Exams Pdf Electricity Oral Exam Questions Electricity Paper 1 Electricity Paper 1 2018 Marking Rules Electricity Paper 1 Notes Electricity Paper 1 Questions Electricity Paper 1 Questions and Answers Electricity Paper 1 Topics Electricity Paper 1 With Answers Electricity Paper 2 Electricity Paper 2 2017 Electricity Paper 2 2018 Marking Rules Electricity Paper 2 Questions and Answers Electricity Paper 2 Questions and Answers Pdf Electricity Paper 2 Revision Electricity Paper 2 Topics Electricity Paper 2018 Electricity Paper 3 2018 Marking Rules Electricity Paper 3 Question and Answer Electricity Paper 3 Question Paper 2014 KCSE Electricity Paper 3 Question Paper 2015 KCSE Electricity Paper 3 Question Paper 2016 KCSE Electricity Paper 3 Question Paper 2017 KCSE Electricity Paper 3 Question Paper 2018 KCSE Electricity Paper 3 Questions and Answers Electricity Paper One Questions and Answers Electricity Paper One Topics Electricity Paper Two Qestions With Answers Electricity Paper1 Electricity Paper2 Electricity Paper3 Electricity Paper4 Electricity Past Papers Electricity Past Papers 2017 Electricity Past Papers a Level Electricity Past Papers Form 1 Electricity Past Papers Form 2 Electricity Past Papers Form 3 Electricity Past Papers O Level Electricity Pdf Download Electricity Pp1 KCSE 2016 Electricity Practical Book Class 12 Pdf Electricity Practical Exam Electricity Practicals Form One Electricity Practicals Questions and Answers Electricity Practice Test 9th Grade Electricity Practice Test Answers Electricity Practice Test Questions and Answers Electricity Practice Test Quizlet Electricity Predicted Questions This Year KCSE Electricity Preparation Notes Electricity Pretest High School Pdf Electricity Question and Answer With Explanation Electricity Question and Answers 2019 Electricity Question and Answers 2020 Electricity Question and Answers 2021 Electricity Question and Answers 2022 Electricity Question and Answers Note Electricity Questions Electricity Questions and Answers Electricity Questions and Answers for High School Electricity Questions and Answers for High Schools Electricity Questions and Answers for High Schools Pdf Electricity Questions and Answers for Secondary Schools Electricity Questions and Answers Form 1 Electricity Questions and Answers Form 2 Electricity Questions and Answers Form 3 Electricity Questions and Answers Form 4 Electricity Questions and Answers Multiple Choice Electricity Questions and Answers Notes Electricity Questions and Answers O Electricity Questions and Answers Online Electricity Questions and Answers Pdf Electricity Questions and Answers Pdf for Class 12 Electricity Questions and Answers Pdf for Competitive Exams Electricity Questions and Answers-form 2 Electricity Questions for High School Electricity Questions for High School Students With Answers Electricity Questions for Senior 1 Electricity Questions for Senior 2 Electricity Questions for Senior 3 Electricity Questions for Senior 4 Electricity Questions for Senior 5 Electricity Questions for Senior 6 Electricity Questions for Senior Five Electricity Questions for Senior Four Electricity Questions for Senior One Electricity Questions for Senior Six Electricity Questions for Senior Three Electricity Questions for Senior Two Electricity Questions Form One Electricity Questions Multiple Choice Electricity Questions Quizlet Electricity Questions to Ask Your Teacher Electricity Quetion and Answer Form Four Electricity Quetion and Answer Form One Electricity Quetion and Answer Form Three Electricity Quetion and Answer Form Two Electricity Quiz for Class 9 Electricity Quiz for Class 9 Electricity Electricity Quiz Questions and Answers for Class 10 Electricity Quiz Questions and Answers for Class 10 Pdf Electricity Quiz Questions and Answers for Class 12 Electricity Quiz Questions and Answers for Class 9 Electricity Quiz Questions and Answers for Class 9 Pdf Electricity Quiz Questions and Answers for High School Electricity Quiz Questions and Answers Multiple Choice Electricity Quiz Questions and Answers Pdf Electricity Quiz Questions for Class 12 Electricity Quiz Questions for College Students Electricity Quiz With Answers Electricity Quiz With Answers Pdf Electricity Quizlet Electricity Revision Electricity Revision a Level Electricity Revision Electricity Notes Electricity Electricity Revision Exam Electricity Revision Examination Electricity Revision Form One Electricity Revision Notes Electricity Revision Notes Electricity Electricity Revision Notes Form 1 Electricity Revision Notes Form 2 Electricity Revision Notes Form 3 Electricity Revision Notes Form 4 Electricity Revision Notes IGCSE Electricity Revision Paper One Electricity Revision Questions Electricity Revision Questions and Answers Electricity Revision Questions and Answers Form 1 Electricity Revision Questions and Answers Form 2 Electricity Revision Questions and Answers Form 3 Electricity Revision Questions and Answers Form 4 Electricity Revision Questions and Answers Form Four Electricity Revision Questions and Answers Form One Electricity Revision Questions and Answers Form Three Electricity Revision Questions and Answers Form Two Electricity Revision Questions Form 1 Electricity Revision Questions Form 2 Electricity Revision Questions Form 3 Electricity Revision Questions Form 4 Electricity Revision Questions Form Four Electricity Revision Questions Form One Electricity Revision Questions Form Three Electricity Revision Questions Form Two Electricity Revision Quiz Electricity Revision Test Electricity Secondary School Revision Electricity Simple Notes Electricity Spm Notes Download Electricity Spm Notes Pdf Electricity Spm Questions Electricity Study Form 2 Electricity Study Guide Electricity Study Guide Answer Key Electricity Study Guide Answers Electricity Study Guide Electricity Questions and Answers Electricity Study Guide Ib Electricity Study Guide Pdf Electricity Study Guides Electricity Study Notes Electricity Study Notes Materials Form 1 Pdf Electricity Study Notes Materials Form 2 3 Pdf Electricity Study Notes Materials Form 2 Pdf Electricity Study Notes Materials Form 3 Pdf Electricity Study Notes Materials Form 4 Pdf Electricity Syllabus in Kenya Electricity Syllabus Pdf Electricity Test 1 Quizlet Electricity Test Questions Electricity Test Questions and Answers Electricity Test Questions and Answers Pdf Electricity Topic One Form Four Electricity Topics Form One Electricity Unit 1 Quiz Electricity Vol 3 Electricity | Revision Electricity Electricity,form 4 Electricity.form Four.topic Three ElectricityExam Form Three ElectricityModule Form 5 ElectricityNotes ElectricityNotes for Class 11 Pdf ElectricityNotes for Class 12 Pdf ElectricityNotes Form 1 ElectricityNotes Form 1 Free Download ElectricityNotes Form 2 ElectricityNotes Form 3 ElectricityNotes Form 3 Pdf ElectricityNotes IGCSE ElectricityNotes Pdf ElectricityPast Papers ElectricityQuestions and Answers Pdf ElectricitySimple Notes ElectricitySpm Notes Download ElectricitySpm Notes Pdf ElectricitySpm Questions ElectricityStudy Guide Answers ElectricityStudy Guide Pdf ElectricityStudy Guides Blologytextpapers Bridge Electricity Business Past KCSE Past Papers Business Studies Form 3 Notes Pdf Business Studies Form 4 Notes Pdf C R E Form One KLB C R E Form One Oli Topic C.r.e Form 1 Notes Kenya C.r.e Form 2 Notes Kenya C.r.e Form 3 Notes C.r.e Form 3 Notes Kenya C.r.e Form 3 Pdf C.r.e Form 4 Notes Kenya C.r.e Form One Notes Pdf C.r.e Notes Form 1 C.r.e Revision Notes C.r.e Short Notes Cambridge IGCSE Electricity Cambridge IGCSE Electricity 3rd Edition Cambridge IGCSE Electricity 3rd Edition Plus Cd South Asia Edition Cambridge IGCSE Electricity Answers Cambridge IGCSE Electricity Coursebook Pdf Download Cambridge IGCSE Electricity Practical Workbook Cambridge IGCSE Electricity Revision Guide Pdf Cambridge IGCSE Electricity Study and Revision Guide 2nd Edition Pdf Cambridge IGCSE Electricity Study and Revision Guide Pdf Cambridge IGCSE Electricity Workbook Free Download Cambridge IGCSE Electricity Workbook Pdf Cambridge IGCSE® Electricity Coursebook Caucasian Chalk Circle Essay Questions Chapter 1 Introduction to Electricity Chapter 1 Introduction to Electricity Studies Cie a Level Electricity Notes 2016 Cie a Level Electricity Notes Pdf Cie Past Papers Class 10 Electricity Chapter 1 Mcqs Class 8 Electricity Notes KCSE-kcse College Electricity Notes College Electricity Practice Test College Electricity Quiz College Electricity Quiz Chapter 1 College Electricity Quizlet College Electricity Study Guide College Electricity Study Guide Pdf College Electricity Test Questions and Answers College Electricity Volume 3 Pdf College ElectricityNotes Complete Electricity for Cambridge IGCSE Complete Electricity for Cambridge IGCSE Revision Guide Pdf County Mocks 2017 Cse Past Papers Electricity 2017 Dl Electricity Form 3 Pdf Kusoma Download Electricity Form 1 Download Electricity Form 2 Download Electricity Form 2 Notes Download Electricity Form 3 Download Electricity Form 3 Notes Download Electricity Form 4 Download Electricity Form Four Download Electricity Form One Download Electricity Form Three Download Electricity Form Two Download Electricity Notes Form 3 Download Electricity Notes Form One Download ElectricityNotes Form 3 Download Form Three Electricity Notes Download Free KCSE Past Papers Electricity Download Free KCSE Past Papers From KNEC. Download KCSE Past Papers With Answers Download KCSE Revision Notes Download KLB Electricity Book 2 Download KLB Electricity Book 3 Download KLB Electricity Book 4 Download Notes of Electricity Downloads | Electricity | Form Four Exams | Exams Downloads | Electricity | Form One Exams | Exams Downloads | Electricity | Form Three Exams | Exams Downloads | Electricity | Form Two Exams | Exams Downloads | KCSE Papers and Marking Schemes | Dvance KCSE Past Papers Easy Electricity Questions Edexcel a Level Electricity B Edexcel a Level Electricity Notes Pdf Edexcel a Level Electricity Salters Nuffield Edexcel A2 Electricity Notes Edexcel as Electricity Revision Guide Pdf Edexcel Electricity A2 Revision Notes Pdf Edexcel Electricity Unit 2 Revision Notes Edexcel GCSE Electricity Revision Guide Pdf Edexcel IGCSE Electricity Past Papers Edexcel IGCSE Electricity Revision Guide Free Pdf Download Edexcel IGCSE Electricity Revision Guide Pdf Edexcel IGCSE Electricity Revision Guide Pdf Download Electronics Form Four Notes Energy Questions Electricity Bowl Essay Questions and Answers KCSE Electricity Notes Essay Questions and Answers on Betrayal in the City Essay Questions Based on Betrayal in the City Evolving World Electricity Book 1 Pdf Evolving World Electricity Book 4 Notes Evolving World Electricity Book Form 1 Evolving World-history Book 3 Exam Notes for Electricity 101 Exams KCSE Electricity Paper 1 Questions and Answers F3 Electricity Test Paper Find Download KCSE Past Papers With Answers Find KCSE Electricity Essay Questions and Answers Form 1 Electricity Exam Form 1 Electricity Notes Form 1 Electricity Questions and Answers Form 1 Electricity Questions and Answers Pdf Form 1 Electricity Revision Notes Form 1 Electricity Summurized Revision Pdf Form 1 Electricity Syllabus Form 1 Electricity Test Paper Pdf Form 1 Electricity Topics Form 1 ElectricityNotes Form 1 ElectricityQuestions and Answers Form 1 ElectricityRevision Notes Form 1 ElectricitySyllabus Form 1 ElectricityTest Paper Pdf Form 1 Past Papers Form 1 Past Papers With Answers Form 1 Revision Papers Form 1 Subjects in Kenya Form 2 Electricity Exam Form 2 Electricity Exam Paper Form 2 Electricity Exam Paper 2016 Form 2 Electricity Exam Paper Free Download Form 2 Electricity Exam Paper With Answer Form 2 Electricity Final Year Exam Paper 2 Form 2 Electricity Notes Form 2 Electricity Notes and Revision Questions Form 2 Electricity Notes Pdf Form 2 Electricity Past Papers Form 2 Electricity Questions Form 2 Electricity Questions and Answers Form 2 Electricity Questions and Answers > Form 2 Electricity Questions and Answers Pdf Form 2 Electricity Revision Notes Form 2 Electricity Short Notes Form 2 Electricity Syllabus Form 2 ElectricityExam Paper Form 2 ElectricityExam Paper Free Download Form 2 ElectricityExam Paper With Answer Form 2 ElectricityFinal Year Exam Paper 2 Form 2 ElectricityPast Papers Form 2 ElectricityRevision Notes Form 2 ElectricityShort Notes Form 2 ElectricitySyllabus Form 2 Revision Papers Form 2 Subjects in Kenya Form 3 Electricity Book Form 3 Electricity Exam Form 3 Electricity Exam Paper Form 3 Electricity Notes Form 3 Electricity Past Papers Form 3 Electricity Questions Form 3 Electricity Questions and Answers Form 3 Electricity Questions and Answers Pdf Form 3 Electricity Revision Notes Form 3 Electricity Syllabus Form 3 ElectricityExam Paper Form 3 ElectricityNotes Form 3 ElectricityPast Papers Form 3 ElectricityQuestions Form 3 ElectricityQuestions and Answers Pdf Form 3 ElectricityRevision Notes Form 3 ElectricitySyllabus Form 3 C.r.e Form 3 Notes of Electricity Topic on Fish Form 3 Past Papers Form 3 Revision Papers Form 3 Subjects in Kenya Form 4 Electricity Exam Form 4 Electricity Notes Form 4 Electricity Notes Pdf Form 4 Electricity Questions and Answers Form 4 Electricity Questions and Answers Pdf Form 4 Electricity Revision Notes Form 4 Electricity Syllabus Form 4 Electricity Topics Form 4 ElectricityNotes Form 4 ElectricityRevision Notes Form 4 ElectricitySyllabus Form 4 ElectricityTopics Form 4 Exam Papers Form 4 Revision Papers Form 4 Subjects in Kenya Form 5 Electricity Topics Form 5 ElectricityTopics Form Five Electricity Notes Form Five ElectricityNotes Form Four Electricity Book Form Four Electricity Notes Form Four Electricity Notes Pdf Form Four Electricity Questions and Answers Form Four Electricity Questions and Answers Pdf Form Four Electricity Revision Questions Form Four Electricity Syllabus Form Four Electricity Topics Form Four ElectricityNotes Form Four ElectricityQuestions and Answers Form Four ElectricityQuestions and Answers Pdf Form Four ElectricityTopics Form Four Notes Form Four Revision Papers Form Four Subjects in Kenya Form One Electricity Book Form One Electricity Examination Form One Electricity First Topic Form One Electricity Lesson Plan Form One Electricity Notes Pdf Form One Electricity Past Papers Pdf Form One Electricity Questions Form One Electricity Questions and Answers Form One Electricity Questions and Answers Pdf Form One Electricity Revision Questions Form One Electricity Short Notes Form One Electricity Syllabus Form One Electricity Topics Form One ElectricityExamination Form One ElectricityPast Papers Pdf Form One ElectricityQuestions and Answers Form One ElectricityQuestions and Answers Pdf Form One ElectricityTopics Form One Exams Form One Notes of Electricity Form One Past Papers Form One Subjects in Kenya Form One Term One Electricity Exam Form One Term One ElectricityExam Form Three Electricity Book Form Three Electricity Book Pdf Form Three Electricity Notes Form Three Electricity Notes Pdf Form Three Electricity Questions and Answers Form Three Electricity Questions and Answers Pdf Form Three Electricity Revision Questions Form Three Electricity Syllabus Form Three Electricity Topics Form Three ElectricityNotes Form Three ElectricityNotes Pdf Form Three ElectricityQuestions and Answers Form Three ElectricityQuestions and Answers Pdf Form Three ElectricityTopics Form Three Subjects in Kenya Form Two Electricity Book Form Two Electricity Cat Form Two Electricity Examination Form Two Electricity Notes Form Two Electricity Notes Pdf Form Two Electricity Past Papers Form Two Electricity Questions and Answers Form Two Electricity Questions and Answers Pdf Form Two Electricity Revision Questions Form Two Electricity Syllabus Form Two Electricity Topics Form Two ElectricityNotes Form Two ElectricityNotes Pdf Form Two ElectricityQuestions and Answers Form Two ElectricityQuestions and Answers Pdf Form Two ElectricitySyllabus Form Two ElectricityTopics Form Two Notes Form Two Subjects in Kenya Free a-level Electricity Revision App | Pass Your Electricity Exams Free Electricity Form 1 Notes Free Electricity Notes Form 1 Free Electricity Notes Pdf Free ElectricityNotes Pdf Free College Electricity Practice Test Free Form1,form2,form3 Past Papers Free KCSE Past Papers Free KCSE Mocks 2015 Free KCSE Past Papers 2014 Free KCSE Past Papers KCSE Past Free KCSE Past Papers Kenya, Free KCSE Past Papers With Answers Free KCSE Questions and Answers on Electricity Free KCSE Revision Notes Free Marking Schemes Free Mocks Online KCSE Answers Past Exams Question Papers Free Revision Papers From Three Notes Topic One KLB Fun Electricity Questions Funny Electricity Questions Funny Electricity Questions and Answers Funny Electricity Questions to Ask Funny Electricity Quotes GCSE Electricity Exam Questions and Answers GCSE Electricity Past Papers GCSE Electricity Revision GCSE Electricity Revision Notes GCSE Electricity Revision Notes Pdf GCSE Electricity Revision Notes Pdf 9-1 GCSE Electricity Revision Questions and Answers GCSE Electricity Textbook Pdf GCSE Electricity Topics Pass My Exams: Easy Exam Revision Notes General Electricity Notes Pdf General Electricity Practice Test With Answers General Electricity Quiz General Electricity Quiz Pdf General Electricity Test Questions and Answers General Electricity Test Questions and Answers Pdf General Knowledge in Electricity Human Body Good Electricity Questions to Ask GRE Electricity Practice Test GRE Electricity Subject Test Pdf Handbook of Electricity Pdf Free Download Hard Electricity Questions Hard Electricity Questions and Answers Hard Electricity Questions to Ask Your Teacher Hard Electricity Quiz Questions Hard Form 3 Electricity Question High School Electricity Final Exam Doc High School Electricity Final Exam Pdf High School Electricity Final Exam Questions High School Electricity Final Exam Questions and Answers High School Electricity Notes High School Electricity Practice Test High School Electricity Pretest With Answers High School Electricity Questions and Answers Pdf High School Electricity Study Guide High School Electricity Test Questions and Answers Pdf High School ElectricityNotes High School ElectricityStudy Guide How to Answer KCSE Electricity Question How to Motivate a Form 4 Student How to Motivate a KCSE Candidate How to Motivate a KCSE Student How to Pass Electricity Questions & Answers Form 1&2 | Text Book How to Revise Electricity How to Revise Effectively for KCSE How to Study Electricity: 5 Study Techniques to Master Electricity Hsc Electricity 2018 Hsc Electricity 2019 Https://www.knec.ac.ke/ Www.knec-portal.ac.ke/ KNEC Portal: Ial Electricity Notes Ib Electricity Cold War Notes Ib Electricity Notes Ib Electricity Notes Pdf Ib Electricity of the Americas Notes Ib Electricity of the Americas Study Guide Ib Electricity Paper 2 Study Guide Ib Electricity Question Bank by Topic Ib Electricity Study Guide Pdf Ict Notes Form 1 IGCSE Electricity Alternative to Practical Revision IGCSE Electricity Alternative to Practical Revision Notes IGCSE Electricity Book IGCSE Electricity Book Pdf Download IGCSE Electricity Notes IGCSE Electricity Notes 2017 Pdf IGCSE Electricity Notes Edexcel IGCSE Electricity Paper 2 Notes IGCSE Electricity Paper 6 Notes IGCSE Electricity Past Papers IGCSE Electricity Past Papers 2014 IGCSE Electricity Past Papers 2017 IGCSE Electricity Pdf IGCSE Electricity Pre Release Material 2018 IGCSE Electricity Resources IGCSE Electricity Revision Guide IGCSE Electricity Revision Guide Free Download IGCSE Electricity Revision Guide Pdf Download IGCSE Electricity Revision Notes Pdf IGCSE Electricity Revision Worksheets IGCSE Electricity Workbook Pdf IGCSE Electricity Znotes IGCSE ElectricityPast Papers IGCSE Notes Electricity Importance of Agroforestry Inorganic Electricity Multiple Choice Questions With Answers Pdf Inorganic Electricity Questions and Answers Pdf Interesting Electricity Questions Interesting Electricity Questions and Answers Interesting Questions to Ask About Electricity Intro to Electricity Quiz Introduction of Electricity Form One Introduction to Electricity Introduction to Electricity Notes Introduction to Electricity Pdf Introduction to ElectricityNotes Is Agroforestry Sustainable? K.c.s.e Answers Electricity Paper One 2018 K.c.s.e Electricity 2017 K.c.s.e Electricity 2018 K.c.s.e Electricity Paper 1 2017 K.c.s.e Mocks 2018 K.c.s.e Papers 2015 K.c.s.e Papers 2016 K.c.s.e Past Papers 2014 K.c.s.e.Electricity Paper 2 Year 2018 K.c.s.e.results 2018 for Busia County K.l.b Electricity Form 3 K.l.b Electricity Notes K.l.b ElectricityNotes Kasneb Past Papers for Colleges Electricity Past Papers KCSE 2010 Marking Scheme KCSE 2010 Past Papers KCSE 2011 Electricity Paper 1 KCSE 2011 Marking Scheme KCSE 2012 Electricity Paper 2 Marking Scheme KCSE 2012 Marking Schemes KCSE 2013 Electricity Paper 1 KCSE 2013 Marking Scheme KCSE 2013 Marking Scheme Pdf KCSE 2014 KCSE 2015 Electricity Paper 2 KCSE 2015 Electricity Paper 3 KCSE 2015 Marking Scheme KCSE 2015 Past Papers KCSE 2016 Electricity Paper 1 KCSE 2016 Electricity Paper 2 KCSE 2017 Electricity Paper 1 KCSE 2017 Electricity Paper 2 KCSE 2017 Hostory Papers With Answers.com KCSE 2017 Marking Scheme KCSE 2017 Papers KCSE 2017 Papers and Marking Scheme KCSE 2017 Papers Pdf KCSE 2017 Past Papers KCSE 2017 Prediction Pdf KCSE 2018 Electricity and Answers KCSE 2018 Electricity Prediction KCSE 2018 Leakage KCSE 2018 Marking Scheme KCSE 2018 Papers KCSE 2018 Prediction Pdf KCSE 2018 Predictions KCSE 2018 Questions KCSE 2018 Questions and Answers KCSE 2019 Leakage Electricity KCSE 2019 Marking Scheme KCSE 2019 Questions KCSE 2019 Questions and Answers KCSE 2020 Questions KCSE 2020 Questions and Answers KCSE Answers KCSE Answers Past Exams Question Papers Downloads | KCSE Electricity 2011 KCSE Electricity 2016 KCSE Electricity Diagramsbiology Revision Tips KCSE Electricity Essay Questions and Answers KCSE Electricity Essay Questions and Answers Pdf KCSE Electricity Essays KCSE Electricity Essays Pdf KCSE Electricity Marking Schemes KCSE Electricity Notes KCSE Electricity Notes Pdf KCSE Electricity Notes, Syllabus, Questions, Answers KCSE Electricity Paper 1 KCSE Electricity Paper 1 2011 KCSE Electricity Paper 1 2012 KCSE Electricity Paper 1 2013 KCSE Electricity Paper 1 2015 KCSE Electricity Paper 1 2016 KCSE Electricity Paper 1 2017 KCSE Electricity Paper 1 2017 Pdf KCSE Electricity Paper 1 Questions and Answers KCSE Electricity Paper 2 KCSE Electricity Paper 2 2012 KCSE Electricity Paper 2 2012 KCSE Electricity Paper 2 2015 KCSE Electricity Paper 2 2013 KCSE Electricity Paper 2 2014 KCSE Electricity Paper 2 2015 KCSE Electricity Paper 2 2016 KCSE Electricity Paper 2 2017 KCSE Electricity Paper 3 KCSE Electricity Paper 3 2012 KCSE Electricity Paper 3 2016 KCSE Electricity Paper 3 2017 KCSE Electricity Paper 3 Past Papers KCSE Electricity Past Papers KCSE Electricity Past Papers and Answers KCSE Electricity Past Papers Pdf KCSE Electricity Practical KCSE Electricity Practical 2015 KCSE Electricity Practical 2016 KCSE Electricity Practical Past Papers KCSE Electricity Practicals KCSE Electricity Practicals KCSE Electricity Paper 1 KCSE Electricity Question and Answer KCSE Electricity Questions and Answers KCSE Electricity Questions and Answers Ap Electricity KCSE Electricity Revision KCSE Electricity Revision Notes KCSE Electricity Revision Papers KCSE Electricity Revision Questions KCSE Electricity Revision Questions and Answers KCSE Electricity Syllabus KCSE ElectricityNotes KCSE ElectricityPaper 1 KCSE ElectricityPaper 2 KCSE ElectricityPaper 2 Pdf KCSE ElectricitySyllabus KCSE Business Paper 1 2016 KCSE Business Past Papers KCSE Business Studies Past Papers KCSE Essay Questions in Betrayal in the City KCSE Essays KCSE Exam Papers 2018 KCSE Exam Papers Answers KCSE Form 1 Electricity Revision KCSE Form 2 Electricity Revision KCSE Form 3 Electricity Revision KCSE Form 4 Electricity Revision KCSE Form Four Electricity Revision KCSE Form One Electricity Revision KCSE Form Three Electricity Revision KCSE Form Two Electricity Revision KCSE KCSE Past Papers KNEC KCSE Leakage KCSE Leakage Electricity KCSE Made Familiar Electricity KCSE Made Familiar Electricity Pdf KCSE Marking Scheme 2016 KCSE Marking Schemes KCSE Marking Schemes 2017 KCSE Marking Schemes Pdf KCSE Mock Exams KCSE Mock Papers 2015 KCSE Mock Papers 2017 KCSE Mock Papers 2018 KCSE Mock Papers Pdf KCSE Mock Papers Pdf 2018 KCSE Mock Papers Pdf KCSE Past Papers KCSE Mocks 2017 KCSE Mocks 2018 KCSE Notes KCSE Online Notes KCSE Online Past Papers KCSE Online Registration KCSE Papers 2015 KCSE Papers and Marking Schemes | Exams KCSE Past Papers KCSE Past Papers 2007 KCSE Past Papers 2009 KCSE Past Papers 2010 KCSE Past Papers 2011 KCSE Past Papers 2011 Pdf KCSE Past Papers 2012 KCSE Past Papers 2013 KCSE Past Papers 2013knec KCSE Past Papers 2014 KCSE Past Papers 2014 Pdf KCSE Past Papers 2015 KCSE Past Papers 2015 Marking Schemes KCSE Past Papers 2015 Pdf KCSE Past Papers 2016 KCSE Past Papers 2016 Pdf KCSE Past Papers 2017 KCSE Past Papers 2017 Pdf KCSE Past Papers 2018 KCSE Past Papers Electricity KCSE Past Papers Electricity and Answers KCSE Past Papers Electricity Pdf KCSE Past Papers Electricity With Answers KCSE Past Papers Electricityand Answers KCSE Past Papers Business Studies and Answers KCSE Past Papers KCSE and Answers KCSE Past Papers KCSE and Answers Free Mocks Online KCSE Past Papers Marking Scheme KCSE Past Papers Pdf Download KCSE Past Papers Pdf Download KCSE 2013 KCSE Past Papers With Answers KCSE Past Papers Woodwork and Answers KCSE Prediction 2017 KCSE Prediction 2018 KCSE Prediction 2018 Pdf KCSE Prediction Papers 2018 KCSE Prediction Questions KCSE Prediction Questions 2018 KCSE Prediction Questions and Answers KCSE Questions KCSE Questions and Answers KCSE Questions and Answers. KCSE Questions on Electricity KCSE Results, Online Registration, KCSE Result Slip. KCSE Revision KCSE Revision Notes KCSE Revision Notes Electricity KCSE Revision Notes Pdf KCSE Revision Papers KCSE Revision Papers 2014 KCSE Revision Papers With Answers KCSE Revision Question for Electricity KCSE Revision Questions KCSE Revision Questions and Answers KCSE Revision | Secondary School | Text Books | Text Book Centre KCSE Syllabus Pdf KCSE Trial 2017 KCSE Trial Exams 2017 Kenya Secondary School Electricity Syllabus Kenya Secondary School Electricity Syllabus Pdf Kenya Secondary School ElectricitySyllabus Pdf Kenya Secondary School Syllabus Pdf Kenya-kcse-christian Religious Education Syllabus Kenyaplex KCSE Past Papers Kenyaplex Past Papers for Secondary KLB Electricity Book 1 Download KLB Electricity Book 1 Notes KLB Electricity Book 1 Pdf KLB Electricity Book 2 KLB Electricity Book 2 Notes KLB Electricity Book 2 Notes Pdf KLB Electricity Book 2 Pdf KLB Electricity Book 3 Notes KLB Electricity Book 3 Pdf KLB Electricity Book 3 Pdf Download KLB Electricity Book 4 Notes KLB Electricity Book 4 Pdf KLB Electricity Book 4 Pdf Download KLB Electricity Book 4 Topics KLB Electricity Book One KLB Electricity Form 1 KLB Electricity Form 1 Notes KLB Electricity Form 1 Pdf KLB Electricity Form 2 KLB Electricity Form 2 Book KLB Electricity Form 2 Notes KLB Electricity Form 2 Pdf KLB Electricity Form 2 Pdf Download KLB Electricity Form 2 Schemes of Work KLB Electricity Form 3 KLB Electricity Form 3 Notes KLB Electricity Form 3 Notes Pdf KLB Electricity Form 3 Pdf KLB Electricity Form 3 Pdf Download KLB Electricity Form 4 KLB Electricity Form 4 Notes KLB Electricity Form 4 Pdf KLB Electricity Form Four KLB Electricity Form Four Notes KLB Electricity Form One KLB Electricity Form One Notes KLB Electricity Form Three KLB Electricity Form Three Notes KLB Electricity Form Two KLB Electricity Form Two Notes KLB Electricity Notes KLB Electricity Notes Form 4 KLB Electricity Pdf KLB ElectricityNotes KLB ElectricityNotes Form 4 KLB ElectricityPdf KNEC Electricity Syllabus KNEC Examiners Portal KNEC Website KNEC Ict Past Papers KNEC Past Papers for Colleges KNEC Past Papers Free Download KNEC Past Papers Free Downloads KNEC Past Papers Pdf KNEC Portal Confirmation KNEC Portal KCSE Results KNEC Portal KNEC Past Papers for Colleges Kasneb Past Papers KNEC Revision Papers KNEC Technical Exams Past Papers Kusoma Electricity Notes Kusoma Electricity Notes Pdf Kusoma Notes Electricity Kusoma.co.ke Kusoma.com Past Papers Learner Guide for Cambridge IGCSE Electricity Longhorn Electricity Book 3 Pdf Made Familiar Electricity Made Familiar Electricity Pdf Made Familiar Electricity Questions Maktaba Tetea Notes Marking Scheme KCSE Electricity Past Papers Math Form2 Note Mcqs About Gaseous Exchange Middle School Electricity Bowl Electricity Questions Mock Past Papers 2017 Mock Past Papers With Answers Mokasa Mock 2017 More Than 1800 Electricity Questions and Answers to Help You Study Multiple Choice Questions on Electricity Necta Electricity Past Papers Necta Electricity Practicals Necta ElectricityPast Papers Necta ElectricityPracticals Necta Form Four Past Papers Necta Past Papers Form 4 Necta Past Papers Form 4 2016 Necta Past Papers Form Six Necta Past Papers Form Two Necta Questions and Answers Necta Review Questions Notes Electricity Form 1 Notes Electricity Form 2 Notes Electricity Form 3 Notes Electricity Form 3 Notes Pdf Notes Electricity Form 3 Syllabus Notes Electricity Form 4 Syllabus Notes on Electricity Studies Notes Za Electricity 4m 2 Notes Za Electricity Form One Notes Za Electricity Form Three O Level Electricity Practical Experiments O Level Electricity Questions and Answers Pdf Orm Three Electricity Notes Page Navigation Papacambridge Electricity IGCSE Papers KNEC KCSE Online Past Papers KNEC KCSE Results Past Papers Past KCSE Papers Past Paper Questions by Topic Electricity Past Papers 2014 Past Papers in Kenya Pdf Electricity Form 3 Pdf Electricity Notes Pdf Electricity Notes Form 1 Pdf Electricity Notes Form 2 Pdf Electricity Notes Form 3 Pdf Electricity Notes Form 4 Pdf Electricity Notes Form Four Pdf Electricity Notes Form One Pdf Electricity Notes Form Three Pdf Electricity Notes Form Two Pdf Form 1 Electricity Questions and Answers Pdf Form 2 Electricity Questions and Answers Pdf Form 3 Electricity Questions and Answers Pdf Form 4 Electricity Questions and Answers Pdf Form Four Electricity Questions and Answers Pdf Form One Electricity Questions and Answers Pdf Form Three Electricity Questions and Answers Pdf Form Two Electricity Questions and Answers Pdf Free KCSE Past Papers and Marking Schemes Pdf" Revision Questions Electricity Form 1 Practical Electricity Experiments Pdf Practical Electricity Question and Answer Pdf Pre Mocks 2018 Preliminary Electricity Primary and Secondary Tillage Implements Ppt Pte KNEC Past Papers Questions and Answers Pdf Electricity Form 1 Questions and Answers Pdf Electricity Form 2 Questions and Answers Pdf Electricity Form 3 Questions and Answers Pdf Electricity Form 4 Questions and Answers Pdf Electricity Form Four Questions and Answers Pdf Electricity Form One Questions and Answers Pdf Electricity Form Three Questions and Answers Pdf Electricity Form Two Questions Based to Introduction to Electricity Questions on Gaseous Exchange in Humans Questions on Introduction to Electricity Questions to Ask in Electricity Class Questions to Confuse Your Electricity Teacher Quizlet Electricity Test Quizlet Test Questions Qustions in Electricity and Answers Revision Revision Electricity Notes and Questions? Revision Quiz for Electricity for Form Three S.1 Electricity Questions S.2 Electricity Questions S.3 Electricity Questions S.4 Electricity Questions Sample Essays on Betrayal in the City School Electricity Notes Secondary Electricity Notes Secondary Electricity Notes Pdf Secondary ElectricityNotes Pdf Senior 1 Electricity Notes Senior 2 Electricity Notes Senior 3 Electricity Notes Senior 4 Electricity Notes Senior 5 Electricity Notes Senior 6 Electricity Notes Senior Five Electricity Notes Senior Four Electricity Notes Senior One Electricity Notes Senior Six Electricity Notes Senior Three Electricity Notes Senior Two Electricity Notes Simple Scientific Questions Smart Questions to Ask a Electricity Teacher Snab Electricity Revision Notes Southwest Mock Paper 2 2016 Electricity Only Spm Electricity Revision Notes Spm Notes Success Electricity Spm Pdf Success ElectricitySpm Pdf Summary of Electricity Form 3 Tahossa Past Papers To Motivate a Form 4 KCSE Student To Motivate a Form 4 Student Topical Revision Material Tricky Electricity Questions and Answers Tricky Electricity Questions for Adults Tricky Electricity Questions With Answers Tricky Electricity Quiz Questions Two Electricity Revision Questions University Electricity Volume 3 Openstax University Electricity Volume 3 Pdf University Electricity Volume 4 Pdf Ur Revision Guide IGCSE Electricity What Are the Types of Gametes Working of Excretory System Www.Electricity Form One Notes.com Www.Electricity From One KLB.com Www.form 1 Electricity.com Www.form 2 Electricity.com Www.form 3 Electricity.com Www.form 4 Electricity.com Www.form Four Electricity.com Www.form One Electricity.com Www.form Three Electricity.com Www.form Two Electricity.com Www.kusoma Notes Www.kusoma Revision Materials Www.kusoma.co.ke Electricity Notes Xtremepapers IGCSE Electricity Year 11 Electricity Z Notes Electricity IGCSE Znotes as Electricity 15 Common Electricity Questions From Form 1 15 Common Electricity Questions From Form 2 15 Common Electricity Questions From Form 3 15 Common Electricity Questions From Form 4 15 Common Electricity Questions From Form Four 15 Common Electricity Questions From Form One 15 Common Electricity Questions From Form Three 15 Common Electricity Questions From Form Two 150 Common Electricity Questions From Form 1 150 Common Electricity Questions From Form 2 150 Common Electricity Questions From Form 3 150 Common Electricity Questions From Form 4 150 Common Electricity Questions From Form Four 150 Common Electricity Questions From Form One 150 Common Electricity Questions From Form Three 150 Common Electricity Questions From Form Two 2019 KCSE Exams Electricity Papers All Subjects Online Form1 Notes All Subjects Online Form2 Notes All Subjects Online Form3 Notes All Subjects Online Form4 Notes All Subjects Online Form 1 Notes All Subjects Online Form 2 Notes All Subjects Online Form 3 Notes All Subjects Online Form 4 Notes All Subjects Online Form One Notes All Subjects Online Form Two Notes All Subjects Online Form Three Notes All Subjects Online Form Four Notes 2019 KCSE Exams Papers 2020 KCSE Exams Electricity Papers 2021 KCSE Exams Electricity Papers Best Electricity Books for KCSE Knec Electricity Electricity 2 Topic Form Two Electricity Diagrams Electricity Form 1 and 2 Notes Electricity Form 1 Download Electricity Form 1 Notes Online Electricity Form 1 Notes Revision Electricity Form 1 Pastpapers and Marking Scheme Electricity Form 1 Questions and Answers Pdf Electricity Form 1 Revision Notes Electricity Form 1 Text Book Electricity Form 1 Text Book Notes Electricity Form 2 Download Electricity Form 2 Notes Electricity Form 2 Notes Online Electricity Form 2 Notes Revision Electricity Form 2 Pastpapers and Marking Scheme Electricity Form 2 Pdf Electricity Form 2 Questions and Answers Pdf Electricity Form 2 Revision Notes Electricity Form 2 Text Book Electricity Form 2 Text Book Notes Electricity Form 3 Download Electricity Form 3 Notes Online Electricity Form 3 Notes Revision Electricity Form 3 Pastpapers and Marking Scheme Electricity Form 3 Questions and Answers Pdf Electricity Form 3 Revision Notes Electricity Form 3 Text Book Electricity Form 3 Text Book Notes Electricity Form 4 Download Electricity Form 4 Notes Online Electricity Form 4 Notes Revision Electricity Form 4 Pastpapers and Marking Scheme Electricity Form 4 Questions and Answers Pdf Electricity Form 4 Revision Notes Electricity Form 4 Text Book Electricity Form 4 Text Book Notes Electricity Form Four Download Electricity Form Four Notes Online Electricity Form Four Notes Revision Electricity Form Four Pastpapers and Marking Scheme Electricity Form Four Questions and Answers Pdf Electricity Form Four Revision Notes Electricity Form Four Text Book Electricity Form Four Text Book Notes Electricity Form One Download Electricity Form One Notes Online Electricity Form One Notes Revision Electricity Form One Pastpapers and Marking Scheme Electricity Form One Questions and Answers Electricity Form One Questions and Answers Pdf Electricity Form One Revision Notes Electricity Form One Text Book Electricity Form One Text Book Notes Electricity Form Three Download Electricity Form Three Notes Online Electricity Form Three Notes Revision Electricity Form Three Pastpapers and Marking Scheme Electricity Form Three Questions and Answers Pdf Electricity Form Three Revision Notes Electricity Form Three Text Book Electricity Form Three Text Book Notes Electricity Form Two Download Electricity Form Two Notes Online Electricity Form Two Notes Revision Electricity Form Two Pastpapers and Marking Scheme Electricity Form Two Questions and Answers Pdf Electricity Form Two Revision Notes Electricity Form Two Text Book Electricity Form Two Text Book Notes Electricity Full Exam Papers Electricity K.C.S.E Revision Papers Electricity KCSE Revision Electricity Notes Book Four Electricity Notes Book One Electricity Notes Book Three Electricity Notes Book Two Electricity Notes Form 2 Electricity Questions and Answers for High Schools Pdf Electricity Questions and Answers Form 1 Electricity Questions and Answers Form 2 Electricity Questions and Answers Form 3 Electricity Short Note for Revising Form 1 Electricity Short Note for Revising Form 2 Electricity Short Note for Revising Form 3 Electricity Short Note for Revising Form 4 Electricity Short Note for Revising Form Four Electricity Short Note for Revising Form One Electricity Short Note for Revising Form Three Electricity Short Note for Revising Form Two Electricity Short Notes Form 1 Electricity Short Notes Form 2 Electricity Short Notes Form 3 Electricity Short Notes Form 4 Electricity Short Notes Form Four Electricity Short Notes Form One Electricity Short Notes Form Three Electricity Short Notes Form Two Electricity Form 2 Questions and Answers Pdf Brief Notes Electricity Form 1 Brief Notes Electricity Form 2 Brief Notes Electricity Form 3 Brief Notes Electricity Form 4 Brief Notes Electricity Form Four Brief Notes Electricity Form One Brief Notes Electricity Form Three Brief Notes Electricity Form Two Brief Notes Electricity Form3 Chapter1 Download Book 1 Electricity Notes Download Book 2 Electricity Notes Download Book 3 Electricity Notes Download Book 4 Electricity Notes Download Book Four Electricity Notes Download Book One Electricity Notes Download Book Three Electricity Notes Download Book Two Electricity Notes Download Book1 Electricity Notes Download Book2 Electricity Notes Download Book3 Electricity Notes Download Book4 Electricity Notes Download KCSE Electricity Study Notes Download Secondary Subjects Download Secondary Subjects in Kenya Download Secondary Subjects KCSE Exams Revision Kenya Exams Revision Kenya KCSE Expected Questions and Answers in Electricity Form One Form 2 Electricity Notes Form 2 Electricity Notes Pdf Form 2 Electricity Topics Form 3 Electricity Book Pdf Form Iii Topics of Electricity Revisios How to Answer Electricity Paper 1 Questions? How to Answer Electricity Paper 2 Questions? How to Answer Electricity Paper 3 Questions? How to Answer KCSE Electricity Paper 1 Questions? How to Answer KCSE Electricity Paper 2 Questions? How to Answer KCSE Electricity Paper 3 Questions? How to Answer Paper 1 Electricity Questions? How to Answer Paper 2 Electricity Questions? How to Answer Paper 3 Electricity Questions? K.C.S.E Revision Papers K.C.S.E Revision Papers Electricity KCSE Electricity Essay Questions and Answers Pdf KCSE Electricity Revisions KCSE Electricity Study Notes KCSE Free Electricity Qussions KCSE Free Qussions KCSE Revision Kenya KCSE Revisions Electricity Form Two Questions Revision Kenya Revision Kenya Kcsse Sammary Note for Electricity Form 1 Sammary Note for Electricity Form 2 Sammary Note for Electricity Form 3 Sammary Note for Electricity Form 4 Sammary Note for Electricity Form Four Sammary Note for Electricity Form One Sammary Note for Electricity Form Three Sammary Note for Electricity Form Two Www.last Year KCSE Exams.com