2017 Aviation Technology - Paper 2
Station 1
Figure 1 shows an exploded view of an aircraft segmented rotor brake unit.
(a) In the space provided, sketch in good proportion the assembled view of the component. (7 marks)
(b) Name the parts labelled 1, 2, 3, 4, 5 and 6. (3 marks)

lnstructions
Using the tools, equipment and materials provided, make an overlap patch as shown in Figure 2.(10 marks)


Instructions
Using the tools and equipment provided, carry out the following tasks on each of the materials labelled A, B, C and D.
(a) (i) Measure and record the weight of material A and B. Weight ofA Weight of B
(ii) Give a comment on the weights in (a) (i) above.
(b) Dot-punch each of the material in (a) (i) above and record your observation.
Observation
(c) Hammer each of the materials in (a) (i) five times with equal blows and record your observation.
Observation
(d) Hold each material at the centre and bend fully until breakage. Record the number of bends for each material.
Material A Material B
(e) (i) Heat the material labelled C for two minutes at one end. Place a candle at the other end. Check and record your observation.
Observation
(ii) Repeat (e) (i) for material D. Record your observation. Observation
From observations (a)—(e), state where each material is best suited for use on an aircraft.
Material A
Material B (2 marks)
Station 4
Instructions


Instructions
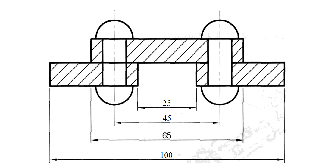
Using the measuring instruments provided, take the measurements of the pulley parts labelled A, B, C, D, E, F, G, H, J and K as shown in Figure 3. Complete the table provided. (10 marks)
Using the setup and tools provided carry out the following tasks.
(a) Identify the parts labelled A and B.
(b) Identify two systems where the system is applicable on an aircraft.
(c) Tension the cable to maximum. Measure and record the tension.
(d) Wire lock the setup for safety. Let the examiner check your work.
(e) Demonstrate to the examiner.
(i) Three checks to be carried out on the setup to ensure safety
(ii) How the cable is loosened.
Instructions
Station 6
(a) Study the weather photographs labelled 1, 2 and 3 and complete the table provided.

(4'/2 marks)

Instructions
(c) Using the aircraft model provided, identify the ground equipment used on the areas labelled 7 and 8. (1 mark)
(a) (i) Identify the component.
(ii) State the function of the component.
(iii) Name the parts painted black and white.
(b) (i) Dismantle the component. Let the examiner check your work.
(ii) Demonstrate to the examiner the maintenance procedure of the component.
(iii) Identify four defects on the component.
(iv) State four possible causes of the defects:
(c) Assemble the component. Let the examiner check your work. (2 marks)
Station 8
Instructions
Study the components and tools provided and carry out the following tasks.
(a) Identify the parts labelled G and H. (1 mark)
(b) Identify areas where each is applicable. (1 mark)
(c) Study and record three design differences between the parts labelled G and H. (3 marks)

(ii) Dismantle the component labelled F. Examine and record four parts with visible defects. (2 marks)
(iii) Demonstrate to the examiner the correct procedure of assembling the component labelled F. (2 marks)
Station 9
Instructions
Using the digital meter provided, measure for continuity between the input points 1-12 and output points A—L on the component provided and draw the circuit diagram. (10 marks)
Station 10
Instructions
(a) Using materials provided, make an airfoil (wing) by placing one end of the strip of paper between the pages of the book so that the other end hangs over the top.
(i) Move the book swiftly through the air or blow across the top of the strip of paper. Record your observation:
(ii) Hold the book in the breeze of an electric fan so that the air blows over the top of the paper. Record your observation: (2 marks)
(b) (i) Take the strip of paper out of the book. Grasp one end of the paper and set it against your chin, just below your mouth. Hold it in place with your thumb and blow over the top of the strip. Record your observation:
(ii) Fasten a paper clip on the end of the strip and repeat
(i) Record your observation:
(iii) Add another paper clip and repeat (b) (ii). Record your observation.
*' (c) State the conclusion basing on the observations in (a) and (b) above.
(d) (i) State the principle behind the observation:
(ii) Explain the reason behind the observation in (d) (i) above.
(iii) Relate the observations to an aircraft in flight.
Marking Scheme
2017 Aviation Technology - Paper 2
Kenya Scholarships for Undergraduate Students » Kenya Scholarships for Postgraduate Students » Undergraduate Scholarships for Kenyan Students » Kenya Undergraduate Scholarships » Full Undergraduate Scholarships for Kenyans » Kenya Postgraduate Scholarships » Scholarships & Grants » Undergraduate Scholarships » Universities in Kenya » Kenya Universities and Colleges Central Placement Service (KUCCPS) » Colleges in Kenya » KASNEB Registration & Results » Secondary Schools Scholarships in Kenya » Undergraduate & Graduate Scholarships for Kenyans
Scholarships for African Students » Undergraduate Scholarships » African Women Scholarships & Grants » Developing Countries Scholarships » Erasmus Mundus Scholarships for Developing Countries » Fellowship Programs » Funding Grants for NGOs » Government Scholarships » LLM Scholarships » MBA Scholarships » PhD and Masters by Research Scholarships » Public Health Scholarships - MPH Scholarships » Refugees Scholarships » Research Grants » Scholarships and Grants
Scholarships in Australia » Scholarships in Belgium » Scholarships in Canada » Scholarships in Germany » Scholarships in Italy » Scholarships in Japan » Scholarships in Korea » Scholarships in Netherlands » Scholarships in UK » Scholarships in USA "Pdf" Revision Questions Aviation Technology Form 2 "Pdf" Revision Questions Aviation Technology Form 3 "Pdf" Revision Questions Aviation Technology Form 4 "Pdf" Revision Questions Aviation Technology Form Four "Pdf" Revision Questions Aviation Technology Form One "Pdf" Revision Questions Aviation Technology Form Three "Pdf" Revision Questions Aviation Technology Form Two 1 a a KCSE Past Papers 10th Grade Aviation Technology Questions and Answers 10th Grade Aviation Technology Test 11th Ncert Aviation Technology 12th Class Aviation Technology Book Free Download 2014 KCSE Marking Schemes 2014 Pdf KCSE Past Papers 2015 2015 Aviation Technology Essay Questions and Answers Form 4 2016 KCSE Papers 2016 KCSE Prediction Questions 2017 Aviation Technology Hsc Answers 2017 KCSE Prediction Questions 2018 Aviation Technology KCSE Leakage 2018 Aviation Technology KCSE Questions 2018 KCSE Busineness Studies 2018 KCSE Exam 2018 KCSE Leakage 2018 KCSE Prediction Questions 2018 KCSE Questions 2019 Aviation Technology KCSE Leakage 2019 Aviation Technology KCSE Questions 2019 KCSE Leakage 2019 KCSE Questions 9th Grade Aviation Technology Study Guide A a a Aviation Technology Notes a a a Aviation Technology Notes! a a a Aviation TechnologyNotes! A a KCSE Past Papers A Biblical View of Social Justice A Level Aviation Technology Biological Molecules Questions A Level Aviation Technology Exam Questions by Topic A Level Aviation Technology Notes Edexcel A Level Aviation Technology Notes Xtremepapers A Level Aviation Technology Past Papers A Level Aviation Technology Questions and Answers a Level Aviation Technology Questions and Answers A Level Aviation Technology Questions and Answers (Pdf) A Level Aviation Technology Questions and Answers Pdf A Level Aviation Technology Questions by Topic Kidney Questions With Markschemes A Level Aviation Technology Revision A Level Aviation Technology Revision Edexcel A Level Aviation Technology Revision Guide A Level Aviation Technology Revision Notes A Level Aviation Technology Revision Notes Pdf A Level Aviation Technology Textbook Pdf A Level Aviation Technology Year 1 / as Aqa Exam Questions by Topic A Level Edexcel Notes a* Aviation Technology aa Aviation Technology Form 3 Questions and Answers Advance KCSE Past Papers Advance-africa.com KCSE Rev Quiz Advantages and Disadvantages. All Aviation Technology Essays All Aviation Technology Notes for Senior Two All KCSE Past Papers Aviation Technology With Making Schemes All Marking Schemes Questions and Answers All Past K.c.s.e Questions With Answers Alliance Mocks 2017 Ap Bio Quizzes Ap Aviation Technology 1 Textbook Pdf Ap Aviation Technology Essay Questions and Answers Are Sourced From KNEC. As Level Aviation Technology Notes Atika Aviation Technology Notes Atika School Aviation Technology Notes B/s Book 2 Notes Basic Aviation Technology Books Pdf basic Aviation Technology Interview Questions and Answers Pdf Basic Aviation Technology Interview Questions and Answers Pdf Basic Aviation Technology Pdf Basic Aviation Technology Questions and Answers Basic Aviation Technology Questions and Answers Pdf Bbc Bitesize Aviation Technology Ks3 Bihar Board Aviation Technology Objective Answer 2017 Bihar Board Aviation Technology Objective Answer 2018 Bio Answers Bio Quesions Aviation Technology 0478 Aviation Technology 101 Aviation Technology 12th Aviation Technology 12th Class Notes Pdf Aviation Technology 2019 Syllabus Aviation Technology All KCSE Short Notes Aviation Technology Answers Aviation Technology Answers Online Free Aviation Technology Answers Quizlet Aviation Technology Bk 2 Notes Aviation Technology Book 1 Aviation Technology Book 1 Notes Aviation Technology Book 2 Aviation Technology Book 2 Notes Aviation Technology Book 3 Aviation Technology Book 3 KLB Aviation Technology Book 3 Notes Aviation Technology Book 4 Aviation Technology Book 4 Notes Aviation Technology Book 4 Pdf Aviation Technology Book for Class 11 Aviation Technology Book Four Aviation Technology Book Four Notes Aviation Technology Book One Aviation Technology Book One Notes Aviation Technology Book Pdf Free Download Aviation Technology Book Three Aviation Technology Book Three Notes Aviation Technology Book Three Pdf Aviation Technology Book Two Aviation Technology Book Two Notes Aviation Technology Books Form Three Aviation Technology Bowl Aviation Technology Study Guide Aviation Technology Bowl Questions Aviation Technology Aviation Technology Bowl Questions Earth Aviation Technology Aviation Technology Bowl Questions Math Aviation Technology Bowl Questions Middle School Aviation Technology Brekthrough Form Two Notes Aviation Technology Class 12 Ncert Solutions Aviation Technology Class 12 Pdf Aviation Technology Communication Syllabus Aviation Technology Diagram Software Aviation Technology Diagrams for Class 11 Aviation Technology Diagrams for Class 12 Aviation Technology Diagrams for Class 9 Aviation Technology Diagrams for Class-10 Aviation Technology Diagrams in Form 1 Aviation Technology Diagrams in Form 2 Aviation Technology Diagrams in Form 3 Aviation Technology Diagrams in Form 4 Aviation Technology Diagrams Pdf Aviation Technology Diagrams to Label Aviation Technology Essay Questions and Answers Aviation Technology Essay Questions and Answers 2018 Aviation Technology Essay Questions and Answers Form 1 Aviation Technology Essay Questions and Answers Form 2 Aviation Technology Essay Questions and Answers Form 3 Aviation Technology Essay Questions and Answers Form 4 Aviation Technology Essay Questions and Answers Form 4 Pdf Aviation Technology Essay Questions and Answers Pdf Aviation Technology Essay Revision Q Aviation Technology Essays and Answers Aviation Technology Essays Form One to Form Four Aviation Technology Essays Form One to Form Three Aviation Technology Essays KCSE Aviation Technology Essays Pdf Aviation Technology Exam 1 Multiple Choice Aviation Technology Exam 2 Advance Aviation Technology Exam 2 Test Aviation Technology Exam 2016 Aviation Technology Exam Form Four Aviation Technology Exam Form One Aviation Technology Exam Form Three Aviation Technology Exam Form Two Aviation Technology Exam Practice Test Aviation Technology Exam Questions Aviation Technology Exam Questions and Answers Aviation Technology Exam Questions and Answers Pdf Aviation Technology Exam Study Guide Aviation Technology Exams Aviation Technology Excretion Notes Aviation Technology Exercise Form 4 With Answers Aviation Technology Final Exam Answer Key Aviation Technology Final Exam Answer Key 2016 Aviation Technology Final Exam Answer Key 2017 Aviation Technology Final Exam Answers 2018 Aviation Technology Final Exam Answers 2019 Aviation Technology Final Exam Questions and Answers Aviation Technology Fom 1 Notes Aviation Technology Fom 2 Notes Aviation Technology Fom 3 Notes Aviation Technology Fom 4 Notes Aviation Technology Form 1 Aviation Technology Form 1 & 2 and Answers Aviation Technology Form 1 and 2 Essays Aviation Technology Form 1 and 2 Essays Questions and Answers Aviation Technology Form 1 Chapter 1 Aviation Technology Form 1 Diagrams Aviation Technology Form 1 Exams Aviation Technology Form 1 Mid Year Exam Aviation Technology Form 1 Notes Aviation Technology Form 1 Notes and Questions Aviation Technology Form 1 Notes Download Aviation Technology Form 1 Notes Free Download Aviation Technology Form 1 Notes GCSE Aviation Technology Form 1 Notes KCSE-kcse Aviation Technology Form 1 Notes Pdf Aviation Technology Form 1 Notes Pdf Download Aviation Technology Form 1 Past Papers Aviation Technology Form 1 Pdf Aviation Technology Form 1 Pressure Aviation Technology Form 1 Question Papers Aviation Technology Form 1 Questions Aviation Technology Form 1 Questions and Answers Aviation Technology Form 1 Questions and Answers Pdf Aviation Technology Form 1 Quiz Aviation Technology Form 1 Revision Questions Aviation Technology Form 1 Summary Notes Aviation Technology Form 1 Syllabus Aviation Technology Form 1 Work Aviation Technology Form 1-4 Notes Aviation Technology Form 2 Aviation Technology Form 2 Chapter 1 Aviation Technology Form 2 Chapter 2 Aviation Technology Form 2 Diagrams Aviation Technology Form 2 Exam Paper 2014 Aviation Technology Form 2 Exams Aviation Technology Form 2 Notes Aviation Technology Form 2 Notes and Questions Aviation Technology Form 2 Notes GCSE Aviation Technology Form 2 Notes KCSE-kcse Aviation Technology Form 2 Notes Pdf Aviation Technology Form 2 Notes Pdf Download Aviation Technology Form 2 Past Papers Aviation Technology Form 2 Pdf Aviation Technology Form 2 Question Papers Aviation Technology Form 2 Questions Aviation Technology Form 2 Questions and Answers Aviation Technology Form 2 Questions and Answers Pdf Aviation Technology Form 2 Quiz Aviation Technology Form 2 Revision Notes Aviation Technology Form 2 Salts Aviation Technology Form 2 Structure and Bonding Aviation Technology Form 2 Summary Notes Aviation Technology Form 2 Syllabus Aviation Technology Form 2 Work Aviation Technology Form 3 Aviation Technology Form 3 and 4 Essays Aviation Technology Form 3 and 4 Essays Questions and Answers Aviation Technology Form 3 Chapter 3 Aviation Technology Form 3 Classification Aviation Technology Form 3 Diagrams Aviation Technology Form 3 Ecology Aviation Technology Form 3 Exams Aviation Technology Form 3 Notes Aviation Technology Form 3 Notes and Questions Aviation Technology Form 3 Notes GCSE Aviation Technology Form 3 Notes KCSE-kcse Aviation Technology Form 3 Notes Pdf Aviation Technology Form 3 Notes Pdf Download Aviation Technology Form 3 Notes Topic 1 Aviation Technology Form 3 Past Papers Aviation Technology Form 3 Pdf Aviation Technology Form 3 Question Papers Aviation Technology Form 3 Questions Aviation Technology Form 3 Questions and Answers Aviation Technology Form 3 Questions and Answers Pdf Aviation Technology Form 3 Questions and Answers Term 3 Aviation Technology Form 3 Questions and Answers+pdf Aviation Technology Form 3 Quiz Aviation Technology Form 3 Revision Notes Aviation Technology Form 3 Revision Questions Aviation Technology Form 3 Summary Notes Aviation Technology Form 3 Syllabus Aviation Technology Form 3 Syllabus Pdf Aviation Technology Form 3 Topics Aviation Technology Form 3 Work Aviation Technology Form 4 Aviation Technology Form 4 All Chapter Aviation Technology Form 4 Chapter 1 Conversion of Units Aviation Technology Form 4 Chapter 1 Exercise Aviation Technology Form 4 Chapter 1 Exercise and Answers Aviation Technology Form 4 Chapter 1 Exercise Pdf Aviation Technology Form 4 Chapter 1 Mind Map Aviation Technology Form 4 Chapter 2 Aviation Technology Form 4 Chapter 2 Exercise and Answers Aviation Technology Form 4 Chapter 2 Exercise Pdf Aviation Technology Form 4 Chapter 2 Experiment Aviation Technology Form 4 Chapter 2 Formula Aviation Technology Form 4 Chapter 2 Mind Map Aviation Technology Form 4 Chapter 2 Momentum Aviation Technology Form 4 Chapter 2 Notes Pdf Aviation Technology Form 4 Chapter 2 Objective Questions and Answers Aviation Technology Form 4 Chapter 2 Paper 2 Aviation Technology Form 4 Chapter 2 Slideshare Aviation Technology Form 4 Chapter 3 Aviation Technology Form 4 Chapter 3 Questions and Answers Aviation Technology Form 4 Chapter 4 Aviation Technology Form 4 Chapter 4 Notes Pdf Aviation Technology Form 4 Chapter 5 Light Questions and Answers Aviation Technology Form 4 Chapter 5 Notes Pdf Aviation Technology Form 4 Diagrams Aviation Technology Form 4 Exam Paper 1 Aviation Technology Form 4 Exams Aviation Technology Form 4 Exercise Aviation Technology Form 4 Exercise Pdf Aviation Technology Form 4 Module With Answer Aviation Technology Form 4 Note Aviation Technology Form 4 Notes Aviation Technology Form 4 Notes (Pdf) Aviation Technology Form 4 Notes All Chapter Pdf Aviation Technology Form 4 Notes and Questions Aviation Technology Form 4 Notes Chapter 1 Aviation Technology Form 4 Notes Chapter 2 Aviation Technology Form 4 Notes Chapter 3 Aviation Technology Form 4 Notes Download Aviation Technology Form 4 Notes Free Download Aviation Technology Form 4 Notes GCSE Aviation Technology Form 4 Notes KCSE-kcse Aviation Technology Form 4 Notes Pdf Aviation Technology Form 4 Notes Pdf Download Aviation Technology Form 4 Paper 2 Questions and Answers Aviation Technology Form 4 Past Papers Aviation Technology Form 4 Question Papers Aviation Technology Form 4 Questions Aviation Technology Form 4 Questions and Answers Aviation Technology Form 4 Questions and Answers Pdf Aviation Technology Form 4 Quiz Aviation Technology Form 4 Revision Notes Aviation Technology Form 4 Schemes of Work Aviation Technology Form 4 Summary Notes Aviation Technology Form 4 Syllabus Aviation Technology Form 4 Textbook Pdf Aviation Technology Form 4 Work Aviation Technology Form 5 Chapter 1 Exercise and Answers Aviation Technology Form 5 Chapter 1 Notes Pdf Aviation Technology Form 5 Chapter 2 Notes Pdf Aviation Technology Form 5 Chapter 2 Slideshare Aviation Technology Form 5 Chapter 3 Notes Pdf Aviation Technology Form 5 Notes Pdf Aviation Technology Form Four Book Aviation Technology Form Four Notes Aviation Technology Form Four Notes and Questions Aviation Technology Form Four Notes GCSE Aviation Technology Form Four Notes Pdf Aviation Technology Form Four Past Papers Aviation Technology Form Four Questions Aviation Technology Form Four Questions and Answers Aviation Technology Form Four Questions and Answers Pdf Aviation Technology Form Four Quiz Aviation Technology Form Four Study Notes Aviation Technology Form Four Syllabus Aviation Technology Form Four Topic 2 Aviation Technology Form Four Topic 4 Aviation Technology Form Four Topics Aviation Technology Form Four Work Aviation Technology Form One Aviation Technology Form One Book Aviation Technology Form One Book Pdf Aviation Technology Form One Download Topic 1 Upto 3 Aviation Technology Form One Exam Aviation Technology Form One Notes Aviation Technology Form One Notes and Questions Aviation Technology Form One Notes GCSE Aviation Technology Form One Notes Pdf Aviation Technology Form One Pdf Aviation Technology Form One Questions Aviation Technology Form One Questions and Answers Aviation Technology Form One Questions and Answers Pdf Aviation Technology Form One Questions and Their Answers Aviation Technology Form One Quiz Aviation Technology Form One Revision Question Aviation Technology Form One Schemes of Work Aviation Technology Form One Study Notes Aviation Technology Form One Syllabus Aviation Technology Form One Term Three Test Aviation Technology Form One to Three Notes Aviation Technology Form One Work Aviation Technology Form Three Aviation Technology Form Three Book Aviation Technology Form Three Notes Aviation Technology Form Three Notes and Questions Aviation Technology Form Three Notes GCSE Aviation Technology Form Three Questions and Answers Aviation Technology Form Three Questions and Answers Pdf Aviation Technology Form Three Quiz Aviation Technology Form Three Reproduction Aviation Technology Form Three Reproduction. Aviation Technology Form Three Study Notes Aviation Technology Form Three Work Aviation Technology Form Three-questions and Answers Aviation Technology Form Two Aviation Technology Form Two Book Aviation Technology Form Two Diagrams Aviation Technology Form Two Notes Aviation Technology Form Two Notes and Questions Aviation Technology Form Two Notes GCSE Aviation Technology Form Two Notes Pdf Aviation Technology Form Two Notes-pdf Aviation Technology Form Two Pdf Aviation Technology Form Two Questions Aviation Technology Form Two Questions and Answers Aviation Technology Form Two Questions and Answers Pdf Aviation Technology Form Two Quiz Aviation Technology Form Two Study Notes Aviation Technology Form Two Topics Aviation Technology Form Two Work Aviation Technology Form Two,schemes of Work Aviation Technology Form2 Aviation Technology Form2 Textbook Aviation Technology Game Form Four Question End Answers Aviation Technology Grade 10 Exam Papers Aviation Technology Hsc Pdf Aviation Technology Human Reproduction Video Aviation Technology IGCSE Past Papers Xtremepapers Aviation Technology K.c.s.e 2017 Aviation Technology KCSE Aviation Technology KCSE 2016 Aviation Technology KCSE 2017 Aviation Technology KCSE 2017 Paper 1 Aviation Technology KCSE Past Papers Aviation Technology KCSE Questions Aviation Technology KCSE Questions and Answer Aviation Technology KCSE Quizzes & Answers Aviation Technology KCSE Revision Aviation Technology KCSE Revision Notes Aviation Technology KCSE Setting Questions Form One and Two Aviation Technology Ksce 2015 Aviation Technology Last Year K.c.s.e Questions Aviation Technology Lesson Plan Form Two Aviation Technology Made Familiar Aviation Technology Mcq for Class 11 Aviation Technology Mcq for Class 12 Aviation Technology Mcq for Competitive Exams Aviation Technology Mcq for Competitive Exams Pdf Aviation Technology Mcq for Neet Pdf Aviation Technology Mcq for Ssc Aviation Technology Mcq Questions With Answers Aviation Technology Mcq With Answers Pdf Aviation Technology Mcqs for Class 12 Pdf Aviation Technology Mcqs With Answers Pdf Aviation Technology Mid Familia Form One Aviation Technology Mock Papers Aviation Technology Module Form 5 Aviation Technology Multiple Choice Questions and Answers Cxc Aviation Technology Multiple Choice Questions and Answers Pdf Aviation Technology Multiple Choice Questions With Answers Pdf Aviation Technology Note Aviation Technology Note Form Two All Chapters Aviation Technology Notes Aviation Technology Notes and Guestion and Answear Aviation Technology Notes and Syllabus Aviation Technology Notes Class 10 Aviation Technology Notes for Class 11 Pdf Aviation Technology Notes for Class 12 Pdf Aviation Technology Notes for High School Students Aviation Technology Notes for IGCSE 2014 Aviation Technology Notes Form 1 Aviation Technology Notes Form 1 4 Aviation Technology Notes Form 1 Free Download Aviation Technology Notes Form 1 KLB Aviation Technology Notes Form 1 Pdf Aviation Technology Notes Form 1-4 Aviation Technology Notes Form 1-4(1) Aviation Technology Aviation Technology Notes Form 14 Aviation Technology Notes Form 2 Aviation Technology Notes Form 2 KLB Aviation Technology Notes Form 2 Pdf Aviation Technology Notes Form 2; Aviation Technology Notes Aviation Technology Notes Form 3 Aviation Technology Notes Form 3 KLB Aviation Technology Notes Form 3 Pdf Aviation Technology Notes Form 4 Aviation Technology Notes Form 4 Chapter 2 Aviation Technology Notes Form 4 KLB Aviation Technology Notes Form 4 Pdf Aviation Technology Notes Form 4-pdf Aviation Technology Notes Form Four Aviation Technology Notes Form Four KLB Aviation Technology Notes Form Four Pdf Aviation Technology Notes Form One Aviation Technology Notes Form One KLB Aviation Technology Notes Form One Pdf Aviation Technology Notes Form One to Form Four Aviation Technology Notes Form Three Aviation Technology Notes Form Three KLB Aviation Technology Notes Form Three Pdf Aviation Technology Notes Form Two Aviation Technology Notes Form Two KLB Aviation Technology Notes Form Two Pdf Aviation Technology Notes Form2 Aviation Technology Notes IGCSE Aviation Technology Notes Kenya Aviation Technology Notes on Agroforestry Aviation Technology Notes Pdf Aviation Technology Notes: Aviation Technology Objective Answer Aviation Technology Objective Answer 2018 Aviation Technology Objective Questions for Competitive Exams Aviation Technology Objective Questions for Competitive Exams Pdf Aviation Technology Oral Exam Questions Aviation Technology Paper 1 Aviation Technology Paper 1 2018 Marking Rules Aviation Technology Paper 1 Notes Aviation Technology Paper 1 Questions Aviation Technology Paper 1 Questions and Answers Aviation Technology Paper 1 Topics Aviation Technology Paper 1 With Answers Aviation Technology Paper 2 Aviation Technology Paper 2 2017 Aviation Technology Paper 2 2018 Marking Rules Aviation Technology Paper 2 Questions and Answers Aviation Technology Paper 2 Questions and Answers Pdf Aviation Technology Paper 2 Revision Aviation Technology Paper 2 Topics Aviation Technology Paper 2018 Aviation Technology Paper 3 2018 Marking Rules Aviation Technology Paper 3 Question and Answer Aviation Technology Paper 3 Question Paper 2014 KCSE Aviation Technology Paper 3 Question Paper 2015 KCSE Aviation Technology Paper 3 Question Paper 2016 KCSE Aviation Technology Paper 3 Question Paper 2017 KCSE Aviation Technology Paper 3 Question Paper 2018 KCSE Aviation Technology Paper 3 Questions and Answers Aviation Technology Paper One Questions and Answers Aviation Technology Paper One Topics Aviation Technology Paper Two Qestions With Answers Aviation Technology Paper1 Aviation Technology Paper2 Aviation Technology Paper3 Aviation Technology Paper4 Aviation Technology Past Papers Aviation Technology Past Papers 2017 Aviation Technology Past Papers a Level Aviation Technology Past Papers Form 1 Aviation Technology Past Papers Form 2 Aviation Technology Past Papers Form 3 Aviation Technology Past Papers O Level Aviation Technology Pdf Download Aviation Technology Pp1 KCSE 2016 Aviation Technology Practical Book Class 12 Pdf Aviation Technology Practical Exam Aviation Technology Practicals Form One Aviation Technology Practicals Questions and Answers Aviation Technology Practice Test 9th Grade Aviation Technology Practice Test Answers Aviation Technology Practice Test Questions and Answers Aviation Technology Practice Test Quizlet Aviation Technology Predicted Questions This Year KCSE Aviation Technology Preparation Notes Aviation Technology Pretest High School Pdf Aviation Technology Question and Answer With Explanation Aviation Technology Question and Answers 2019 Aviation Technology Question and Answers 2020 Aviation Technology Question and Answers 2021 Aviation Technology Question and Answers 2022 Aviation Technology Question and Answers Note Aviation Technology Questions Aviation Technology Questions and Answers Aviation Technology Questions and Answers for High School Aviation Technology Questions and Answers for High Schools Aviation Technology Questions and Answers for High Schools Pdf Aviation Technology Questions and Answers for Secondary Schools Aviation Technology Questions and Answers Form 1 Aviation Technology Questions and Answers Form 2 Aviation Technology Questions and Answers Form 3 Aviation Technology Questions and Answers Form 4 Aviation Technology Questions and Answers Multiple Choice Aviation Technology Questions and Answers Notes Aviation Technology Questions and Answers O Aviation Technology Questions and Answers Online Aviation Technology Questions and Answers Pdf Aviation Technology Questions and Answers Pdf for Class 12 Aviation Technology Questions and Answers Pdf for Competitive Exams Aviation Technology Questions and Answers-form 2 Aviation Technology Questions for High School Aviation Technology Questions for High School Students With Answers Aviation Technology Questions for Senior 1 Aviation Technology Questions for Senior 2 Aviation Technology Questions for Senior 3 Aviation Technology Questions for Senior 4 Aviation Technology Questions for Senior 5 Aviation Technology Questions for Senior 6 Aviation Technology Questions for Senior Five Aviation Technology Questions for Senior Four Aviation Technology Questions for Senior One Aviation Technology Questions for Senior Six Aviation Technology Questions for Senior Three Aviation Technology Questions for Senior Two Aviation Technology Questions Form One Aviation Technology Questions Multiple Choice Aviation Technology Questions Quizlet Aviation Technology Questions to Ask Your Teacher Aviation Technology Quetion and Answer Form Four Aviation Technology Quetion and Answer Form One Aviation Technology Quetion and Answer Form Three Aviation Technology Quetion and Answer Form Two Aviation Technology Quiz for Class 9 Aviation Technology Quiz for Class 9 Aviation Technology Aviation Technology Quiz Questions and Answers for Class 10 Aviation Technology Quiz Questions and Answers for Class 10 Pdf Aviation Technology Quiz Questions and Answers for Class 12 Aviation Technology Quiz Questions and Answers for Class 9 Aviation Technology Quiz Questions and Answers for Class 9 Pdf Aviation Technology Quiz Questions and Answers for High School Aviation Technology Quiz Questions and Answers Multiple Choice Aviation Technology Quiz Questions and Answers Pdf Aviation Technology Quiz Questions for Class 12 Aviation Technology Quiz Questions for College Students Aviation Technology Quiz With Answers Aviation Technology Quiz With Answers Pdf Aviation Technology Quizlet Aviation Technology Revision Aviation Technology Revision a Level Aviation Technology Revision Aviation Technology Notes Aviation Technology Aviation Technology Revision Exam Aviation Technology Revision Examination Aviation Technology Revision Form One Aviation Technology Revision Notes Aviation Technology Revision Notes Aviation Technology Aviation Technology Revision Notes Form 1 Aviation Technology Revision Notes Form 2 Aviation Technology Revision Notes Form 3 Aviation Technology Revision Notes Form 4 Aviation Technology Revision Notes IGCSE Aviation Technology Revision Paper One Aviation Technology Revision Questions Aviation Technology Revision Questions and Answers Aviation Technology Revision Questions and Answers Form 1 Aviation Technology Revision Questions and Answers Form 2 Aviation Technology Revision Questions and Answers Form 3 Aviation Technology Revision Questions and Answers Form 4 Aviation Technology Revision Questions and Answers Form Four Aviation Technology Revision Questions and Answers Form One Aviation Technology Revision Questions and Answers Form Three Aviation Technology Revision Questions and Answers Form Two Aviation Technology Revision Questions Form 1 Aviation Technology Revision Questions Form 2 Aviation Technology Revision Questions Form 3 Aviation Technology Revision Questions Form 4 Aviation Technology Revision Questions Form Four Aviation Technology Revision Questions Form One Aviation Technology Revision Questions Form Three Aviation Technology Revision Questions Form Two Aviation Technology Revision Quiz Aviation Technology Revision Test Aviation Technology Secondary School Revision Aviation Technology Simple Notes Aviation Technology Spm Notes Download Aviation Technology Spm Notes Pdf Aviation Technology Spm Questions Aviation Technology Study Form 2 Aviation Technology Study Guide Aviation Technology Study Guide Answer Key Aviation Technology Study Guide Answers Aviation Technology Study Guide Aviation Technology Questions and Answers Aviation Technology Study Guide Ib Aviation Technology Study Guide Pdf Aviation Technology Study Guides Aviation Technology Study Notes Aviation Technology Study Notes Materials Form 1 Pdf Aviation Technology Study Notes Materials Form 2 3 Pdf Aviation Technology Study Notes Materials Form 2 Pdf Aviation Technology Study Notes Materials Form 3 Pdf Aviation Technology Study Notes Materials Form 4 Pdf Aviation Technology Syllabus in Kenya Aviation Technology Syllabus Pdf Aviation Technology Test 1 Quizlet Aviation Technology Test Questions Aviation Technology Test Questions and Answers Aviation Technology Test Questions and Answers Pdf Aviation Technology Topic One Form Four Aviation Technology Topics Form One Aviation Technology Unit 1 Quiz Aviation Technology Vol 3 Aviation Technology | Revision Aviation Technology Aviation Technology,form 4 Aviation Technology.form Four.topic Three Aviation TechnologyExam Form Three Aviation TechnologyModule Form 5 Aviation TechnologyNotes Aviation TechnologyNotes for Class 11 Pdf Aviation TechnologyNotes for Class 12 Pdf Aviation TechnologyNotes Form 1 Aviation TechnologyNotes Form 1 Free Download Aviation TechnologyNotes Form 2 Aviation TechnologyNotes Form 3 Aviation TechnologyNotes Form 3 Pdf Aviation TechnologyNotes IGCSE Aviation TechnologyNotes Pdf Aviation TechnologyPast Papers Aviation TechnologyQuestions and Answers Pdf Aviation TechnologySimple Notes Aviation TechnologySpm Notes Download Aviation TechnologySpm Notes Pdf Aviation TechnologySpm Questions Aviation TechnologyStudy Guide Answers Aviation TechnologyStudy Guide Pdf Aviation TechnologyStudy Guides Blologytextpapers Bridge Aviation Technology Business Past KCSE Past Papers Business Studies Form 3 Notes Pdf Business Studies Form 4 Notes Pdf C R E Form One KLB C R E Form One Oli Topic C.r.e Form 1 Notes Kenya C.r.e Form 2 Notes Kenya C.r.e Form 3 Notes C.r.e Form 3 Notes Kenya C.r.e Form 3 Pdf C.r.e Form 4 Notes Kenya C.r.e Form One Notes Pdf C.r.e Notes Form 1 C.r.e Revision Notes C.r.e Short Notes Cambridge IGCSE Aviation Technology Cambridge IGCSE Aviation Technology 3rd Edition Cambridge IGCSE Aviation Technology 3rd Edition Plus Cd South Asia Edition Cambridge IGCSE Aviation Technology Answers Cambridge IGCSE Aviation Technology Coursebook Pdf Download Cambridge IGCSE Aviation Technology Practical Workbook Cambridge IGCSE Aviation Technology Revision Guide Pdf Cambridge IGCSE Aviation Technology Study and Revision Guide 2nd Edition Pdf Cambridge IGCSE Aviation Technology Study and Revision Guide Pdf Cambridge IGCSE Aviation Technology Workbook Free Download Cambridge IGCSE Aviation Technology Workbook Pdf Cambridge IGCSE® Aviation Technology Coursebook Caucasian Chalk Circle Essay Questions Chapter 1 Introduction to Aviation Technology Chapter 1 Introduction to Aviation Technology Studies Cie a Level Aviation Technology Notes 2016 Cie a Level Aviation Technology Notes Pdf Cie Past Papers Class 10 Aviation Technology Chapter 1 Mcqs Class 8 Aviation Technology Notes KCSE-kcse College Aviation Technology Notes College Aviation Technology Practice Test College Aviation Technology Quiz College Aviation Technology Quiz Chapter 1 College Aviation Technology Quizlet College Aviation Technology Study Guide College Aviation Technology Study Guide Pdf College Aviation Technology Test Questions and Answers College Aviation Technology Volume 3 Pdf College Aviation TechnologyNotes Complete Aviation Technology for Cambridge IGCSE Complete Aviation Technology for Cambridge IGCSE Revision Guide Pdf County Mocks 2017 Cse Past Papers Aviation Technology 2017 Dl Aviation Technology Form 3 Pdf Kusoma Download Aviation Technology Form 1 Download Aviation Technology Form 2 Download Aviation Technology Form 2 Notes Download Aviation Technology Form 3 Download Aviation Technology Form 3 Notes Download Aviation Technology Form 4 Download Aviation Technology Form Four Download Aviation Technology Form One Download Aviation Technology Form Three Download Aviation Technology Form Two Download Aviation Technology Notes Form 3 Download Aviation Technology Notes Form One Download Aviation TechnologyNotes Form 3 Download Form Three Aviation Technology Notes Download Free KCSE Past Papers Aviation Technology Download Free KCSE Past Papers From KNEC. Download KCSE Past Papers With Answers Download KCSE Revision Notes Download KLB Aviation Technology Book 2 Download KLB Aviation Technology Book 3 Download KLB Aviation Technology Book 4 Download Notes of Aviation Technology Downloads | Aviation Technology | Form Four Exams | Exams Downloads | Aviation Technology | Form One Exams | Exams Downloads | Aviation Technology | Form Three Exams | Exams Downloads | Aviation Technology | Form Two Exams | Exams Downloads | KCSE Papers and Marking Schemes | Dvance KCSE Past Papers Easy Aviation Technology Questions Edexcel a Level Aviation Technology B Edexcel a Level Aviation Technology Notes Pdf Edexcel a Level Aviation Technology Salters Nuffield Edexcel A2 Aviation Technology Notes Edexcel as Aviation Technology Revision Guide Pdf Edexcel Aviation Technology A2 Revision Notes Pdf Edexcel Aviation Technology Unit 2 Revision Notes Edexcel GCSE Aviation Technology Revision Guide Pdf Edexcel IGCSE Aviation Technology Past Papers Edexcel IGCSE Aviation Technology Revision Guide Free Pdf Download Edexcel IGCSE Aviation Technology Revision Guide Pdf Edexcel IGCSE Aviation Technology Revision Guide Pdf Download Electronics Form Four Notes Energy Questions Aviation Technology Bowl Essay Questions and Answers KCSE Aviation Technology Notes Essay Questions and Answers on Betrayal in the City Essay Questions Based on Betrayal in the City Evolving World Aviation Technology Book 1 Pdf Evolving World Aviation Technology Book 4 Notes Evolving World Aviation Technology Book Form 1 Evolving World-history Book 3 Exam Notes for Aviation Technology 101 Exams KCSE Aviation Technology Paper 1 Questions and Answers F3 Aviation Technology Test Paper Find Download KCSE Past Papers With Answers Find KCSE Aviation Technology Essay Questions and Answers Form 1 Aviation Technology Exam Form 1 Aviation Technology Notes Form 1 Aviation Technology Questions and Answers Form 1 Aviation Technology Questions and Answers Pdf Form 1 Aviation Technology Revision Notes Form 1 Aviation Technology Summurized Revision Pdf Form 1 Aviation Technology Syllabus Form 1 Aviation Technology Test Paper Pdf Form 1 Aviation Technology Topics Form 1 Aviation TechnologyNotes Form 1 Aviation TechnologyQuestions and Answers Form 1 Aviation TechnologyRevision Notes Form 1 Aviation TechnologySyllabus Form 1 Aviation TechnologyTest Paper Pdf Form 1 Past Papers Form 1 Past Papers With Answers Form 1 Revision Papers Form 1 Subjects in Kenya Form 2 Aviation Technology Exam Form 2 Aviation Technology Exam Paper Form 2 Aviation Technology Exam Paper 2016 Form 2 Aviation Technology Exam Paper Free Download Form 2 Aviation Technology Exam Paper With Answer Form 2 Aviation Technology Final Year Exam Paper 2 Form 2 Aviation Technology Notes Form 2 Aviation Technology Notes and Revision Questions Form 2 Aviation Technology Notes Pdf Form 2 Aviation Technology Past Papers Form 2 Aviation Technology Questions Form 2 Aviation Technology Questions and Answers Form 2 Aviation Technology Questions and Answers > Form 2 Aviation Technology Questions and Answers Pdf Form 2 Aviation Technology Revision Notes Form 2 Aviation Technology Short Notes Form 2 Aviation Technology Syllabus Form 2 Aviation TechnologyExam Paper Form 2 Aviation TechnologyExam Paper Free Download Form 2 Aviation TechnologyExam Paper With Answer Form 2 Aviation TechnologyFinal Year Exam Paper 2 Form 2 Aviation TechnologyPast Papers Form 2 Aviation TechnologyRevision Notes Form 2 Aviation TechnologyShort Notes Form 2 Aviation TechnologySyllabus Form 2 Revision Papers Form 2 Subjects in Kenya Form 3 Aviation Technology Book Form 3 Aviation Technology Exam Form 3 Aviation Technology Exam Paper Form 3 Aviation Technology Notes Form 3 Aviation Technology Past Papers Form 3 Aviation Technology Questions Form 3 Aviation Technology Questions and Answers Form 3 Aviation Technology Questions and Answers Pdf Form 3 Aviation Technology Revision Notes Form 3 Aviation Technology Syllabus Form 3 Aviation TechnologyExam Paper Form 3 Aviation TechnologyNotes Form 3 Aviation TechnologyPast Papers Form 3 Aviation TechnologyQuestions Form 3 Aviation TechnologyQuestions and Answers Pdf Form 3 Aviation TechnologyRevision Notes Form 3 Aviation TechnologySyllabus Form 3 C.r.e Form 3 Notes of Aviation Technology Topic on Fish Form 3 Past Papers Form 3 Revision Papers Form 3 Subjects in Kenya Form 4 Aviation Technology Exam Form 4 Aviation Technology Notes Form 4 Aviation Technology Notes Pdf Form 4 Aviation Technology Questions and Answers Form 4 Aviation Technology Questions and Answers Pdf Form 4 Aviation Technology Revision Notes Form 4 Aviation Technology Syllabus Form 4 Aviation Technology Topics Form 4 Aviation TechnologyNotes Form 4 Aviation TechnologyRevision Notes Form 4 Aviation TechnologySyllabus Form 4 Aviation TechnologyTopics Form 4 Exam Papers Form 4 Revision Papers Form 4 Subjects in Kenya Form 5 Aviation Technology Topics Form 5 Aviation TechnologyTopics Form Five Aviation Technology Notes Form Five Aviation TechnologyNotes Form Four Aviation Technology Book Form Four Aviation Technology Notes Form Four Aviation Technology Notes Pdf Form Four Aviation Technology Questions and Answers Form Four Aviation Technology Questions and Answers Pdf Form Four Aviation Technology Revision Questions Form Four Aviation Technology Syllabus Form Four Aviation Technology Topics Form Four Aviation TechnologyNotes Form Four Aviation TechnologyQuestions and Answers Form Four Aviation TechnologyQuestions and Answers Pdf Form Four Aviation TechnologyTopics Form Four Notes Form Four Revision Papers Form Four Subjects in Kenya Form One Aviation Technology Book Form One Aviation Technology Examination Form One Aviation Technology First Topic Form One Aviation Technology Lesson Plan Form One Aviation Technology Notes Pdf Form One Aviation Technology Past Papers Pdf Form One Aviation Technology Questions Form One Aviation Technology Questions and Answers Form One Aviation Technology Questions and Answers Pdf Form One Aviation Technology Revision Questions Form One Aviation Technology Short Notes Form One Aviation Technology Syllabus Form One Aviation Technology Topics Form One Aviation TechnologyExamination Form One Aviation TechnologyPast Papers Pdf Form One Aviation TechnologyQuestions and Answers Form One Aviation TechnologyQuestions and Answers Pdf Form One Aviation TechnologyTopics Form One Exams Form One Notes of Aviation Technology Form One Past Papers Form One Subjects in Kenya Form One Term One Aviation Technology Exam Form One Term One Aviation TechnologyExam Form Three Aviation Technology Book Form Three Aviation Technology Book Pdf Form Three Aviation Technology Notes Form Three Aviation Technology Notes Pdf Form Three Aviation Technology Questions and Answers Form Three Aviation Technology Questions and Answers Pdf Form Three Aviation Technology Revision Questions Form Three Aviation Technology Syllabus Form Three Aviation Technology Topics Form Three Aviation TechnologyNotes Form Three Aviation TechnologyNotes Pdf Form Three Aviation TechnologyQuestions and Answers Form Three Aviation TechnologyQuestions and Answers Pdf Form Three Aviation TechnologyTopics Form Three Subjects in Kenya Form Two Aviation Technology Book Form Two Aviation Technology Cat Form Two Aviation Technology Examination Form Two Aviation Technology Notes Form Two Aviation Technology Notes Pdf Form Two Aviation Technology Past Papers Form Two Aviation Technology Questions and Answers Form Two Aviation Technology Questions and Answers Pdf Form Two Aviation Technology Revision Questions Form Two Aviation Technology Syllabus Form Two Aviation Technology Topics Form Two Aviation TechnologyNotes Form Two Aviation TechnologyNotes Pdf Form Two Aviation TechnologyQuestions and Answers Form Two Aviation TechnologyQuestions and Answers Pdf Form Two Aviation TechnologySyllabus Form Two Aviation TechnologyTopics Form Two Notes Form Two Subjects in Kenya Free a-level Aviation Technology Revision App | Pass Your Aviation Technology Exams Free Aviation Technology Form 1 Notes Free Aviation Technology Notes Form 1 Free Aviation Technology Notes Pdf Free Aviation TechnologyNotes Pdf Free College Aviation Technology Practice Test Free Form1,form2,form3 Past Papers Free KCSE Past Papers Free KCSE Mocks 2015 Free KCSE Past Papers 2014 Free KCSE Past Papers KCSE Past Free KCSE Past Papers Kenya, Free KCSE Past Papers With Answers Free KCSE Questions and Answers on Aviation Technology Free KCSE Revision Notes Free Marking Schemes Free Mocks Online KCSE Answers Past Exams Question Papers Free Revision Papers From Three Notes Topic One KLB Fun Aviation Technology Questions Funny Aviation Technology Questions Funny Aviation Technology Questions and Answers Funny Aviation Technology Questions to Ask Funny Aviation Technology Quotes GCSE Aviation Technology Exam Questions and Answers GCSE Aviation Technology Past Papers GCSE Aviation Technology Revision GCSE Aviation Technology Revision Notes GCSE Aviation Technology Revision Notes Pdf GCSE Aviation Technology Revision Notes Pdf 9-1 GCSE Aviation Technology Revision Questions and Answers GCSE Aviation Technology Textbook Pdf GCSE Aviation Technology Topics Pass My Exams: Easy Exam Revision Notes General Aviation Technology Notes Pdf General Aviation Technology Practice Test With Answers General Aviation Technology Quiz General Aviation Technology Quiz Pdf General Aviation Technology Test Questions and Answers General Aviation Technology Test Questions and Answers Pdf General Knowledge in Aviation Technology Human Body Good Aviation Technology Questions to Ask GRE Aviation Technology Practice Test GRE Aviation Technology Subject Test Pdf Handbook of Aviation Technology Pdf Free Download Hard Aviation Technology Questions Hard Aviation Technology Questions and Answers Hard Aviation Technology Questions to Ask Your Teacher Hard Aviation Technology Quiz Questions Hard Form 3 Aviation Technology Question High School Aviation Technology Final Exam Doc High School Aviation Technology Final Exam Pdf High School Aviation Technology Final Exam Questions High School Aviation Technology Final Exam Questions and Answers High School Aviation Technology Notes High School Aviation Technology Practice Test High School Aviation Technology Pretest With Answers High School Aviation Technology Questions and Answers Pdf High School Aviation Technology Study Guide High School Aviation Technology Test Questions and Answers Pdf High School Aviation TechnologyNotes High School Aviation TechnologyStudy Guide How to Answer KCSE Aviation Technology Question How to Motivate a Form 4 Student How to Motivate a KCSE Candidate How to Motivate a KCSE Student How to Pass Aviation Technology Questions & Answers Form 1&2 | Text Book How to Revise Aviation Technology How to Revise Effectively for KCSE How to Study Aviation Technology: 5 Study Techniques to Master Aviation Technology Hsc Aviation Technology 2018 Hsc Aviation Technology 2019 Https://www.knec.ac.ke/ Www.knec-portal.ac.ke/ KNEC Portal: Ial Aviation Technology Notes Ib Aviation Technology Cold War Notes Ib Aviation Technology Notes Ib Aviation Technology Notes Pdf Ib Aviation Technology of the Americas Notes Ib Aviation Technology of the Americas Study Guide Ib Aviation Technology Paper 2 Study Guide Ib Aviation Technology Question Bank by Topic Ib Aviation Technology Study Guide Pdf Ict Notes Form 1 IGCSE Aviation Technology Alternative to Practical Revision IGCSE Aviation Technology Alternative to Practical Revision Notes IGCSE Aviation Technology Book IGCSE Aviation Technology Book Pdf Download IGCSE Aviation Technology Notes IGCSE Aviation Technology Notes 2017 Pdf IGCSE Aviation Technology Notes Edexcel IGCSE Aviation Technology Paper 2 Notes IGCSE Aviation Technology Paper 6 Notes IGCSE Aviation Technology Past Papers IGCSE Aviation Technology Past Papers 2014 IGCSE Aviation Technology Past Papers 2017 IGCSE Aviation Technology Pdf IGCSE Aviation Technology Pre Release Material 2018 IGCSE Aviation Technology Resources IGCSE Aviation Technology Revision Guide IGCSE Aviation Technology Revision Guide Free Download IGCSE Aviation Technology Revision Guide Pdf Download IGCSE Aviation Technology Revision Notes Pdf IGCSE Aviation Technology Revision Worksheets IGCSE Aviation Technology Workbook Pdf IGCSE Aviation Technology Znotes IGCSE Aviation TechnologyPast Papers IGCSE Notes Aviation Technology Importance of Agroforestry Inorganic Aviation Technology Multiple Choice Questions With Answers Pdf Inorganic Aviation Technology Questions and Answers Pdf Interesting Aviation Technology Questions Interesting Aviation Technology Questions and Answers Interesting Questions to Ask About Aviation Technology Intro to Aviation Technology Quiz Introduction of Aviation Technology Form One Introduction to Aviation Technology Introduction to Aviation Technology Notes Introduction to Aviation Technology Pdf Introduction to Aviation TechnologyNotes Is Agroforestry Sustainable? K.c.s.e Answers Aviation Technology Paper One 2018 K.c.s.e Aviation Technology 2017 K.c.s.e Aviation Technology 2018 K.c.s.e Aviation Technology Paper 1 2017 K.c.s.e Mocks 2018 K.c.s.e Papers 2015 K.c.s.e Papers 2016 K.c.s.e Past Papers 2014 K.c.s.e.Aviation Technology Paper 2 Year 2018 K.c.s.e.results 2018 for Busia County K.l.b Aviation Technology Form 3 K.l.b Aviation Technology Notes K.l.b Aviation TechnologyNotes Kasneb Past Papers for Colleges Aviation Technology Past Papers KCSE 2010 Marking Scheme KCSE 2010 Past Papers KCSE 2011 Aviation Technology Paper 1 KCSE 2011 Marking Scheme KCSE 2012 Aviation Technology Paper 2 Marking Scheme KCSE 2012 Marking Schemes KCSE 2013 Aviation Technology Paper 1 KCSE 2013 Marking Scheme KCSE 2013 Marking Scheme Pdf KCSE 2014 KCSE 2015 Aviation Technology Paper 2 KCSE 2015 Aviation Technology Paper 3 KCSE 2015 Marking Scheme KCSE 2015 Past Papers KCSE 2016 Aviation Technology Paper 1 KCSE 2016 Aviation Technology Paper 2 KCSE 2017 Aviation Technology Paper 1 KCSE 2017 Aviation Technology Paper 2 KCSE 2017 Hostory Papers With Answers.com KCSE 2017 Marking Scheme KCSE 2017 Papers KCSE 2017 Papers and Marking Scheme KCSE 2017 Papers Pdf KCSE 2017 Past Papers KCSE 2017 Prediction Pdf KCSE 2018 Aviation Technology and Answers KCSE 2018 Aviation Technology Prediction KCSE 2018 Leakage KCSE 2018 Marking Scheme KCSE 2018 Papers KCSE 2018 Prediction Pdf KCSE 2018 Predictions KCSE 2018 Questions KCSE 2018 Questions and Answers KCSE 2019 Leakage Aviation Technology KCSE 2019 Marking Scheme KCSE 2019 Questions KCSE 2019 Questions and Answers KCSE 2020 Questions KCSE 2020 Questions and Answers KCSE Answers KCSE Answers Past Exams Question Papers Downloads | KCSE Aviation Technology 2011 KCSE Aviation Technology 2016 KCSE Aviation Technology Diagramsbiology Revision Tips KCSE Aviation Technology Essay Questions and Answers KCSE Aviation Technology Essay Questions and Answers Pdf KCSE Aviation Technology Essays KCSE Aviation Technology Essays Pdf KCSE Aviation Technology Marking Schemes KCSE Aviation Technology Notes KCSE Aviation Technology Notes Pdf KCSE Aviation Technology Notes, Syllabus, Questions, Answers KCSE Aviation Technology Paper 1 KCSE Aviation Technology Paper 1 2011 KCSE Aviation Technology Paper 1 2012 KCSE Aviation Technology Paper 1 2013 KCSE Aviation Technology Paper 1 2015 KCSE Aviation Technology Paper 1 2016 KCSE Aviation Technology Paper 1 2017 KCSE Aviation Technology Paper 1 2017 Pdf KCSE Aviation Technology Paper 1 Questions and Answers KCSE Aviation Technology Paper 2 KCSE Aviation Technology Paper 2 2012 KCSE Aviation Technology Paper 2 2012 KCSE Aviation Technology Paper 2 2015 KCSE Aviation Technology Paper 2 2013 KCSE Aviation Technology Paper 2 2014 KCSE Aviation Technology Paper 2 2015 KCSE Aviation Technology Paper 2 2016 KCSE Aviation Technology Paper 2 2017 KCSE Aviation Technology Paper 3 KCSE Aviation Technology Paper 3 2012 KCSE Aviation Technology Paper 3 2016 KCSE Aviation Technology Paper 3 2017 KCSE Aviation Technology Paper 3 Past Papers KCSE Aviation Technology Past Papers KCSE Aviation Technology Past Papers and Answers KCSE Aviation Technology Past Papers Pdf KCSE Aviation Technology Practical KCSE Aviation Technology Practical 2015 KCSE Aviation Technology Practical 2016 KCSE Aviation Technology Practical Past Papers KCSE Aviation Technology Practicals KCSE Aviation Technology Practicals KCSE Aviation Technology Paper 1 KCSE Aviation Technology Question and Answer KCSE Aviation Technology Questions and Answers KCSE Aviation Technology Questions and Answers Ap Aviation Technology KCSE Aviation Technology Revision KCSE Aviation Technology Revision Notes KCSE Aviation Technology Revision Papers KCSE Aviation Technology Revision Questions KCSE Aviation Technology Revision Questions and Answers KCSE Aviation Technology Syllabus KCSE Aviation TechnologyNotes KCSE Aviation TechnologyPaper 1 KCSE Aviation TechnologyPaper 2 KCSE Aviation TechnologyPaper 2 Pdf KCSE Aviation TechnologySyllabus KCSE Business Paper 1 2016 KCSE Business Past Papers KCSE Business Studies Past Papers KCSE Essay Questions in Betrayal in the City KCSE Essays KCSE Exam Papers 2018 KCSE Exam Papers Answers KCSE Form 1 Aviation Technology Revision KCSE Form 2 Aviation Technology Revision KCSE Form 3 Aviation Technology Revision KCSE Form 4 Aviation Technology Revision KCSE Form Four Aviation Technology Revision KCSE Form One Aviation Technology Revision KCSE Form Three Aviation Technology Revision KCSE Form Two Aviation Technology Revision KCSE KCSE Past Papers KNEC KCSE Leakage KCSE Leakage Aviation Technology KCSE Made Familiar Aviation Technology KCSE Made Familiar Aviation Technology Pdf KCSE Marking Scheme 2016 KCSE Marking Schemes KCSE Marking Schemes 2017 KCSE Marking Schemes Pdf KCSE Mock Exams KCSE Mock Papers 2015 KCSE Mock Papers 2017 KCSE Mock Papers 2018 KCSE Mock Papers Pdf KCSE Mock Papers Pdf 2018 KCSE Mock Papers Pdf KCSE Past Papers KCSE Mocks 2017 KCSE Mocks 2018 KCSE Notes KCSE Online Notes KCSE Online Past Papers KCSE Online Registration KCSE Papers 2015 KCSE Papers and Marking Schemes | Exams KCSE Past Papers KCSE Past Papers 2007 KCSE Past Papers 2009 KCSE Past Papers 2010 KCSE Past Papers 2011 KCSE Past Papers 2011 Pdf KCSE Past Papers 2012 KCSE Past Papers 2013 KCSE Past Papers 2013knec KCSE Past Papers 2014 KCSE Past Papers 2014 Pdf KCSE Past Papers 2015 KCSE Past Papers 2015 Marking Schemes KCSE Past Papers 2015 Pdf KCSE Past Papers 2016 KCSE Past Papers 2016 Pdf KCSE Past Papers 2017 KCSE Past Papers 2017 Pdf KCSE Past Papers 2018 KCSE Past Papers Aviation Technology KCSE Past Papers Aviation Technology and Answers KCSE Past Papers Aviation Technology Pdf KCSE Past Papers Aviation Technology With Answers KCSE Past Papers Aviation Technologyand Answers KCSE Past Papers Business Studies and Answers KCSE Past Papers KCSE and Answers KCSE Past Papers KCSE and Answers Free Mocks Online KCSE Past Papers Marking Scheme KCSE Past Papers Pdf Download KCSE Past Papers Pdf Download KCSE 2013 KCSE Past Papers With Answers KCSE Past Papers Woodwork and Answers KCSE Prediction 2017 KCSE Prediction 2018 KCSE Prediction 2018 Pdf KCSE Prediction Papers 2018 KCSE Prediction Questions KCSE Prediction Questions 2018 KCSE Prediction Questions and Answers KCSE Questions KCSE Questions and Answers KCSE Questions and Answers. KCSE Questions on Aviation Technology KCSE Results, Online Registration, KCSE Result Slip. KCSE Revision KCSE Revision Notes KCSE Revision Notes Aviation Technology KCSE Revision Notes Pdf KCSE Revision Papers KCSE Revision Papers 2014 KCSE Revision Papers With Answers KCSE Revision Question for Aviation Technology KCSE Revision Questions KCSE Revision Questions and Answers KCSE Revision | Secondary School | Text Books | Text Book Centre KCSE Syllabus Pdf KCSE Trial 2017 KCSE Trial Exams 2017 Kenya Secondary School Aviation Technology Syllabus Kenya Secondary School Aviation Technology Syllabus Pdf Kenya Secondary School Aviation TechnologySyllabus Pdf Kenya Secondary School Syllabus Pdf Kenya-kcse-christian Religious Education Syllabus Kenyaplex KCSE Past Papers Kenyaplex Past Papers for Secondary KLB Aviation Technology Book 1 Download KLB Aviation Technology Book 1 Notes KLB Aviation Technology Book 1 Pdf KLB Aviation Technology Book 2 KLB Aviation Technology Book 2 Notes KLB Aviation Technology Book 2 Notes Pdf KLB Aviation Technology Book 2 Pdf KLB Aviation Technology Book 3 Notes KLB Aviation Technology Book 3 Pdf KLB Aviation Technology Book 3 Pdf Download KLB Aviation Technology Book 4 Notes KLB Aviation Technology Book 4 Pdf KLB Aviation Technology Book 4 Pdf Download KLB Aviation Technology Book 4 Topics KLB Aviation Technology Book One KLB Aviation Technology Form 1 KLB Aviation Technology Form 1 Notes KLB Aviation Technology Form 1 Pdf KLB Aviation Technology Form 2 KLB Aviation Technology Form 2 Book KLB Aviation Technology Form 2 Notes KLB Aviation Technology Form 2 Pdf KLB Aviation Technology Form 2 Pdf Download KLB Aviation Technology Form 2 Schemes of Work KLB Aviation Technology Form 3 KLB Aviation Technology Form 3 Notes KLB Aviation Technology Form 3 Notes Pdf KLB Aviation Technology Form 3 Pdf KLB Aviation Technology Form 3 Pdf Download KLB Aviation Technology Form 4 KLB Aviation Technology Form 4 Notes KLB Aviation Technology Form 4 Pdf KLB Aviation Technology Form Four KLB Aviation Technology Form Four Notes KLB Aviation Technology Form One KLB Aviation Technology Form One Notes KLB Aviation Technology Form Three KLB Aviation Technology Form Three Notes KLB Aviation Technology Form Two KLB Aviation Technology Form Two Notes KLB Aviation Technology Notes KLB Aviation Technology Notes Form 4 KLB Aviation Technology Pdf KLB Aviation TechnologyNotes KLB Aviation TechnologyNotes Form 4 KLB Aviation TechnologyPdf KNEC Aviation Technology Syllabus KNEC Examiners Portal KNEC Website KNEC Ict Past Papers KNEC Past Papers for Colleges KNEC Past Papers Free Download KNEC Past Papers Free Downloads KNEC Past Papers Pdf KNEC Portal Confirmation KNEC Portal KCSE Results KNEC Portal KNEC Past Papers for Colleges Kasneb Past Papers KNEC Revision Papers KNEC Technical Exams Past Papers Kusoma Aviation Technology Notes Kusoma Aviation Technology Notes Pdf Kusoma Notes Aviation Technology Kusoma.co.ke Kusoma.com Past Papers Learner Guide for Cambridge IGCSE Aviation Technology Longhorn Aviation Technology Book 3 Pdf Made Familiar Aviation Technology Made Familiar Aviation Technology Pdf Made Familiar Aviation Technology Questions Maktaba Tetea Notes Marking Scheme KCSE Aviation Technology Past Papers Math Form2 Note Mcqs About Gaseous Exchange Middle School Aviation Technology Bowl Aviation Technology Questions Mock Past Papers 2017 Mock Past Papers With Answers Mokasa Mock 2017 More Than 1800 Aviation Technology Questions and Answers to Help You Study Multiple Choice Questions on Aviation Technology Necta Aviation Technology Past Papers Necta Aviation Technology Practicals Necta Aviation TechnologyPast Papers Necta Aviation TechnologyPracticals Necta Form Four Past Papers Necta Past Papers Form 4 Necta Past Papers Form 4 2016 Necta Past Papers Form Six Necta Past Papers Form Two Necta Questions and Answers Necta Review Questions Notes Aviation Technology Form 1 Notes Aviation Technology Form 2 Notes Aviation Technology Form 3 Notes Aviation Technology Form 3 Notes Pdf Notes Aviation Technology Form 3 Syllabus Notes Aviation Technology Form 4 Syllabus Notes on Aviation Technology Studies Notes Za Aviation Technology 4m 2 Notes Za Aviation Technology Form One Notes Za Aviation Technology Form Three O Level Aviation Technology Practical Experiments O Level Aviation Technology Questions and Answers Pdf Orm Three Aviation Technology Notes Page Navigation Papacambridge Aviation Technology IGCSE Papers KNEC KCSE Online Past Papers KNEC KCSE Results Past Papers Past KCSE Papers Past Paper Questions by Topic Aviation Technology Past Papers 2014 Past Papers in Kenya Pdf Aviation Technology Form 3 Pdf Aviation Technology Notes Pdf Aviation Technology Notes Form 1 Pdf Aviation Technology Notes Form 2 Pdf Aviation Technology Notes Form 3 Pdf Aviation Technology Notes Form 4 Pdf Aviation Technology Notes Form Four Pdf Aviation Technology Notes Form One Pdf Aviation Technology Notes Form Three Pdf Aviation Technology Notes Form Two Pdf Form 1 Aviation Technology Questions and Answers Pdf Form 2 Aviation Technology Questions and Answers Pdf Form 3 Aviation Technology Questions and Answers Pdf Form 4 Aviation Technology Questions and Answers Pdf Form Four Aviation Technology Questions and Answers Pdf Form One Aviation Technology Questions and Answers Pdf Form Three Aviation Technology Questions and Answers Pdf Form Two Aviation Technology Questions and Answers Pdf Free KCSE Past Papers and Marking Schemes Pdf" Revision Questions Aviation Technology Form 1 Practical Aviation Technology Experiments Pdf Practical Aviation Technology Question and Answer Pdf Pre Mocks 2018 Preliminary Aviation Technology Primary and Secondary Tillage Implements Ppt Pte KNEC Past Papers Questions and Answers Pdf Aviation Technology Form 1 Questions and Answers Pdf Aviation Technology Form 2 Questions and Answers Pdf Aviation Technology Form 3 Questions and Answers Pdf Aviation Technology Form 4 Questions and Answers Pdf Aviation Technology Form Four Questions and Answers Pdf Aviation Technology Form One Questions and Answers Pdf Aviation Technology Form Three Questions and Answers Pdf Aviation Technology Form Two Questions Based to Introduction to Aviation Technology Questions on Gaseous Exchange in Humans Questions on Introduction to Aviation Technology Questions to Ask in Aviation Technology Class Questions to Confuse Your Aviation Technology Teacher Quizlet Aviation Technology Test Quizlet Test Questions Qustions in Aviation Technology and Answers Revision Revision Aviation Technology Notes and Questions? Revision Quiz for Aviation Technology for Form Three S.1 Aviation Technology Questions S.2 Aviation Technology Questions S.3 Aviation Technology Questions S.4 Aviation Technology Questions Sample Essays on Betrayal in the City School Aviation Technology Notes Secondary Aviation Technology Notes Secondary Aviation Technology Notes Pdf Secondary Aviation TechnologyNotes Pdf Senior 1 Aviation Technology Notes Senior 2 Aviation Technology Notes Senior 3 Aviation Technology Notes Senior 4 Aviation Technology Notes Senior 5 Aviation Technology Notes Senior 6 Aviation Technology Notes Senior Five Aviation Technology Notes Senior Four Aviation Technology Notes Senior One Aviation Technology Notes Senior Six Aviation Technology Notes Senior Three Aviation Technology Notes Senior Two Aviation Technology Notes Simple Scientific Questions Smart Questions to Ask a Aviation Technology Teacher Snab Aviation Technology Revision Notes Southwest Mock Paper 2 2016 Aviation Technology Only Spm Aviation Technology Revision Notes Spm Notes Success Aviation Technology Spm Pdf Success Aviation TechnologySpm Pdf Summary of Aviation Technology Form 3 Tahossa Past Papers To Motivate a Form 4 KCSE Student To Motivate a Form 4 Student Topical Revision Material Tricky Aviation Technology Questions and Answers Tricky Aviation Technology Questions for Adults Tricky Aviation Technology Questions With Answers Tricky Aviation Technology Quiz Questions Two Aviation Technology Revision Questions University Aviation Technology Volume 3 Openstax University Aviation Technology Volume 3 Pdf University Aviation Technology Volume 4 Pdf Ur Revision Guide IGCSE Aviation Technology What Are the Types of Gametes Working of Excretory System Www.Aviation Technology Form One Notes.com Www.Aviation Technology From One KLB.com Www.form 1 Aviation Technology.com Www.form 2 Aviation Technology.com Www.form 3 Aviation Technology.com Www.form 4 Aviation Technology.com Www.form Four Aviation Technology.com Www.form One Aviation Technology.com Www.form Three Aviation Technology.com Www.form Two Aviation Technology.com Www.kusoma Notes Www.kusoma Revision Materials Www.kusoma.co.ke Aviation Technology Notes Xtremepapers IGCSE Aviation Technology Year 11 Aviation Technology Z Notes Aviation Technology IGCSE Znotes as Aviation Technology 15 Common Aviation Technology Questions From Form 1 15 Common Aviation Technology Questions From Form 2 15 Common Aviation Technology Questions From Form 3 15 Common Aviation Technology Questions From Form 4 15 Common Aviation Technology Questions From Form Four 15 Common Aviation Technology Questions From Form One 15 Common Aviation Technology Questions From Form Three 15 Common Aviation Technology Questions From Form Two 150 Common Aviation Technology Questions From Form 1 150 Common Aviation Technology Questions From Form 2 150 Common Aviation Technology Questions From Form 3 150 Common Aviation Technology Questions From Form 4 150 Common Aviation Technology Questions From Form Four 150 Common Aviation Technology Questions From Form One 150 Common Aviation Technology Questions From Form Three 150 Common Aviation Technology Questions From Form Two 2019 KCSE Exams Aviation Technology Papers 2019 KCSE Exams Papers 2020 KCSE Exams Aviation Technology Papers 2021 KCSE Exams Aviation Technology Papers Best Aviation Technology Books for KCSE Knec Aviation Technology Aviation Technology 2 Topic Form Two Aviation Technology Diagrams Aviation Technology Form 1 and 2 Notes Aviation Technology Form 1 Download Aviation Technology Form 1 Notes Online Aviation Technology Form 1 Notes Revision Aviation Technology Form 1 Pastpapers and Marking Scheme Aviation Technology Form 1 Questions and Answers Pdf Aviation Technology Form 1 Revision Notes Aviation Technology Form 1 Text Book Aviation Technology Form 1 Text Book Notes Aviation Technology Form 2 Download Aviation Technology Form 2 Notes Aviation Technology Form 2 Notes Online Aviation Technology Form 2 Notes Revision Aviation Technology Form 2 Pastpapers and Marking Scheme Aviation Technology Form 2 Pdf Aviation Technology Form 2 Questions and Answers Pdf Aviation Technology Form 2 Revision Notes Aviation Technology Form 2 Text Book Aviation Technology Form 2 Text Book Notes Aviation Technology Form 3 Download Aviation Technology Form 3 Notes Online Aviation Technology Form 3 Notes Revision Aviation Technology Form 3 Pastpapers and Marking Scheme Aviation Technology Form 3 Questions and Answers Pdf Aviation Technology Form 3 Revision Notes Aviation Technology Form 3 Text Book Aviation Technology Form 3 Text Book Notes Aviation Technology Form 4 Download Aviation Technology Form 4 Notes Online Aviation Technology Form 4 Notes Revision Aviation Technology Form 4 Pastpapers and Marking Scheme Aviation Technology Form 4 Questions and Answers Pdf Aviation Technology Form 4 Revision Notes Aviation Technology Form 4 Text Book Aviation Technology Form 4 Text Book Notes Aviation Technology Form Four Download Aviation Technology Form Four Notes Online Aviation Technology Form Four Notes Revision Aviation Technology Form Four Pastpapers and Marking Scheme Aviation Technology Form Four Questions and Answers Pdf Aviation Technology Form Four Revision Notes Aviation Technology Form Four Text Book Aviation Technology Form Four Text Book Notes Aviation Technology Form One Download Aviation Technology Form One Notes Online Aviation Technology Form One Notes Revision Aviation Technology Form One Pastpapers and Marking Scheme Aviation Technology Form One Questions and Answers Aviation Technology Form One Questions and Answers Pdf Aviation Technology Form One Revision Notes Aviation Technology Form One Text Book Aviation Technology Form One Text Book Notes Aviation Technology Form Three Download Aviation Technology Form Three Notes Online Aviation Technology Form Three Notes Revision Aviation Technology Form Three Pastpapers and Marking Scheme Aviation Technology Form Three Questions and Answers Pdf Aviation Technology Form Three Revision Notes Aviation Technology Form Three Text Book Aviation Technology Form Three Text Book Notes Aviation Technology Form Two Download Aviation Technology Form Two Notes Online Aviation Technology Form Two Notes Revision Aviation Technology Form Two Pastpapers and Marking Scheme Aviation Technology Form Two Questions and Answers Pdf Aviation Technology Form Two Revision Notes Aviation Technology Form Two Text Book Aviation Technology Form Two Text Book Notes Aviation Technology Full Exam Papers Aviation Technology K.C.S.E Revision Papers Aviation Technology KCSE Revision Aviation Technology Notes Book Four Aviation Technology Notes Book One Aviation Technology Notes Book Three Aviation Technology Notes Book Two Aviation Technology Notes Form 2 Aviation Technology Questions and Answers for High Schools Pdf Aviation Technology Questions and Answers Form 1 Aviation Technology Questions and Answers Form 2 Aviation Technology Questions and Answers Form 3 Aviation Technology Short Note for Revising Form 1 Aviation Technology Short Note for Revising Form 2 Aviation Technology Short Note for Revising Form 3 Aviation Technology Short Note for Revising Form 4 Aviation Technology Short Note for Revising Form Four Aviation Technology Short Note for Revising Form One Aviation Technology Short Note for Revising Form Three Aviation Technology Short Note for Revising Form Two Aviation Technology Short Notes Form 1 Aviation Technology Short Notes Form 2 Aviation Technology Short Notes Form 3 Aviation Technology Short Notes Form 4 Aviation Technology Short Notes Form Four Aviation Technology Short Notes Form One Aviation Technology Short Notes Form Three Aviation Technology Short Notes Form Two Aviation Technology Form 2 Questions and Answers Pdf Brief Notes Aviation Technology Form 1 Brief Notes Aviation Technology Form 2 Brief Notes Aviation Technology Form 3 Brief Notes Aviation Technology Form 4 Brief Notes Aviation Technology Form Four Brief Notes Aviation Technology Form One Brief Notes Aviation Technology Form Three Brief Notes Aviation Technology Form Two Brief Notes Aviation Technology Form3 Chapter1 Download Book 1 Aviation Technology Notes Download Book 2 Aviation Technology Notes Download Book 3 Aviation Technology Notes Download Book 4 Aviation Technology Notes Download Book Four Aviation Technology Notes Download Book One Aviation Technology Notes Download Book Three Aviation Technology Notes Download Book Two Aviation Technology Notes Download Book1 Aviation Technology Notes Download Book2 Aviation Technology Notes Download Book3 Aviation Technology Notes Download Book4 Aviation Technology Notes Download KCSE Aviation Technology Study Notes Download Secondary Subjects Download Secondary Subjects in Kenya Download Secondary Subjects KCSE Exams Revision Kenya Exams Revision Kenya KCSE Expected Questions and Answers in Aviation Technology Form One Form 2 Aviation Technology Notes Form 2 Aviation Technology Notes Pdf Form 2 Aviation Technology Topics Form 3 Aviation Technology Book Pdf Form Iii Topics of Aviation Technology Revisios How to Answer Aviation Technology Paper 1 Questions? How to Answer Aviation Technology Paper 2 Questions? How to Answer Aviation Technology Paper 3 Questions? How to Answer KCSE Aviation Technology Paper 1 Questions? How to Answer KCSE Aviation Technology Paper 2 Questions? How to Answer KCSE Aviation Technology Paper 3 Questions? How to Answer Paper 1 Aviation Technology Questions? How to Answer Paper 2 Aviation Technology Questions? How to Answer Paper 3 Aviation Technology Questions? K.C.S.E Revision Papers K.C.S.E Revision Papers Aviation Technology KCSE Aviation Technology Essay Questions and Answers Pdf KCSE Aviation Technology Revisions KCSE Aviation Technology Study Notes KCSE Free Aviation Technology Qussions KCSE Free Qussions KCSE Revision Kenya KCSE Revisions Aviation Technology Form Two Questions Revision Kenya Revision Kenya Kcsse Sammary Note for Aviation Technology Form 1 Sammary Note for Aviation Technology Form 2 Sammary Note for Aviation Technology Form 3 Sammary Note for Aviation Technology Form 4 Sammary Note for Aviation Technology Form Four Sammary Note for Aviation Technology Form One Sammary Note for Aviation Technology Form Three Sammary Note for Aviation Technology Form Two Www.last Year KCSE Exams.com
Scholarship 2026/27
Current Scholarships 2026/2027 - Fully Funded
Full Undergraduate Scholarships 2026 - 2027
Fully Funded Masters Scholarships 2026 - 27
PhD Scholarships for International Students - Fully Funded!
Funding Opportunities for Journalists 2026/2027
Funding for Entrepreneurs 2026/2027
***